GM Service Manual Online
For 1990-2009 cars only
Makes
🢒
Chevrolet
🢒
2009
🢒
Uplander Ext.
🢒
Safety and Security
🢒
Theft Deterrent
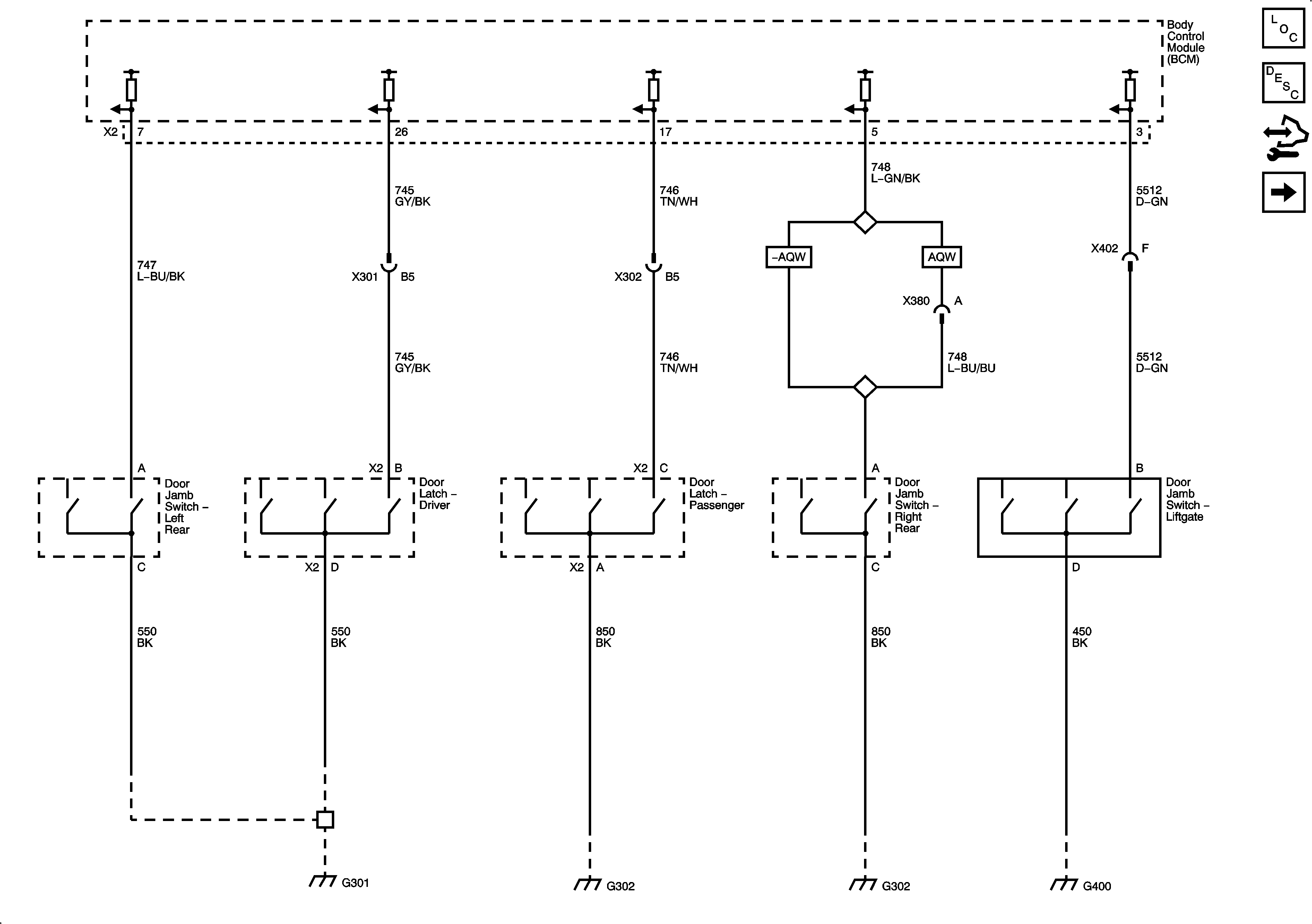
🢒 Theft Deterrent System Schematics
Figure
1:
Ajar Switches
Figure
2:
Arm, Disarm, and Warning