GM Service Manual Online
For 1990-2009 cars only
Makes
🢒
Chevrolet
🢒
2000
🢒
Venture
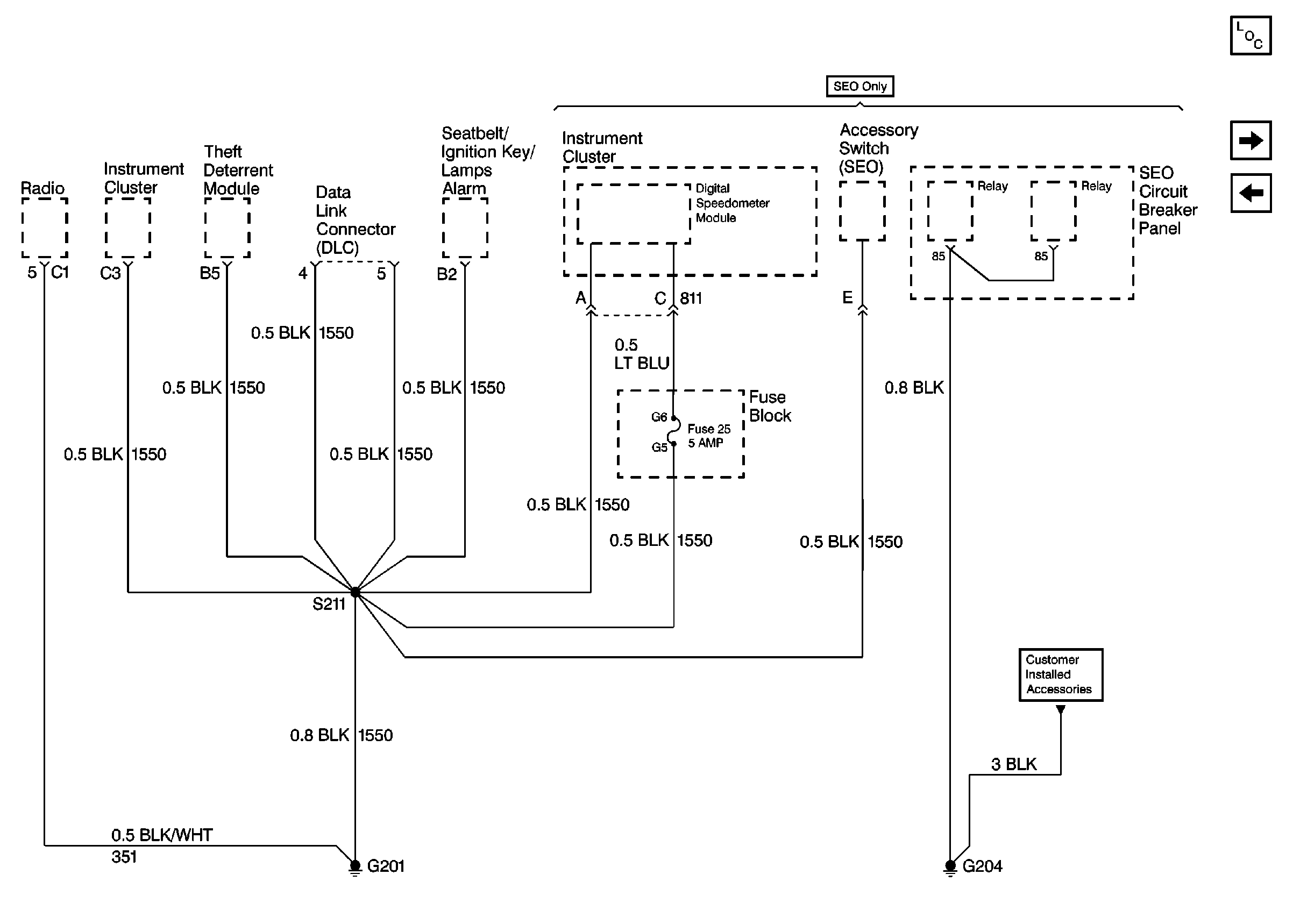
🢒 Cell 14: G201 and G204 (SEO)
Cell 14: G201 and G204 (SEO)
Cell 14: G201 and G204 (SEO)
Power and Grounding Components
Cell 14: G205 (1 of 2)
Cell 14: G117
Cell 18: Passenger Dome Lamp (RPO 6C7) and IGN and Main Power Supply(RPO 6J1)