GM Service Manual Online
For 1990-2009 cars only
Makes
🢒
Chevrolet
🢒
2000
🢒
Venture
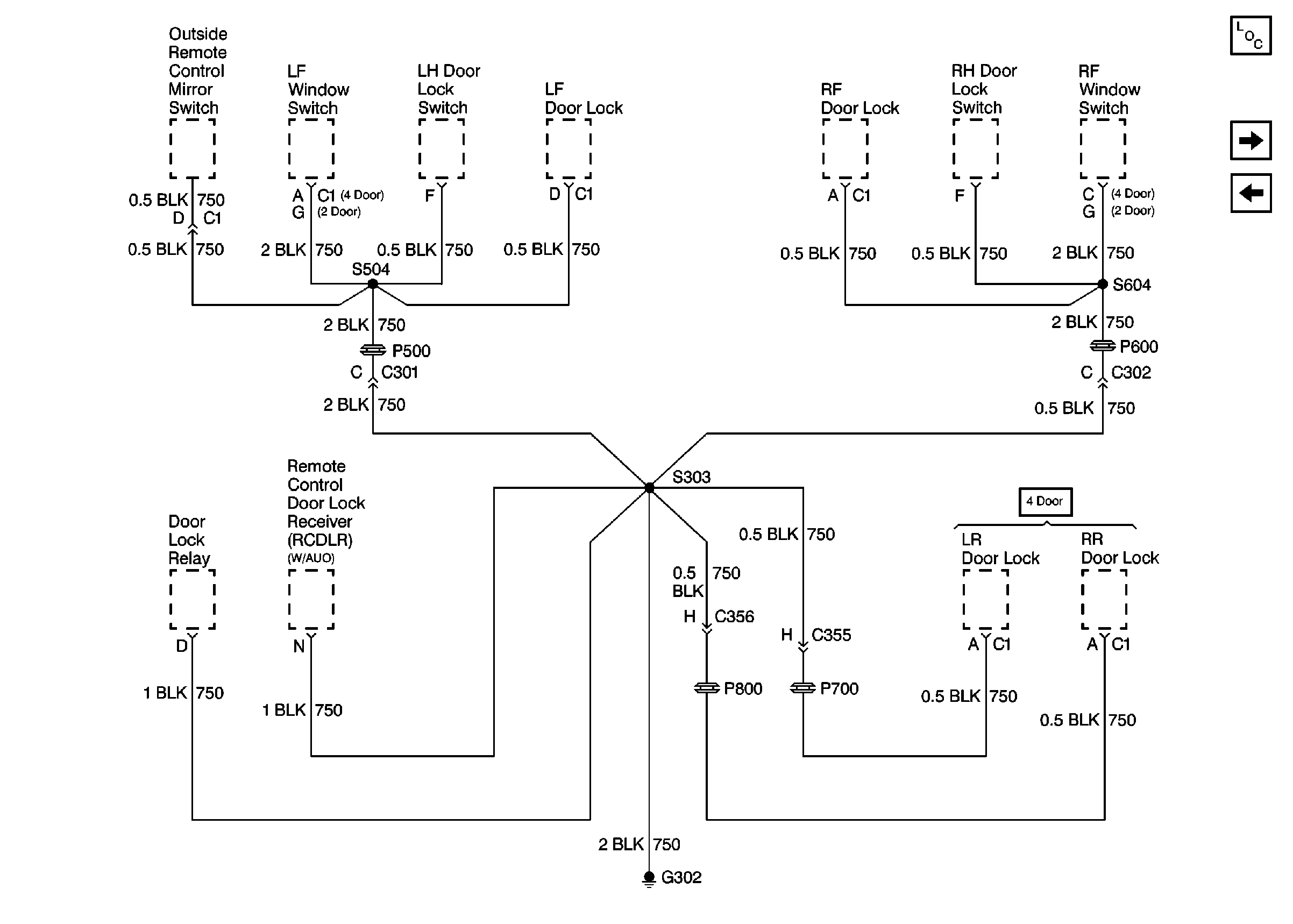
🢒 Cell 14: G302 (1 of 2)
Cell 14: G302 (1 of 2)
Cell 14: G302 (1 of 2)
Power and Grounding Components
Cell 14: G302 (2 of 2)
Cell 14: G205 (2 of 2) and G251