GM Service Manual Online
For 1990-2009 cars only
Makes
🢒
Chevrolet
🢒
2000
🢒
Venture
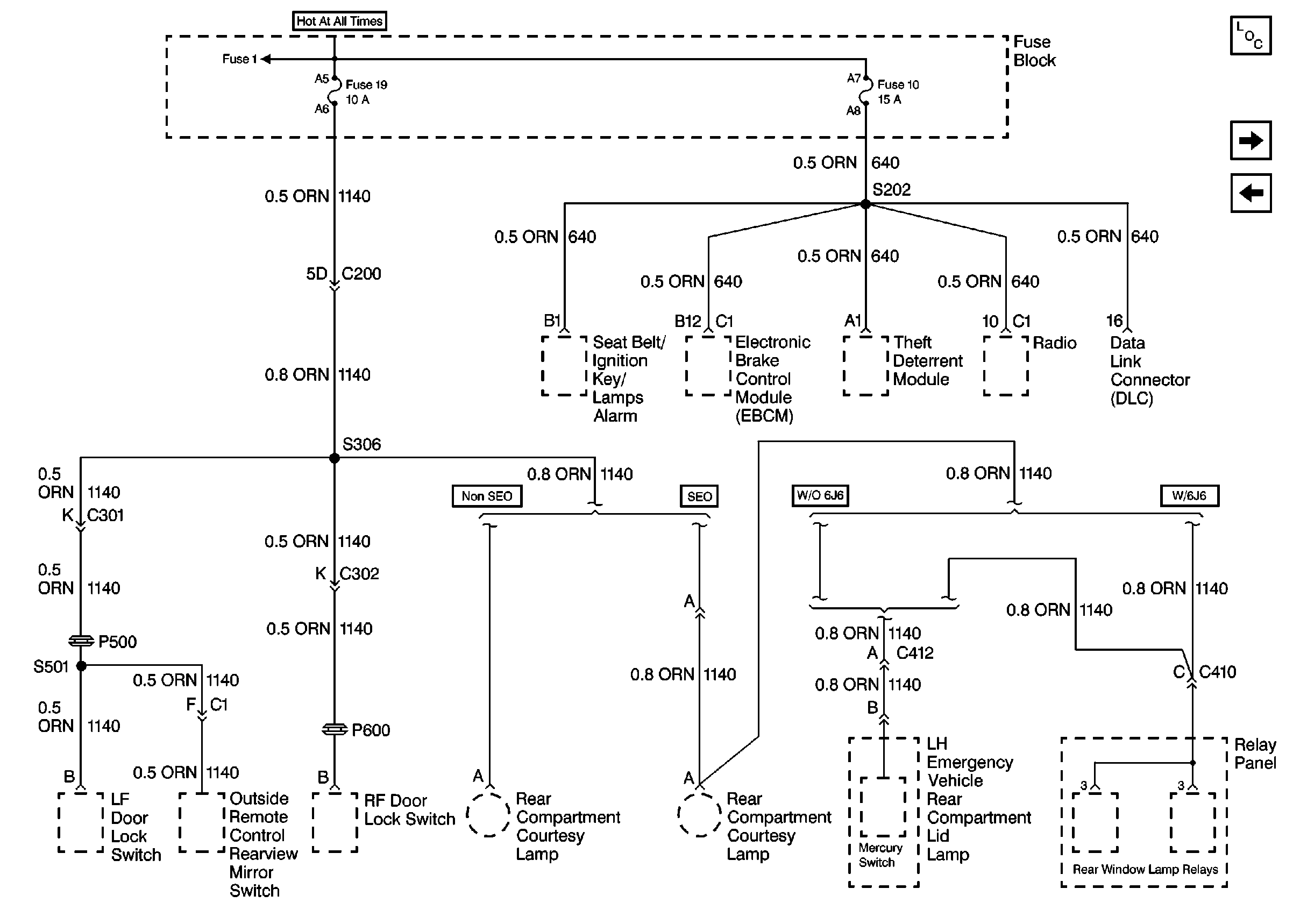
🢒 Cell 11: IP Electronics Battery (10), and Power Accessory No.1 (19)Fuses
Cell 11: IP Electronics Battery (10), and Power Accessory No.1 (19)Fuses
Cell 11: IP Electronics Battery (10), and Power Accessory No.1 (19) Fuses
Power and Grounding Components
Cell 11: Power Accessory No. 2 (Sunroof) (11), Power Accessory No.2 (20), Wiper (29), and Radio (38) Fuses
Cell 11: Cigar Lighter (1), Courtesy Lamps (28), and Rear Defog (37)Fuses