GM Service Manual Online
For 1990-2009 cars only
Makes
🢒
Chevrolet
🢒
2000
🢒
Venture
🢒 Cell 103
Cell 103
Cell 103
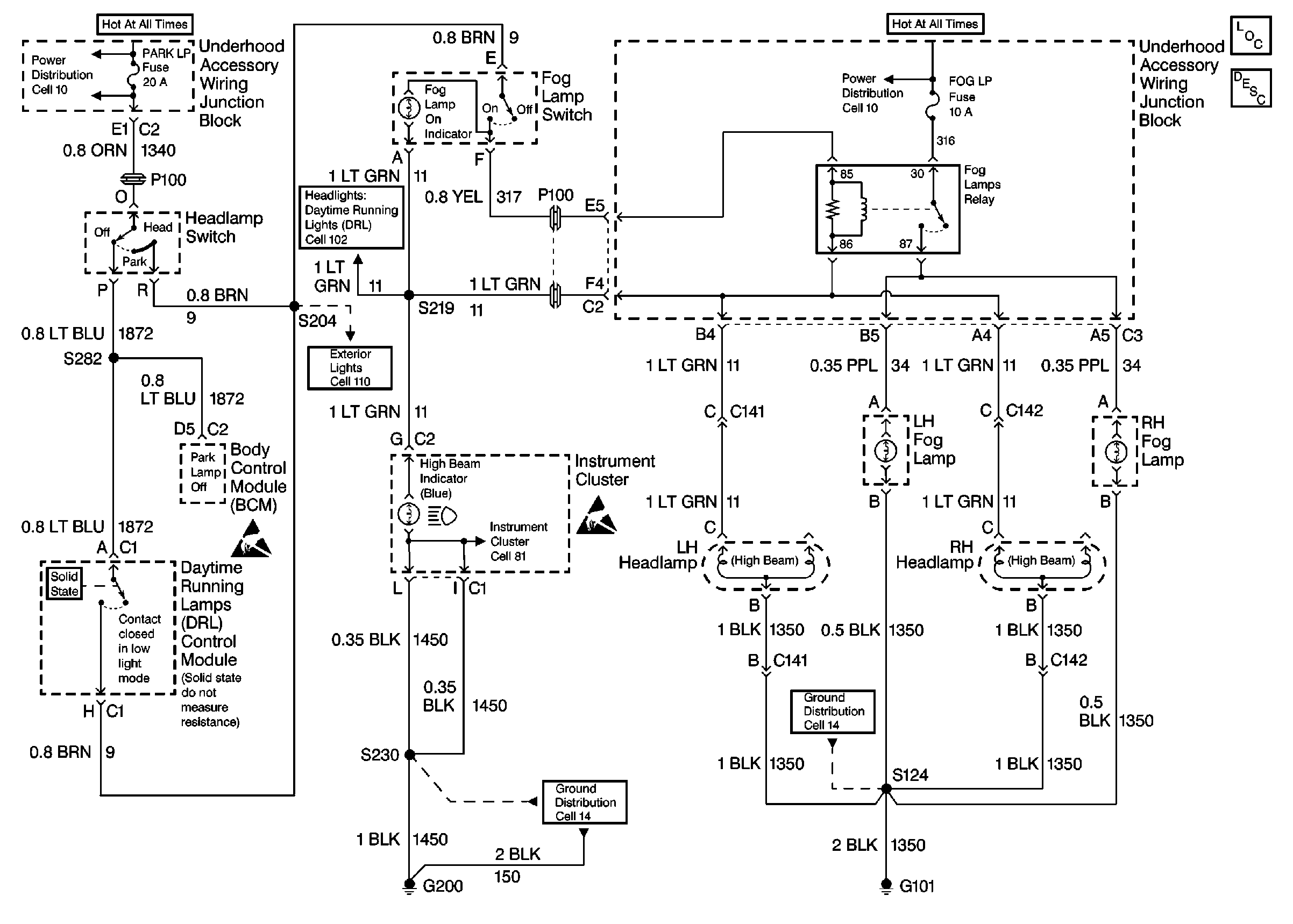
Fog Lights Circuit Description
Headlights/Daytime Running Lights (DRL) Schematics
Handling ESD Sensitive Parts Notice
Ground Distribution Schematics
Ground Distribution Schematics
Cell 10
Cell 110: Park Turn Lamps
Handling ESD Sensitive Parts Notice
Handling ESD Sensitive Parts Notice
Cell 14: RH/IP Ground G200 (2 of 4)
Cell 14: Forward Lamp Grounds G101
Cell 10
Lighting Systems Components