GM Service Manual Online
For 1990-2009 cars only
Makes
🢒
Chevrolet
🢒
2000
🢒
Venture
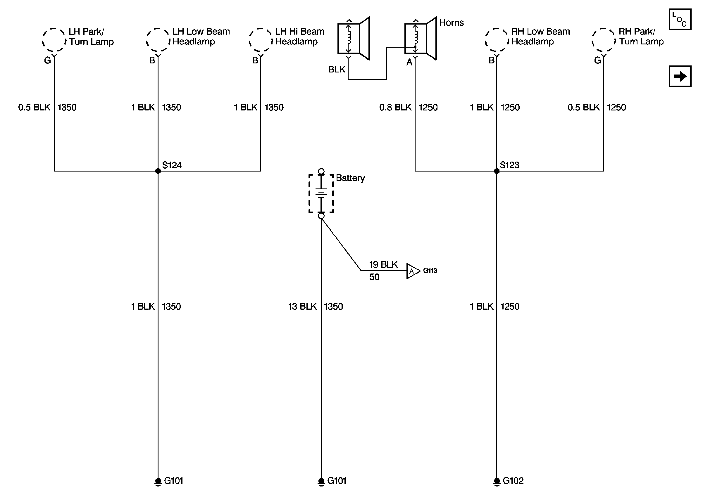
🢒 Cell 14: G101, and G102
Cell 14: G101, and G102
Cell 14: G101, and G102
Power and Grounding Components
Cell 14: G111 and G113
Cell 14: G111 and G113