GM Service Manual Online
For 1990-2009 cars only
Makes
🢒
Chevrolet
🢒
2000
🢒
Venture
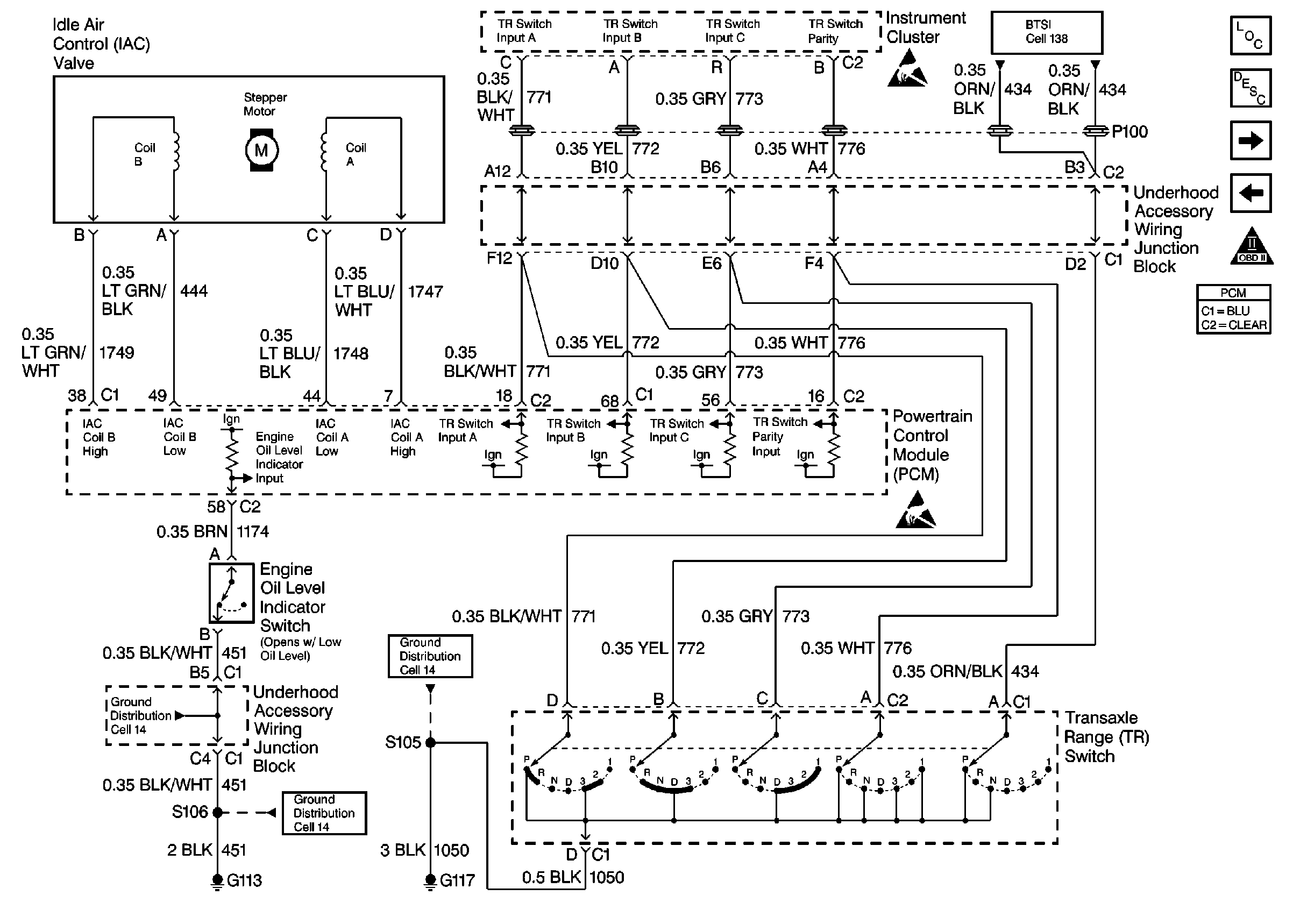
🢒 Cell 20: Automatic Transaxle Range Switch, and IAC
Cell 20: Automatic Transaxle Range Switch, and IAC
Cell 20: Automatic Tranaxle Range Switch, and IAC
Cell 20: Automatic Transaxle Solenoids, and TCC Switch
Cell 20: Engine Controls-Indicator Lamps
OBDII Symbol Description Notice
Handling Electrostatic Discharge Sensitive Parts Notice
Cell 14: Engine Ground G117
Cell 14: Engine Grounds G100, G111 and G113
Cell 14: Engine Grounds G100, G111 and G113
Handling Electrostatic Discharge Sensitive Parts Notice
Cell 138: 2 of 2