GM Service Manual Online
For 1990-2009 cars only
Makes
🢒
Chevrolet
🢒
2000
🢒
Venture
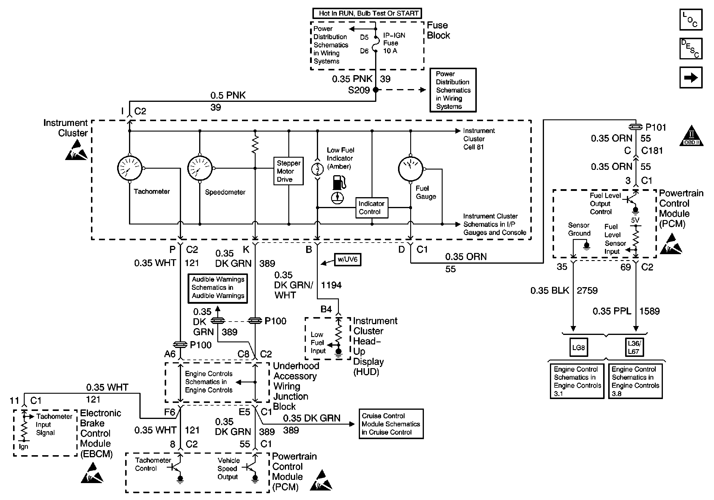
🢒 Power/Ground Distribution, Instrument Cluster and DID
Power/Ground Distribution, Instrument Cluster and DID
Power/Ground Distribution, Instrument Cluster and DID