GM Service Manual Online
For 1990-2009 cars only
Makes
🢒
Chevrolet
🢒
2000
🢒
Venture
🢒 Horns
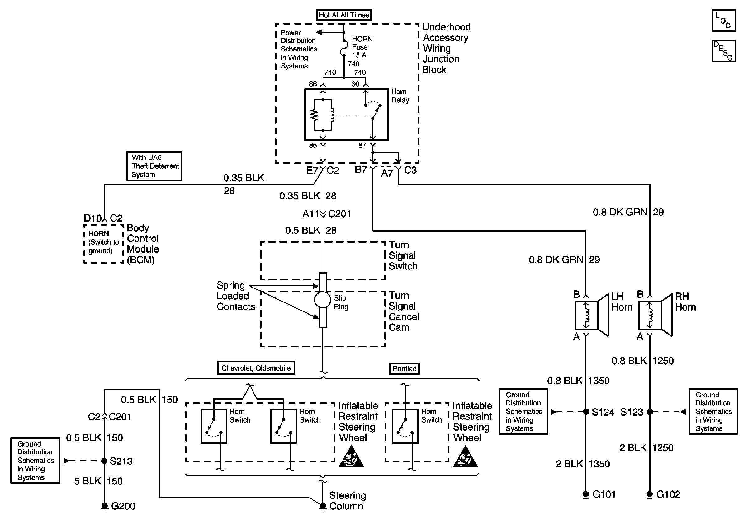
Horns
Horns
Horns Components
Horns Circuit Description
Underhood Accessory Wiring Junction Block
Cell 14: G200
SIR Handling Caution
SIR Handling Caution
Cell 14: G101 and G102
Cell 14: G101 and G102