GM Service Manual Online
For 1990-2009 cars only
Makes
🢒
Chevrolet
🢒
2000
🢒
Venture
🢒 Cell 61
Cell 61
Cell 61
Stationary Windows Components
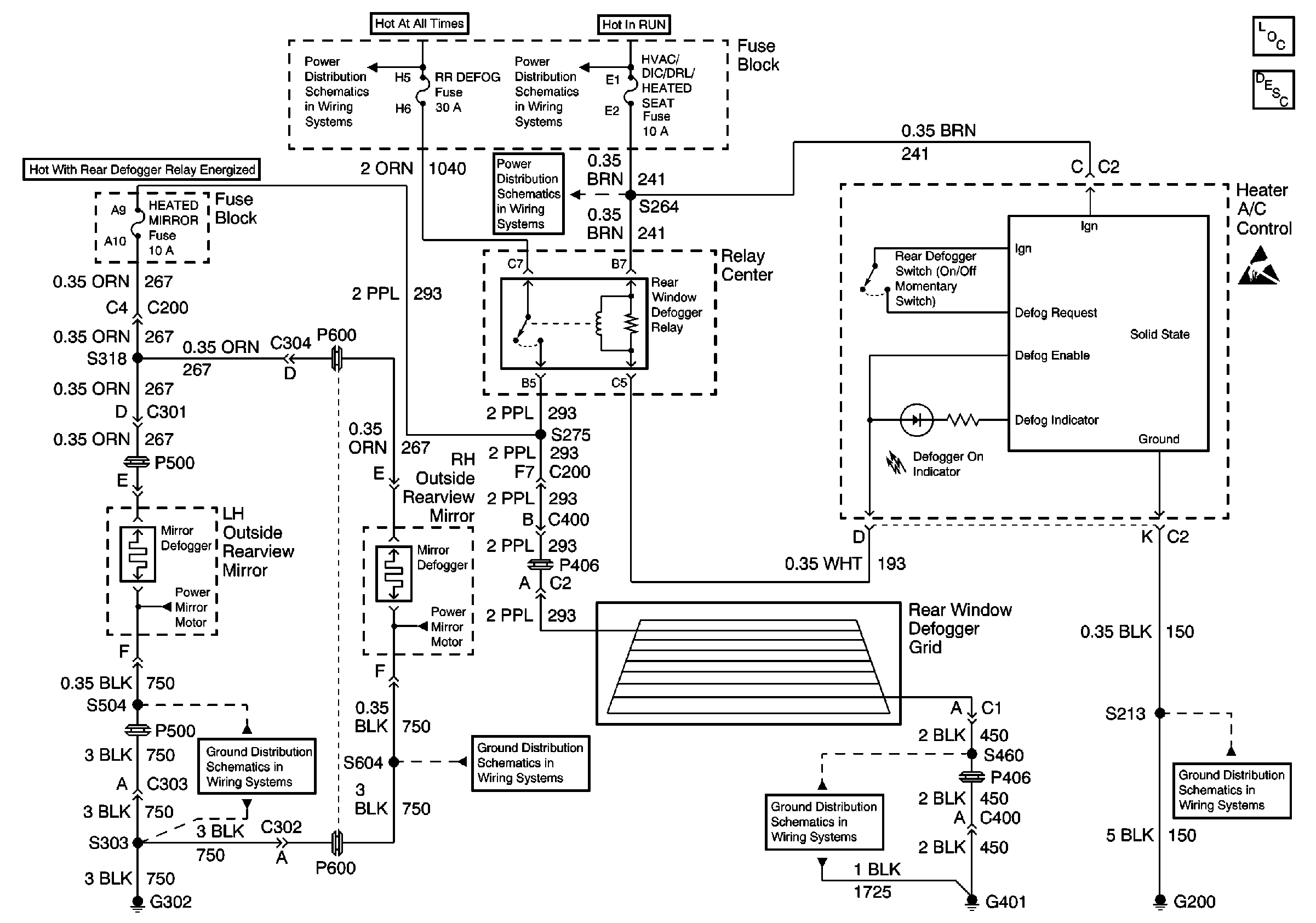
Rear Window Defogger Circuit Description
Handling ESD Sensitive Parts Notice
HVAC/DIC/DRL/Heated Seat, HVAC Blower and RR HVAC/TEMP CONT Fuses
BATT Main 2, Headlamps, ELC/Trailer, RR Defog/HTP Mirrors and RR Fog LP Fuses and PWR/ Heated Seat PSD Circuit Breaker
HVAC/DIC/DRL/Heated Seat, HVAC Blower and RR HVAC/TEMP CONT Fuses
Cell 14: G302
Cell 14: G302
Cell 14: G401
Cell 14: G200