GM Service Manual Online
For 1990-2009 cars only
Makes
🢒
Chevrolet
🢒
2000
🢒
Venture
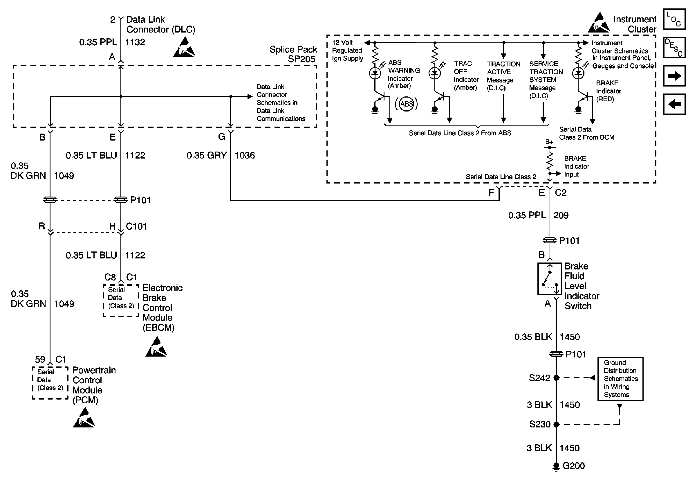
🢒 ABS/TCS Schematics ( ABS Module, Ground, Instrument Cluster, PCM, PoWER, TCS)
ABS/TCS Schematics ( ABS Module, Ground, Instrument Cluster, PCM, PoWER, TCS)
ABS/TCS Schematics ( ABS Module, Ground, Instrument Cluster, PCM, Power, TCS)