GM Service Manual Online
For 1990-2009 cars only
Makes
🢒
Chevrolet
🢒
2000
🢒
Venture
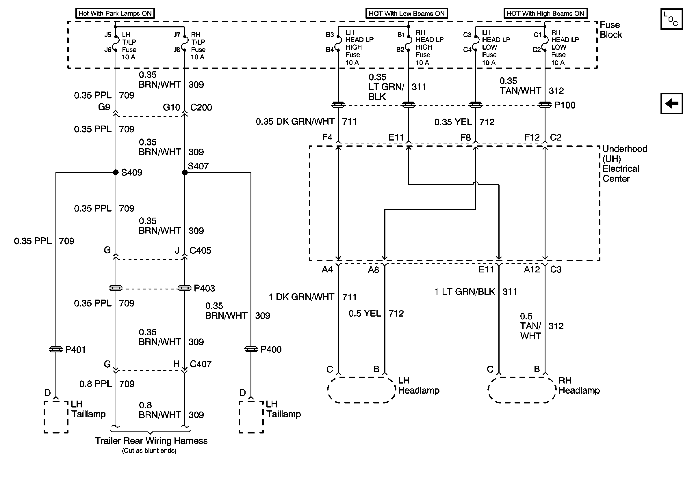
🢒 (Export Only) LH T/LP, RH T/LP, LH HEAD LP High, RH HEAD LP High, LH Head LP Low, and RH Head LP Low Fuses
(Export Only) LH T/LP, RH T/LP, LH HEAD LP High, RH HEAD LP High, LH Head LP Low, and RH Head LP Low Fuses
(Export Only) LH T/LP, RH T/LP, LH HEAD LP High, RH HEAD LP High, LH Head LP Low, and RH Head LP Low Fuses
Power and Grounding Components
SWC Backlight and HTO Mirror Fuses