GM Service Manual Online
For 1990-2009 cars only
Makes
🢒
Chevrolet
🢒
2000
🢒
Venture
🢒 2000 U van Cooling System Schematics
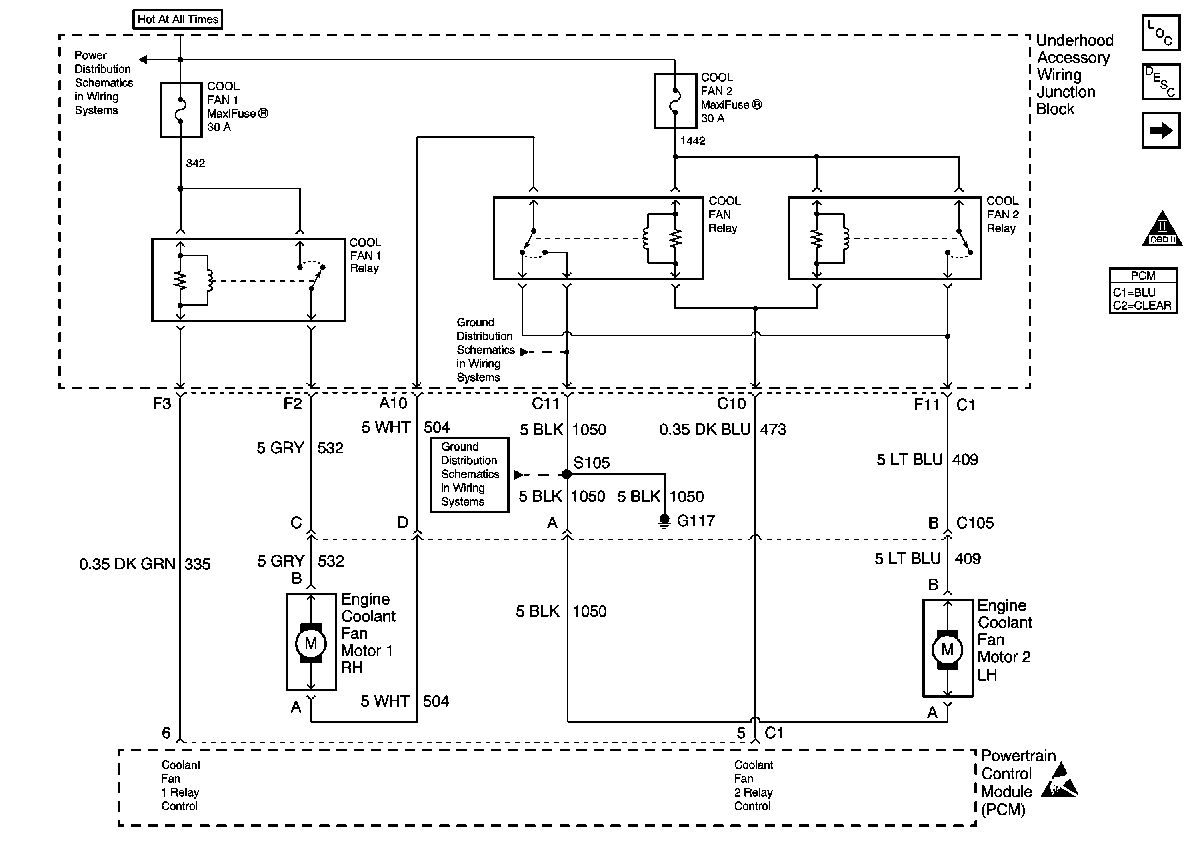
2000 U van Cooling System Schematics
Underhood Accessory Wiring Junction Block
Cell 14: G117
Cell 14: G117
Cooling System Components
Low Coolant Level Indicator Circuit Description
2000 U van Engine Cooling Schematics
OBD II Symbol Description Notice
Powertrain Control Module Connector End Views
Handling ESD Sensitive Parts Notice