GM Service Manual Online
For 1990-2009 cars only
Makes
🢒
Chevrolet
🢒
2000
🢒
Venture
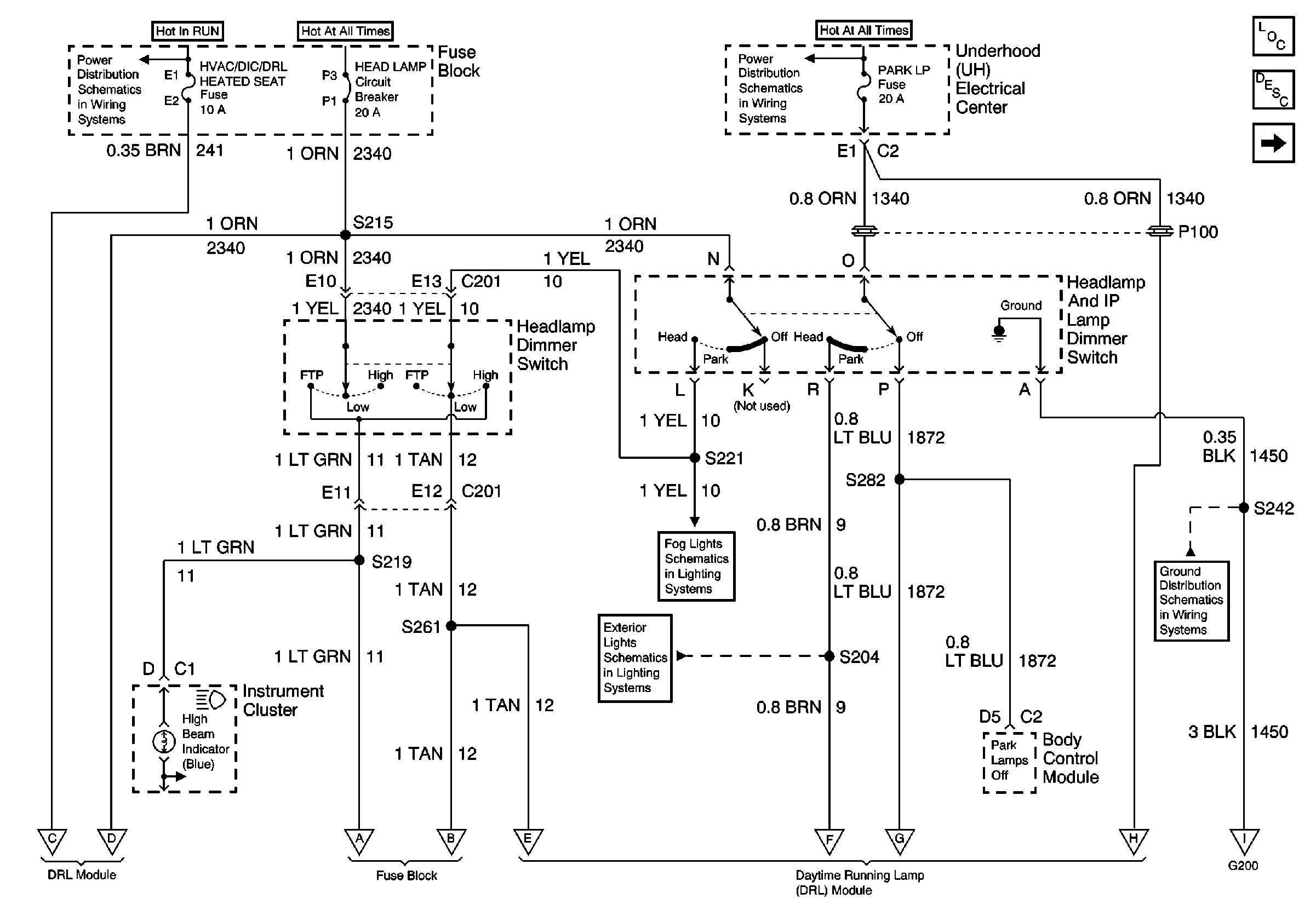
🢒 Headlights Schematics (Daytime Running Lights-Export 1 of 3)
Headlights Schematics (Daytime Running Lights-Export 1 of 3)
Headlights Schematics (Daytime Running Lights-Export 1 of 3)
HVAC/DIC/DRL/Heated Seat, HVAC Blower and RR HVAC/TEMP CONT Fuses
EBCM, BATT Main 1 and Radio Fuses
Headlights Schematics (Daytime Running Lights-Export 2 of 3)
Headlights Schematics (Daytime Running Lights-Export 2 of 3)
Headlights Schematics (Daytime Running Lights-Export 3 of 3)
Headlights Schematics (Daytime Running Lights-Export 3 of 3)
Headlights Schematics (Daytime Running Lights-Export 2 of 3)
Cell 110: License Lamps, Relay Center
Headlights Schematics (Daytime Running Lights-Export 2 of 3)
Headlights Schematics (Daytime Running Lights-Export 2 of 3)
Headlights Schematics (Daytime Running Lights-Export 2 of 3)
Headlights Schematics (Daytime Running Lights-Export 2 of 3)
Cell 14: G200
Lighting Systems Components
Headlights Circuit Description Export
Headlights Schematics (Daytime Running Lights-Export 2 of 3)
Fog Lights Schematics (Rear Fog Lights-Export 1of 2)