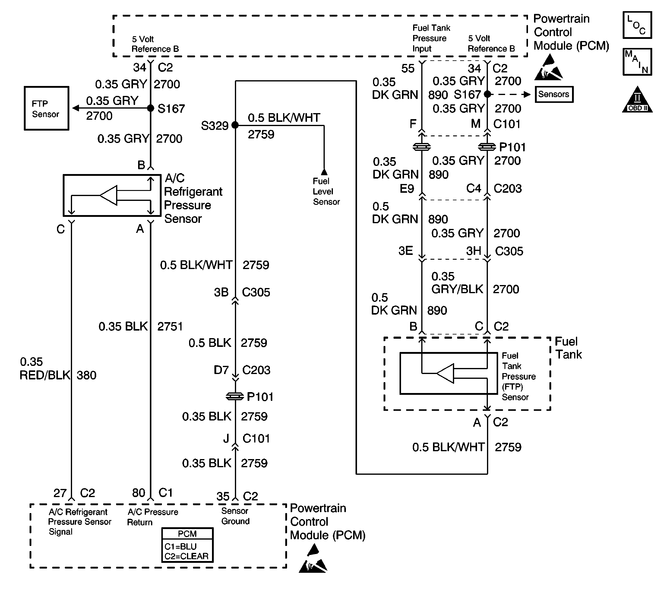
The PCM uses the 5 Volt Reference B circuit as a sensor feed to the following sensors:
| • | The A/C Pressure sensor. |
| • | Fuel Tank Pressure (FTP) Sensor |
The PCM monitors the voltage on the 5 Volt Reference B circuit. If the voltage is out of tolerance, the PCM will set DTC P1639.
The ignition is on.
| • | The PCM detects a voltage out of tolerance condition on the 5 Volt Reference B circuit. |
| • | Above condition for longer than 10 seconds. |
| • | The PCM illuminates the malfunction indicator lamp (MIL) on the second consecutive ignition cycle that the diagnostic runs and fails. |
| • | The PCM records the operating conditions at the time the diagnostic fails. The first time the diagnostic fails, the PCM stores this information in the Failure Records. If the diagnostic reports a failure on the second consecutive ignition cycle, the PCM records the operating conditions at the time of the failure. |
| • | The PCM writes the conditions to the Freeze Frame and updates the Failure Records. |
| • | The PCM will turn OFF the malfunction indicator lamp (MIL) during the third consecutive trip in which the diagnostic has run and passed. |
| • | The history DTC will clear after 40 consecutive warm-up cycles have occurred without a malfunction. |
| • | The DTC can be cleared by using a scan tool. |
Inspect for the following conditions:
Many situations may lead to an intermittent condition. Perform each inspection or test as directed.
Important: : Remove any debris from the connector surfaces before servicing a component. Inspect the connector gaskets when diagnosing or replacing a component. Ensure that the gaskets are installed correctly. The gaskets prevent contaminate intrusion.
| • | Loose terminal connection |
| - | Use a corresponding mating terminal to test for proper tension. Refer to Testing for Intermittent Conditions and Poor Connections , and to Connector Repairs in Wiring Systems for diagnosis and repair. |
| - | Inspect the harness connectors for backed out terminals, improper mating, broken locks, improperly formed or damaged terminals, and faulty terminal to wire connection. Refer to Testing for Intermittent Conditions and Poor Connections , and to Connector Repairs in Wiring Systems for diagnosis and repair. |
| • | Damaged harness--Inspect the wiring harness for damage. If the harness inspection does not reveal a problem, observe the display on the scan tool while moving connectors and wiring harnesses related to the sensor. A change in the scan tool display may indicate the location of the fault. Refer to Wiring Repairs in Wiring Systems for diagnosis and repair. |
| • | Inspect the powertrain control module (PCM) and the engine grounds for clean and secure connections. Refer to Wiring Repairs in Wiring Systems for diagnosis and repair. |
If the condition is determined to be intermittent, reviewing the Snapshot or Freeze Frame/Failure Records may be useful in determining when the DTC or condition was identified.
The numbers below refer to the step numbers on the diagnostic table:
Important: : DTC must have failed this ignition to be properly diagnosed.
The 5 Volt Reference circuits have multiple PCM pins, be sure to test all components on the 5 Volt Reference B circuits only.
The 5 Volt Reference circuits have multiple PCM pins, be sure to test all components on the 5 Volt Reference B circuits only.
This vehicle is equipped with a PCM which utilizes an Electrically Erasable Programmable Read Only Memory (EEPROM). When the PCM is being replaced, the new PCM must be programmed.
Step | Action | Value(s) | Yes | No | ||||
|---|---|---|---|---|---|---|---|---|
1 | Did you perform the Powertrain On-Board Diagnostic (OBD) System Check ? | -- | ||||||
|
Important: : The DTC must have failed this ignition to be diagnosed correctly.
Does the voltage measure near the specified value? | 5.0V | |||||||
With a DMM observe the voltage while disconnecting all components connected to the 5 Volt Reference circuit one at a time. Does voltage change when one of the components is disconnected? | -- | |||||||
4 | Does the voltage measure less than the specified value? | 4.9V | ||||||
5 |
Does the voltage measure near the specified value? | 5.0V | ||||||
6 | Test all 5 Volt Reference circuits for a short to ground. Refer to Wiring Repairs in Wiring Systems. Did you find and correct the condition? | -- | ||||||
7 | Test all 5 Volt reference circuits for a short to voltage. Refer Wiring Repairs to in Wiring Systems. Did you find and correct the condition? | -- | ||||||
8 | Replace the affected component. Refer to appropriate component replacement. Did you complete the replacement? | -- | -- | |||||
|
Important: : The replacement PCM must be programmed. Replace PCM. Refer to Powertrain Control Module Replacement/Programming . Did you complete the replacement? | -- | -- | ||||||
10 | Use the scan tool in order to clear the DTCs Operate the Vehicle within the conditions for running the DTC as specified in the supporting text . Does the DTC reset ? | -- | System OK |