GM Service Manual Online
For 1990-2009 cars only

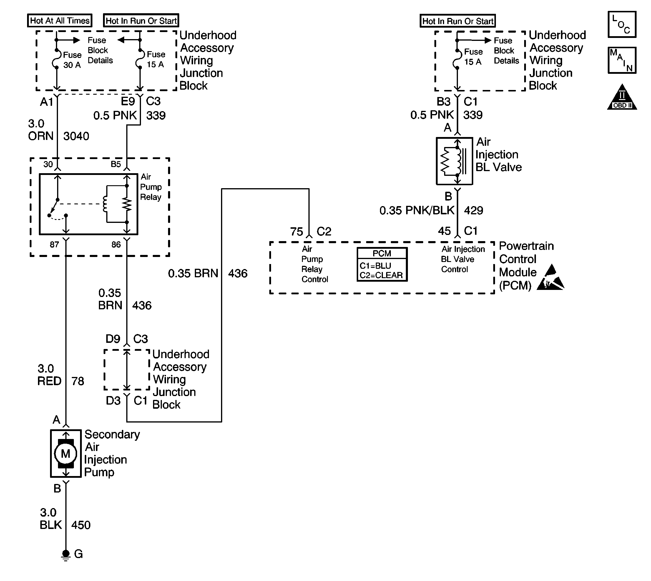
Object Number: 592465  Size: LF
Engine Controls Components
Engine Controls Schematics
OBD II Symbol Description Notice
Handling ESD Sensitive Parts Notice

Circuit Description

An AIR pump is used on this vehicle to lower tail pipe emissions on start-up. The powertrain control module (PCM) grounds the AIR pump relay control circuit, which energizes the AIR pump. The PCM also grounds the AIR combination valve vacuum control solenoid circuit, which energizes the AIR vacuum control solenoid. Vacuum is then applied to both AIR combination valve diaphragms which open the shut off valves. The PCM enables both circuits simultaneously when AIR system operation is desired. When the AIR system is active, the AIR pump forces fresh air into the exhaust stream in order to accelerate catalyst operation. The AIR combination valves replace the conventional check valves. When the AIR system is inactive the shut off valves prevent air flow in either direction. DTC P0412 applies to the AIR vacuum control solenoid circuit. DTC P0418 applies to the AIR pump relay control circuit. DTC P0410 sets if an air flow problem is detected.

The PCM will run up to 3 diagnostic tests using the HO2S 1 voltage to diagnose the AIR system.

AIR Active Test

The AIR Active Test has the PCM turn on the AIR pump specifically for diagnostic purposes. The AIR Active Test consists of the following:

    • During this test the PCM turns the AIR system ON during Closed Loop operation. When the AIR system is activated, the PCM monitors the HO2S voltage. If the AIR system is operating properly, the HO2S 1 voltage should go below a predetermined threshold.
    • The PCM will repeat this test up to 3 consecutive times with a short delay between each command.
    • If the PCM determines that the HO2S 1 voltage did not respond as expected during the tests, DTC P0410 will set.

Conditions for Running the DTC

    • DTCs P0101, P0102, P0103, P0107, P0108, P0112, P0113, P0117, P0118, P0121, P0122, P0123, P0171, P0172, P0300, P0418, P0442, P0443, P1441, and HO2S are not set.
    • The engine operates for more than 2 seconds.

Condition For Not Passing AIR Active Test

The HO2S 1 voltage changes less than .06 or is above 225 mV for 1.8 seconds during 3.0 seconds of AIR pump operation.

Conditions for Setting the DTC

If the AIR system fails three consecutive tests.

Action Taken When the DTC Sets

    • The PCM will illuminate the malfunction indicator lamp (MIL) during the second consecutive trip in which the diagnostic test has been run and failed.
    • The PCM will store conditions which were present when the DTC set as Freeze Frame/Failure Records data.

Conditions for Clearing the MIL/DTC

    • The PCM will turn OFF the malfunction indicator lamp (MIL) during the third consecutive trip in which the diagnostic has run and passed.
    • The history DTC will clear after 40 consecutive warm-up cycles have occurred without a malfunction.
    • The DTC can be cleared by using a scan tool.

Diagnostic Aids

Inspect for the following:

Notice: Do not operate the AIR pump for more than 60 seconds. Continuous operation of the AIR pump in excess of 60 seconds will damage the AIR pump.

Many situations may lead to an intermittent condition. Perform each inspection or test as directed.

Important: :  Remove any debris from the connector surfaces before servicing a component. Inspect the connector gaskets when diagnosing or replacing a component. Ensure that the gaskets are installed correctly. The gaskets prevent contaminate intrusion.

    • Loose terminal connection
       -  Use a corresponding mating terminal to test for proper tension. Refer to Testing for Intermittent Conditions and Poor Connections , and to Connector Repairs in Wiring Systems for diagnosis and repair.
       -  Inspect the harness connectors for backed out terminals, improper mating, broken locks, improperly formed or damaged terminals, and faulty terminal to wire connection. Refer to Testing for Intermittent Conditions and Poor Connections , and to Connector Repairs in Wiring Systems for diagnosis and repair.
    • Damaged harness--Inspect the wiring harness for damage. If the harness inspection does not reveal a problem, observe the display on the scan tool while moving connectors and wiring harnesses related to the sensor. A change in the scan tool display may indicate the location of the fault. Refer to Wiring Repairs in Wiring Systems for diagnosis and repair.
    •  Inspect the powertrain control module (PCM) and the engine grounds for clean and secure connections. Refer to Wiring Repairs in Wiring Systems for diagnosis and repair.

If the condition is determined to be intermittent, reviewing the Snapshot or Freeze Frame/Failure Records may be useful in determining when the DTC or condition was identified.

Test Description

The numbers below refer to the step numbers on the diagnostic table:

  1. The Powertrain On-Board Diagnostic (OBD) System Check prompts you to complete some basic checks and store the freeze frame and failure records data on the scan tool.

  2. Listen for a click when the solenoid operates. Command both the ON and OFF states. Repeat the commands as necessary.

  3. Tests for voltage at the feed side of the solenoid.

  4. Verifies that the PCM is providing ground to the solenoid.

  5. Tests if ground is constantly being applied to the solenoid.

  6. The PCM utilizes an electrically erasable programmable read only memory (EEPROM). When the PCM is replaced, the new PCM must be programmed.

Step

Action

Values

Yes

No

1

Did you perform the Powertrain On-Board Diagnostic (OBD) System Check?

--

Go to Step 2

Go to Powertrain On Board Diagnostic (OBD) System Check

2

  1. Turn ON the ignition, with the engine OFF.
  2. With a scan tool, command the AIR Solenoid ON and OFF.

Does the solenoid turn ON and OFF with each command?

--

Go to Diagnostic Aids

Go to Step 3

3

  1. Turn OFF the ignition.
  2. Disconnect the solenoid.
  3. Turn ON the ignition, with the engine OFF.
  4. Probe the coil feed circuit of the solenoid with a test lamp that is connected to a good ground.

Does the test lamp illuminate?

--

Go to Step 4

Go to Step 10

4

  1. Connect a test lamp between the control circuit of the solenoid and the coil feed circuit of the solenoid.
  2. With a scan tool, command the AIR Solenoid ON and OFF .

Does the test lamp turn ON and OFF with each command?

--

Go to Step 8

Go to Step 5

5

Does the test lamp remain illuminated with each command?

--

Go to Step 7

Go to Step 6

6

Test the control circuit of the solenoid for a short to voltage or an open. Refer to Wiring Repairs in Wiring Systems.

Did you find and correct the condition?

--

Go to Step 13

Go to Step 9

7

Test the control circuit of the solenoid for a short to ground. Refer to Wiring Repairs in Wiring Systems.

Did you find and correct the condition?

--

Go to Step 13

Go to Step 9

8

Inspect for poor connections at the solenoid. Refer to Testing for Intermittent Conditions and Poor Connections and Connector Repairs in Wiring Systems.

Did you find and correct the condition?

--

Go to Step 13

Go to Step 11

9

Inspect for poor connections at the PCM. Refer to Testing for Intermittent Conditions and Poor Connections and Connector Repairs in Wiring Systems.

Did you find and correct the condition?

--

Go to Step 13

Go to Step 12

10

Repair the feed circuit of the solenoid. Refer to Wiring Repairs in Wiring Systems.

Did you complete the repair?

--

Go to Step 13

--

11

Replace the solenoid. Refer to Secondary Air Injection Vacuum Bleed Valve Replacement .

Did you complete the replacement?

--

Go to Step 13

--

12

Important: : Perform the set up procedure for the PCM.

Replace the PCM. Refer to Powertrain Control Module Replacement/Programming .

Did you complete the replacement?

--

Go to Step 13

--

13

  1. Use the scan tool in order to clear the DTCs .
  2. Operate the vehicle within the Conditions for Running the DTC as specified in the supporting text.

Does the DTC reset?

--

Go to Step 2

System OK