GM Service Manual Online
For 1990-2009 cars only

Exhaust Manifold Replacement Left [Front]

Removal Procedure

  1. Disconnect the battery ground (negative) cable. Refer to

    Caution: Unless directed otherwise, the ignition and start switch must be in the OFF or LOCK position, and all electrical loads must be OFF before servicing any electrical component. Disconnect the negative battery cable to prevent an electrical spark should a tool or equipment come in contact with an exposed electrical terminal. Failure to follow these precautions may result in personal injury and/or damage to the vehicle or its components.

    in General Information.
  2. Remove the air cleaner duct. Refer to Engine Controls.
  3. Drain the coolant. Refer to Cooling and Radiator.
  4. Remove the right engine mount strut bracket. Refer to Engine Mount Strut Bracket Replacement .
  5. Disconnect the upper radiator hose from the engine. Refer to Cooling and Radiator.
  6. Remove the automatic transaxle vacuum modulator pipe. Refer to Automatic Transaxle On-Vehicle Service.
  7. Remove the thermostat bypass pipe. Refer to HVAC.
  8. Remove the exhaust crossover pipe heat shield. Refer to Exhaust Crossover Replacement .
  9. Remove the exhaust crossover pipe bolts to the left (front) exhaust manifold. Refer to Exhaust Crossover Replacement .

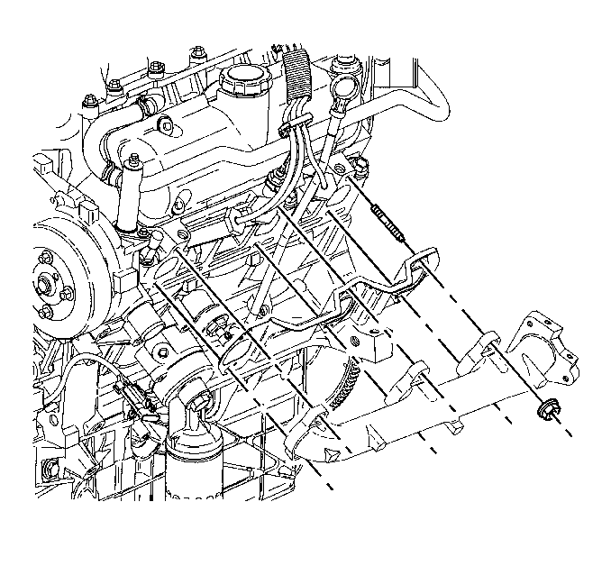
  10. Object Number: 96290  Size: SH
  11. Remove the left (front) exhaust manifold heat shield bolts.
  12. Remove the left (front) exhaust manifold heat shield.

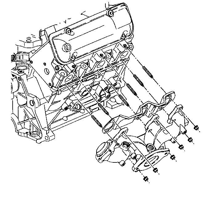
  13. Object Number: 96301  Size: SH
  14. Remove the left (front) exhaust manifold nuts.
  15. Remove the left (front) exhaust manifold.
  16. Remove the left (front) exhaust manifold gasket.
  17. Clean the left (front) exhaust manifold to the left (front) cylinder head sealing surfaces.

Installation Procedure


    Object Number: 96301  Size: SH
  1. Install the left (front) exhaust manifold gasket.
  2. Install the left (front) exhaust manifold.
  3. Install the left (front) exhaust manifold nuts.
  4. Tighten
    Tighten the nuts to 16 N·m (12 lb ft).

    Notice: Use the correct fastener in the correct location. Replacement fasteners must be the correct part number for that application. Fasteners requiring replacement or fasteners requiring the use of thread locking compound or sealant are identified in the service procedure. Do not use paints, lubricants, or corrosion inhibitors on fasteners or fastener joint surfaces unless specified. These coatings affect fastener torque and joint clamping force and may damage the fastener. Use the correct tightening sequence and specifications when installing fasteners in order to avoid damage to parts and systems.


    Object Number: 96290  Size: SH
  5. Install the left (front) exhaust manifold heat shield.
  6. Install the left (front) exhaust manifold heat shield bolts.
  7. Tighten
    Tighten the bolts to 10 N·m (89 lb in).

  8. Install the exhaust crossover pipe bolts to the left (front) exhaust manifold. Refer to Exhaust Crossover Replacement .
  9. Install the exhaust crossover pipe heat shield. Refer to Exhaust Crossover Replacement .
  10. Install the thermostat bypass pipe. Refer to HVAC.
  11. Install the automatic transaxle vacuum modulator pipe. Refer to Automatic Transaxle On-Vehicle Service.
  12. Connect the upper radiator hose to the engine. Refer to Cooling and Radiator.
  13. Install the right engine mount strut bracket. Refer to Engine Mount Strut Bracket Replacement .
  14. Fill the cooling system with coolant. Refer to Cooling and Radiator.
  15. Install the air cleaner duct. Refer to Engine Controls.
  16. Connect the battery ground (negative) cable. Refer to Battery.

Exhaust Manifold Replacement Right [Rear]

Removal Procedure

  1. Disconnect the battery ground (negative) cable. Refer to

    Caution: Unless directed otherwise, the ignition and start switch must be in the OFF or LOCK position, and all electrical loads must be OFF before servicing any electrical component. Disconnect the negative battery cable to prevent an electrical spark should a tool or equipment come in contact with an exposed electrical terminal. Failure to follow these precautions may result in personal injury and/or damage to the vehicle or its components.

    in General Information.
  2. Remove the air cleaner duct. Refer to Engine Controls.
  3. Drain the engine coolant. Refer to Cooling and Radiator.
  4. Disconnect the upper radiator hose at the engine. Refer to Cooling and Radiator.
  5. Remove the automatic transaxle vacuum modulator pipe. Refer to Automatic Transaxle On-Vehicle Service.
  6. Remove the thermostat bypass pipe. Refer to HVAC.
  7. Remove the exhaust crossover pipe heat shield. Refer to Exhaust Crossover Replacement .
  8. Remove the exhaust crossover pipe bolts to the right (rear) exhaust manifold. Refer to Exhaust Crossover Replacement .
  9. Disconnect the oxygen sensor electrical connector. Refer to Electrical Controls.
  10. Raise and suitably support the vehicle. Refer to General Information.
  11. Remove the three-way catalytic converter pipe from the right (rear) exhaust manifold. Refer to Exhaust System.
  12. Remove the automatic transaxle fluid filler tube. Move the filler tube aside. Refer to Automatic Transaxle On-Vehicle Service.

  13. Object Number: 61828  Size: MH
  14. Remove the Exhaust Gas Recirculation (EGR) tube from the rear exhaust manifold. Refer to Engine Controls.

  15. Object Number: 61829  Size: SH
  16. Remove the oxygen sensor. Refer to Engine Controls.

  17. Object Number: 61830  Size: SH
  18. Remove the right (rear) exhaust manifold upper heat shield bolts.
  19. Remove the right (rear) exhaust manifold upper heat shield.

  20. Object Number: 61831  Size: SH
  21. Remove the right (rear) exhaust manifold lower heat shield bolts.
  22. Remove the right (rear) exhaust manifold lower heat shield.

  23. Object Number: 61923  Size: SH
  24. Remove the right (rear) exhaust manifold nuts.
  25. Remove the right (rear) exhaust manifold.
  26. Remove the right (rear) exhaust manifold gasket.
  27. Clean the right (rear) exhaust manifold to the right (rear) cylinder head sealing surfaces.

Installation Procedure


    Object Number: 61923  Size: SH
  1. Install the right (rear) exhaust manifold gasket.
  2. Install the right (rear) exhaust manifold.
  3. Install the right (rear) exhaust manifold nuts.
  4. Tighten
    Tighten the bolts to 16 N·m (12 lb ft).

    Notice: Use the correct fastener in the correct location. Replacement fasteners must be the correct part number for that application. Fasteners requiring replacement or fasteners requiring the use of thread locking compound or sealant are identified in the service procedure. Do not use paints, lubricants, or corrosion inhibitors on fasteners or fastener joint surfaces unless specified. These coatings affect fastener torque and joint clamping force and may damage the fastener. Use the correct tightening sequence and specifications when installing fasteners in order to avoid damage to parts and systems.


    Object Number: 61831  Size: SH
  5. Install the right (rear) exhaust manifold lower heat shield.
  6. Install the right (rear) exhaust manifold lower heat shield bolts.
  7. Tighten
    Tighten the bolts to 10 N·m (89 lb in).


    Object Number: 61830  Size: SH
  8. Install the right (rear) exhaust manifold upper heat shield.
  9. Install the right (rear) exhaust manifold heat shield bolts.
  10. Tighten
    Tighten the bolts to 10 N·m (89 lb in).


    Object Number: 61829  Size: SH
  11. Install the oxygen sensor. Refer to Engine Controls.

  12. Object Number: 61828  Size: MH
  13. Install the Exhaust Gas Recirculation (EGR) tube to the rear exhaust manifold. Refer to Engine Controls.
  14. Install the automatic transaxle fluid filler tube. Refer to Automatic Transaxle On-Vehicle Service.
  15. Install the three-way catalytic converter pipe to the right (rear) exhaust manifold. Refer to Exhaust System.
  16. Lower the vehicle.
  17. Connect the oxygen sensor electrical connector.
  18. Install the exhaust crossover pipe bolts to the right (rear) exhaust manifold. Refer to Exhaust Crossover Replacement .
  19. Install the exhaust crossover pipe heat shield. Refer to Exhaust Crossover Replacement .
  20. Install the thermostat bypass pipe. Refer to HVAC.
  21. Install the automatic transaxle vacuum modulator pipe. Refer to Automatic Transaxle On-Vehicle Service.
  22. Connect the upper radiator hose at the engine. Refer to Cooling and Radiator.
  23. Fill the cooling system with coolant. Refer to Cooling and Radiator.
  24. Install the air cleaner duct. Refer to Engine Controls.
  25. Connect the battery ground (negative) cable. Refer to Battery.