GM Service Manual Online
For 1990-2009 cars only

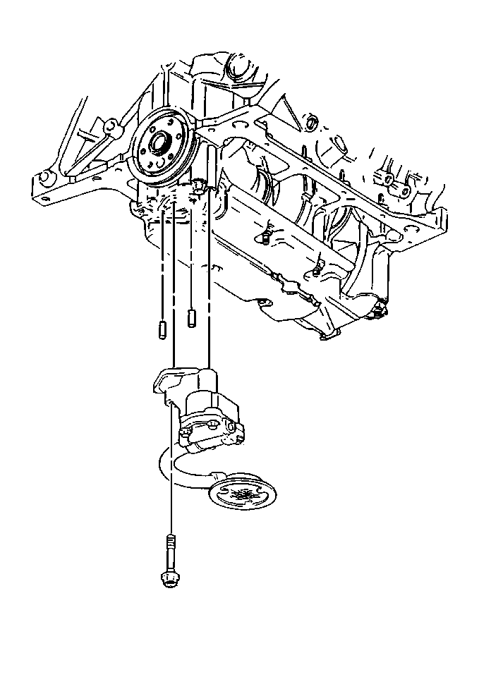
Removal Procedure

  1. Remove the oil pan. Refer to Oil Pan Replacement .

  2. Object Number: 62735  Size: MH
  3. Remove the bolt attaching the oil pump to the rear crankshaft bearing cap.
  4. Remove the oil pump and driveshaft.
  5. Inspect the driveshaft at both ends for rounding of the corners.

Installation Procedure

    Important: Rotate the driveshaft as necessary in order to obtain the engagement with the oil pump drive unit.


    Object Number: 62735  Size: MH
  1. Install the oil pump and driveshaft.
  2. Install the bolt attaching the oil pump to the rear crankshaft bearing cap.
  3. Tighten
    Tighten the bolt to 41 N·m (30 lb ft).

    Notice: Use the correct fastener in the correct location. Replacement fasteners must be the correct part number for that application. Fasteners requiring replacement or fasteners requiring the use of thread locking compound or sealant are identified in the service procedure. Do not use paints, lubricants, or corrosion inhibitors on fasteners or fastener joint surfaces unless specified. These coatings affect fastener torque and joint clamping force and may damage the fastener. Use the correct tightening sequence and specifications when installing fasteners in order to avoid damage to parts and systems.

  4. Install the oil pan. Refer to Oil Pan Replacement .