GM Service Manual Online
For 1990-2009 cars only

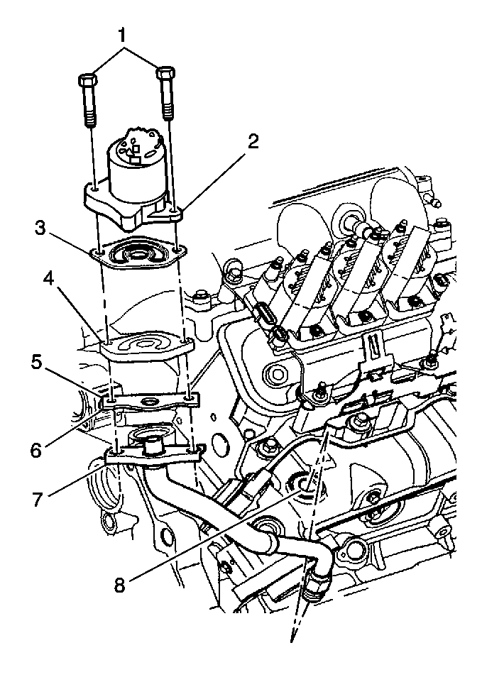
Removal Procedure


    Object Number: 12756  Size: MH
  1. Remove the electrical connector at EGR valve.
  2. Remove the 2 EGR Valve retaining nuts.
  3. Linear EGR valve assembly.
  4. Gasket.

Installation Procedure


    Object Number: 12756  Size: MH
  1. Install the gasket.
  2. Install the linear EGR valve assembly and two nuts.
  3. Tighten
    Tighten the nuts to 30 N·m (22 lb. ft.).

  4. Install the electrical connector.