GM Service Manual Online
For 1990-2009 cars only
Makes
🢒
Chevrolet
🢒
1997
🢒
Venture Ext.
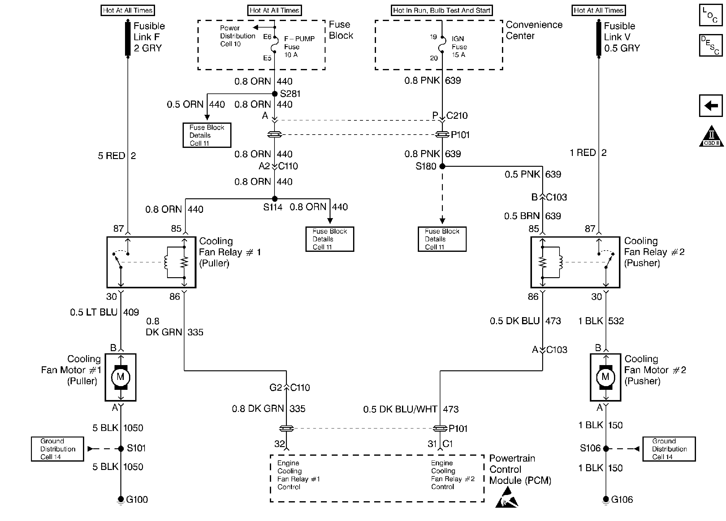
🢒 Engine Cooling Fans
Engine Cooling Fans
Engine Cooling Fans
Engine Controls Components
A/C Controls
OBD II Symbol Description Notice
Handling ESD Sensitive Parts Notice