GM Service Manual Online
For 1990-2009 cars only

Intake Manifold Removal Upper


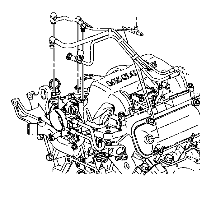
    Object Number: 258780  Size: SH
  1. Disconnect the vacuum lines from the upper intake manifold.

  2. Object Number: 192649  Size: SH
  3. Disconnect the MAP sensor electrical connector.
  4. Remove the MAP sensor screws.
  5. Remove the MAP sensor.

  6. Object Number: 105889  Size: SH
  7. Remove the EGR valve pipe from the exhaust manifold.
  8. Remove the EGR valve bolts.
  9. Remove the EGR valve and gasket.
  10. Remove the EGR valve pipe and gasket.

  11. Object Number: 258777  Size: SH
  12. Remove the spark plug wires.
  13. Remove the electronic ignition control module nuts and bolts.
  14. Remove the electronic ignition control module.

  15. Object Number: 192652  Size: SH
  16. Remove the upper intake manifold studs and bolts.
  17. Remove the upper intake manifold.
  18. Remove the upper intake manifold gaskets.

Intake Manifold Removal Lower


    Object Number: 187065  Size: SH
  1. Remove the fuel feed and return pipe retaining clip bolt.
  2. Remove the fuel feed and return pipe retaining clip.

  3. Object Number: 60768  Size: SH
  4. Remove the fuel injector rail bolts.
  5. Remove the fuel injector rail assembly.

  6. Object Number: 192662  Size: SH
  7. Remove the heater inlet pipe nut.
  8. Remove the heater inlet pipe.

  9. Object Number: 54281  Size: SH
  10. Remove the lower intake manifold bolts.
  11. Remove the lower intake manifold.