GM Service Manual Online
For 1990-2009 cars only

Intake Manifold Replacement Upper

Removal Procedure

Important: The fuel injector wiring harness connectors must be connected to their respective fuel injectors. Failure to connect the fuel injector connectors to their respective fuel injectors may result in excessive exhaust emissions and poor engine performance.

  1. Disconnect the battery ground (negative) cable. Refer to Battery Negative Cable Disconnection and Connection in Engine Electrical.
  2. Remove the fuel injector sight shield. Refer to Fuel Injector Sight Shield Replacement .
  3. Drain the engine coolant from the cooling system. Refer to Cooling System Draining and Filling in Engine Cooling.

  4. Object Number: 262805  Size: SH
  5. Remove the throttle body air inlet duct. Refer to Air Cleaner Element Replacement in Engine Controls - 3.4L.

  6. Object Number: 261274  Size: SH
  7. Remove the accelerator control and cruise control cables with bracket from the throttle body. Refer to Accelerator Control Cable Bracket Replacement in Engine Controls 3.4L.
  8. Disconnect the wiring harness connectors from the Throttle Position (TP) sensor and the Idle Air Control (IAC) valve.
  9. Disconnect the engine left side spark plug wires. Refer to Spark Plug Wire Harness Replacement in Engine Electrical.
  10. Disconnect the engine left side spark plug wire harness attachment clip. Refer to Spark Plug Wire Harness Replacement in Engine Electrical.
  11. Disconnect the throttle body heater hoses from the throttle body. Refer to Throttle Body Heater Inlet Hose Replacement and Throttle Body Heater Outlet Hose Replacement in HVAC Systems - Manual.

  12. Object Number: 261279  Size: SH
  13. Disconnect the vacuum hoses from the evaporative emissions canister purge solenoid valve.

  14. Object Number: 261280  Size: SH
  15. Remove the evaporative emissions canister purge solenoid valve. Refer to Evaporative Emission Canister Purge Solenoid Valve Replacement in Engine Controls - 3.4L.

  16. Object Number: 261282  Size: SH
  17. Remove the ignition coil bracket with the coils. Refer to Ignition Control Module Replacement in Engine Controls - 3.4L.

  18. Object Number: 190605  Size: SH
  19. Disconnect the wiring harness from the Manifold Air Pressure (MAP) sensor.

  20. Object Number: 248103  Size: SH
  21. Disconnect the vacuum hose from the Manifold Air Pressure (MAP) sensor and the upper intake manifold.

  22. Object Number: 261271  Size: SH
  23. Disconnect and remove the emission control vacuum harness.
  24. Disconnect the vacuum brake booster hose from the upper intake manifold. Refer to Vacuum Brake Booster Hose Replacement .
  25. Disconnect the vacuum hose/pipe connections from the following:
  26. • The automatic transaxle vacuum modulator
    • The HVAC vacuum source fitting
    • The fuel pressure regulator
  27. Remove the generator front brace. Refer to Generator Brace Replacement in Engine Electrical.
  28. Remove the generator rear brace. Refer to Generator Brace Replacement in Engine Electrical.

  29. Object Number: 261257  Size: SH
  30. Remove the Exhaust Gas Recirculation (EGR) valve. Refer to Exhaust Gas Recirculation Valve Replacement in Engine Controls - 3.4L.
  31. Remove the Manifold Air Pressure (MAP) sensor and the bracket. Refer to Manifold Absolute Pressure Sensor Replacement in Engine Controls - 3.4L.

  32. Object Number: 261259  Size: SH
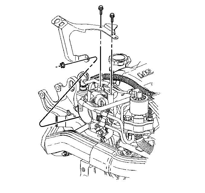
  33. Remove the upper intake manifold studs and bolts.

  34. Object Number: 261260  Size: SH
  35. Remove the upper intake manifold.

  36. Object Number: 61855  Size: SH
  37. If you are replacing the intake manifold, remove the throttle body. Refer to Throttle Body Assembly Replacement in Engine Controls - 3.4L.

  38. Object Number: 261261  Size: SH
  39. Remove the upper intake manifold gasket.
  40. Clean and inspect the upper intake manifold. Refer to Intake Manifold Cleaning and Inspection .

Installation Procedure


    Object Number: 61855  Size: SH
  1. If removed, install the throttle body. Refer to Throttle Body Assembly Replacement in Engine Controls - 3.4L.

  2. Object Number: 261261  Size: SH
  3. Install the upper intake manifold gasket.

  4. Object Number: 261260  Size: SH
  5. Install the upper intake manifold.

  6. Object Number: 261259  Size: SH
  7. Install the Manifold Air Pressure (MAP) sensor and the bracket. Refer to Manifold Absolute Pressure Sensor Replacement in Engine Controls - 3.4L.
  8. Install the upper intake manifold studs.
  9. Notice: Use the correct fastener in the correct location. Replacement fasteners must be the correct part number for that application. Fasteners requiring replacement or fasteners requiring the use of thread locking compound or sealant are identified in the service procedure. Do not use paints, lubricants, or corrosion inhibitors on fasteners or fastener joint surfaces unless specified. These coatings affect fastener torque and joint clamping force and may damage the fastener. Use the correct tightening sequence and specifications when installing fasteners in order to avoid damage to parts and systems.

  10. Install the upper intake manifold bolts.
  11. Tighten
    Tighten the upper intake manifold studs and bolts to 25 N·m (18 lb ft).


    Object Number: 261257  Size: SH
  12. Install the Exhaust Gas Recirculation (EGR) valve. Refer to Exhaust Gas Recirculation Valve Replacement in Engine Controls - 3.4L.
  13. Install the generator front brace. Refer to Generator Brace Replacement in Engine Electrical.
  14. Install the generator rear brace. Refer to Generator Brace Replacement in Engine Electrical.
  15. Connect the vacuum hose/pipe connections to the following:
  16. • The automatic transaxle vacuum modulator
    • The HVAC vacuum source fitting
    • The fuel pressure regulator
  17. Connect the vacuum brake booster hose to the upper intake manifold. Refer to Vacuum Brake Booster Hose Replacement .
  18. Install the Manifold Air Pressure (MAP) sensor and the bracket. Refer to Manifold Absolute Pressure Sensor Replacement in Engine Controls - 3.4L.

  19. Object Number: 261271  Size: SH
  20. Install and connect the emission control vacuum harness.

  21. Object Number: 248103  Size: SH
  22. Connect the vacuum hose to the Manifold Air Pressure (MAP) sensor and the upper intake manifold.

  23. Object Number: 190605  Size: SH
  24. Connect the wiring harness to the Manifold Air Pressure (MAP) sensor.

  25. Object Number: 261282  Size: SH
  26. Install the ignition coil bracket with the coils. Refer to Ignition Control Module Replacement in Engine Controls - 3.4L.

  27. Object Number: 261280  Size: SH
  28. Install the evaporative emissions canister purge solenoid valve. Refer to Evaporative Emission Canister Purge Solenoid Valve Replacement in Engine Controls - 3.4L.

  29. Object Number: 261279  Size: SH
  30. Connect the vacuum hoses to the evaporative emissions canister purge solenoid valve.
  31. Connect the throttle body heater hoses from the throttle body. Refer to Throttle Body Heater Inlet Hose Replacement and Throttle Body Heater Outlet Hose Replacement in HVAC Systems - Manual.
  32. Connect the engine left side spark plug wire harness attachment clip. Refer to Spark Plug Wire Harness Replacement in Engine Electrical.
  33. Connect the engine left side spark plug wires. Refer to Spark Plug Wire Harness Replacement in Engine Electrical.
  34. Connect the wiring harness connectors to the Throttle Position (TP) sensor and the Idle Air Control (IAC) valve.

  35. Object Number: 261274  Size: SH
  36. Install the accelerator control and cruise control cables with bracket to the throttle body. Refer to Accelerator Control Cable Bracket Replacement in Engine Controls 3.4L.

  37. Object Number: 262805  Size: SH
  38. Install the throttle body air inlet duct. Refer to Air Cleaner Element Replacement in Engine Controls - 3.4L.
  39. Fill the cooling system with engine coolant. Refer to Cooling System Draining and Filling in Engine Cooling.
  40. Install the fuel injector sight shield. Refer to Fuel Injector Sight Shield Replacement .
  41. Connect the battery ground (negative) cable. Refer to Battery Negative Cable Disconnection and Connection in Engine Electrical.

Intake Manifold Replacement Lower

Removal Procedure

Important: The fuel injector wiring harness connectors must be connected to their respective fuel injectors. Failure to connect the fuel injector connectors to their respective fuel injectors may result in excessive exhaust emissions and poor engine performance.

  1. Disconnect the battery ground (negative) cable. Refer to Battery Negative Cable Disconnection and Connection in Engine Electrical.
  2. Remove the upper intake manifold. Refer to Intake Manifold Replacement .
  3. Remove the engine left side valve rocker arm cover. Refer to Valve Rocker Arm Cover Replacement .
  4. Remove the engine right side valve rocker arm cover. Refer to Valve Rocker Arm Cover Replacement .

  5. Object Number: 190517  Size: SH
  6. Disconnect the wiring harness from the Engine Coolant Temperature (ECT) sensor.

  7. Object Number: 261255  Size: SH

    Important: Use masking tape or another appropriate method in order to identify each fuel injector wiring harness connector cylinder number.

  8. Disconnect and remove the fuel injector, Manifold Air Pressure (MAP) and Engine Coolant Temperature (ECT) wiring harness.
  9. Disconnect the fuel hoses from the fuel rail. Refer to Fuel Hose/Pipes Replacement - Engine Compartment in Engine Controls - 3.4L.

  10. Object Number: 261262  Size: SH
  11. Remove the fuel rail. Refer to Fuel Injection Fuel Rail Assembly Replacement in Engine Controls - 3.4L.
  12. Remove the power steering pump from the front engine cover and reposition aside. Refer to Power Steering Pump Replacement in Power Steering System.

  13. Object Number: 261270  Size: SH
  14. Disconnect the heater inlet pipe with heater hose from the lower intake manifold and reposition aside. Refer to Heater Inlet Pipe Replacement in HVAC System - Manual.
  15. Disconnect the inlet radiator hose from the engine. Refer to Radiator Inlet Hose Replacement in Engine Cooling.

  16. Object Number: 261263  Size: SH
  17. Disconnect the thermostat bypass hose from the lower intake manifold pipe.

  18. Object Number: 261264  Size: SH
  19. Remove the lower intake manifold bolts and discard the bolts.

  20. Object Number: 261265  Size: SH
  21. Remove the lower intake manifold.
  22. Loosen the valve rocker arms and remove the push rods. Refer to Valve Rocker Arm and Push Rod Replacement .

  23. Object Number: 61820  Size: SH
  24. Remove the lower intake manifold gaskets and seals.
  25. Clean the lower intake manifold gasket and seal surfaces on the cylinder heads and the engine block.
  26. Clean and inspect the lower intake manifold. Refer to Intake Manifold Cleaning and Inspection .
  27. Remove all the loose RTV sealer.

  28. Object Number: 190519  Size: SH
  29. If you are replacing the lower intake manifold, remove the Engine Coolant Temperature (ECT) sensor.

  30. Object Number: 190520  Size: SH
  31. If you are replacing the lower intake manifold, remove the water outlet bolts.
  32. Remove the water outlet.

  33. Object Number: 190521  Size: SH
  34. If you are replacing the lower intake manifold, remove the thermostat.

Installation Procedure


    Object Number: 190521  Size: SH
  1. If removed, install the thermostat.

  2. Object Number: 190520  Size: SH
  3. If removed, install the water outlet.
  4. Notice: Use the correct fastener in the correct location. Replacement fasteners must be the correct part number for that application. Fasteners requiring replacement or fasteners requiring the use of thread locking compound or sealant are identified in the service procedure. Do not use paints, lubricants, or corrosion inhibitors on fasteners or fastener joint surfaces unless specified. These coatings affect fastener torque and joint clamping force and may damage the fastener. Use the correct tightening sequence and specifications when installing fasteners in order to avoid damage to parts and systems.

  5. Install the water outlet bolts.
  6. Tighten
    Tighten the water outlet bolts to 25 N·m (18 lb ft).


    Object Number: 190519  Size: SH
  7. If removed, install the Engine Coolant Temperature (ECT) sensor.
  8. Tighten
    Tighten the Engine Coolant Temperature (ECT) sensor to 23 N·m (17 lb ft).


    Object Number: 61820  Size: SH
  9. Apply 8-12 mm (0.08-0.11 in) bead of RTV Sealer GM P/N 12346141 (Canadian P/N 89022195) or equivalent on each ridge where front and rear of the lower intake manifold contact the engine block (1).
  10. Install the lower intake manifold gaskets.
  11. Install the push rods and tighten the valve rocker arms. Refer to Valve Rocker Arm and Push Rod Replacement .

  12. Object Number: 261265  Size: SH
  13. Install the lower intake manifold.
  14. Install NEW intake manifold bolts.

  15. Object Number: 261264  Size: SH

    Notice: An oil leak may result if the vertical bolts are not tightened before the diagonal bolts.

  16. Install the lower intake manifold bolts.
  17. Hand tighten the vertical lower intake manifold bolts.
  18. Hand tighten the diagonal lower intake manifold bolts.

  19. Object Number: 261266  Size: SH
  20. Tighten the lower intake manifold bolts.
  21. Tighten

    1. Tighten the vertical lower intake manifold bolts (1) to 7 N·m (62 lb in).
    2. Tighten the diagonal lower intake manifold bolts (2) to 7 N·m (62 lb in).
    3. Tighten the vertical lower intake manifold bolts (1) to 13 N·m (115 lb in).
    4. Tighten the diagonal lower intake manifold bolts (2) to 25 N·m (18 lb ft).

    Object Number: 261263  Size: SH
  22. Connect the thermostat bypass hose to the lower intake manifold pipe.
  23. Connect the inlet radiator hose from the engine. Refer to Radiator Inlet Hose Replacement in Engine Cooling.

  24. Object Number: 261270  Size: SH
  25. Connect the heater inlet pipe and heater hose to the lower intake manifold. Refer to Heater Inlet Pipe Replacement in HVAC System - Manual.
  26. Install the power steering pump to the front engine cover. Refer to Power Steering Pump Replacement in Power Steering System.

  27. Object Number: 261262  Size: SH
  28. Install the fuel rail. Refer to Fuel Injection Fuel Rail Assembly Replacement in Engine Controls - 3.4L.
  29. Connect the fuel hoses to the fuel rail. Refer to Fuel Hose/Pipes Replacement - Engine Compartment in Engine Controls - 3.4L.

  30. Object Number: 261255  Size: SH

    Important: The fuel injector wiring harness connectors must be connected to their respective fuel injectors. Failure to connect the fuel injector connectors to their respective fuel injectors may result in excessive exhaust emissions and poor engine performance.

  31. Install and connect the fuel injector, Manifold Air Pressure (MAP) and Engine Coolant Temperature (ECT) wiring harness.

  32. Object Number: 190517  Size: SH
  33. Disconnect the wiring harness from the Engine Coolant Temperature (ECT) sensor.
  34. Install the engine right side valve rocker arm cover. Refer to Valve Rocker Arm Cover Replacement .
  35. Install the engine left side valve rocker arm cover. Refer to Valve Rocker Arm Cover Replacement .
  36. Install the upper intake manifold. Refer to Intake Manifold Replacement .
  37. Connect the battery ground (negative) cable. Refer to Battery Negative Cable Disconnection and Connection in Engine Electrical.