GM Service Manual Online
For 1990-2009 cars only

Removal Procedure

  1. Disconnect the battery ground (negative) cable. Refer to Battery Negative Cable Disconnection and Connection in Engine Electrical.

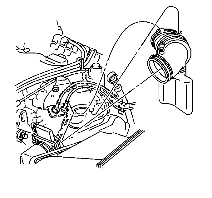
  2. Object Number: 262805  Size: SH
  3. Remove the throttle body air inlet duct. Refer to Air Cleaner Element Replacement in Engine Controls - 3.4L.
  4. Drain the engine coolant from the cooling system. Refer to Cooling System Draining and Filling in Engine Cooling.
  5. Remove the inlet radiator hose to the engine. Refer to Radiator Inlet Hose Replacement in Engine Cooling.
  6. Remove the vacuum modulator pipe. Refer to Vacuum Modulator Pipe Replacement in Automatic Transmission/Transaxle.
  7. Remove the thermostat bypass pipe. Refer to Thermostat Bypass Pipes Replacement in HVAC Systems - Manual.

  8. Object Number: 190524  Size: SH
  9. Remove the exhaust crossover heat shield bolts.
  10. Remove the exhaust crossover heat shield.

  11. Object Number: 190525  Size: SH
  12. Remove the exhaust crossover pipe nuts/studs.
  13. Remove the exhaust crossover pipe.

Installation Procedure


    Object Number: 190525  Size: SH
  1. Install the exhaust crossover pipe.
  2. Notice: Use the correct fastener in the correct location. Replacement fasteners must be the correct part number for that application. Fasteners requiring replacement or fasteners requiring the use of thread locking compound or sealant are identified in the service procedure. Do not use paints, lubricants, or corrosion inhibitors on fasteners or fastener joint surfaces unless specified. These coatings affect fastener torque and joint clamping force and may damage the fastener. Use the correct tightening sequence and specifications when installing fasteners in order to avoid damage to parts and systems.

  3. Install the exhaust crossover pipe nuts/studs.
  4. Tighten
    Tighten the exhaust crossover pipe nuts/studs to 25 N·m (18 lb ft).


    Object Number: 190524  Size: SH
  5. Install the exhaust crossover heat shield.
  6. Install the exhaust crossover heat shield bolts.
  7. Tighten
    Tighten the exhaust crossover heat shield bolts to 10 N·m (89 lb in).

  8. Install the thermostat bypass pipe. Refer to Thermostat Bypass Pipes Replacement in HVAC Systems - Manual.
  9. Install the vacuum modulator pipe. Refer to Vacuum Modulator Pipe Replacement in Automatic Transmission/Transaxle.
  10. Install the inlet radiator hose to the engine. Refer to Radiator Inlet Hose Replacement in Engine Cooling.
  11. Fill the cooling system with engine coolant. Refer to Cooling System Draining and Filling in Engine Cooling.

  12. Object Number: 262805  Size: SH
  13. Install the throttle body air inlet duct. Refer to Air Cleaner Element Replacement in Engine Controls - 3.4L.
  14. Connect the battery ground (negative) cable. Refer to Battery Negative Cable Disconnection and Connection in Engine Electrical.