GM Service Manual Online
For 1990-2009 cars only
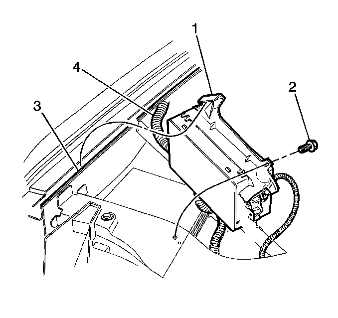
Figure 1:

Underhood Accessory Wiring Junction Block


Object Number: 260073  Size: SH
(1)Underhood Accessory Wiring Junction Block
(2)Underhood Accessory Wiring Junction Block Bolt
(3)Engine Compartment Panel Flange
(4)Forward Lamp Harness
Figure 2:

Underhood Accessory Wiring Junction Block and Cover


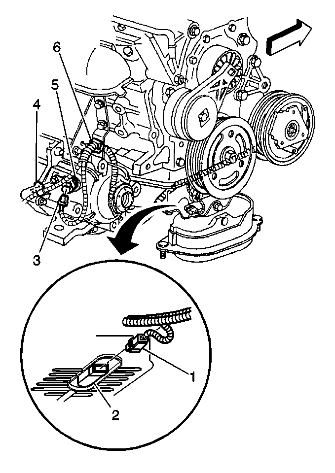
Object Number: 260076  Size: SH
(1)Engine Wiring Harness
(2)IP Harness
(3)Underhood Accessory Wiring Junction Block Cover
(4)Forward Lamp Harness
Figure 3:

Air Conditioning Refrigerant Pressure Switch


Object Number: 260079  Size: SH
(1)Air Conditioning Refrigerant Pressure Switch Connection
(2)Air Conditioning Refrigerant Pressure Switch
Figure 4:

Engine Cooling Fan Harness with Heavy Duty Cooling System (VO8)


Object Number: 260082  Size: SH
(1)Engine Wiring Harness
(2)RH Engine Cooling Fan
(3)RH Engine Cooling Fan Connector
(4)Engine Wiring Harness Clip
(5)LH Engine Cooling Fan
(6)LH Engine Cooling Fan Connector
(7)Engine Wiring Harness to LH Engine Cooling Fan
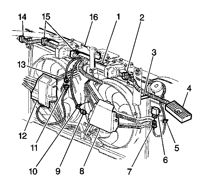
Figure 5:

Engine Wiring Harness at Engine Cooling Fans


Object Number: 260081  Size: SH
(1)Engine Wiring Harness Clip at Upper Radiator Support Bracket
(2)Engine Wiring Harness Clip at Upper Radiator Support Bracket
(3)Coolant Recovery Reservoir Hose
(4)Accessory Wiring Junction Block Connector C1
(5)Engine Wiring Harness Clip
(6)Coolant Level Sensor
(7)Coolant Level Sensor Connector
(8)RH Engine Cooling Fan
(9)RH Engine Cooling Fan Engine Harness Connector
(10)Engine Harness Clip
(11)LH Engine Cooling Fan Engine Harness Connector
(12)LH Engine Cooling Fan
(13)LH Engine Cooling Fan Engine Harness Connector
(14)Engine Wiring Harness Clip
(15)Engine Wiring Harness Clips
(16)Upper Radiator Support Bracket
Figure 6:

Engine Wiring Harness


Object Number: 260105  Size: SH
(1)Engine Wiring Harness Idle Air Connector
(2)Engine Wiring Harness Clip
(3)Engine Wiring Harness EGR Connector
(4)EGR Valve
(5)Accelerator Cable Bracket
(6)Throttle Position Sensor
(7)Engine Wiring Harness Throttle Position Sensor Connector
(8)Inlet Air Temperature (IAT) Sensor
(9)Engine Wiring Harness IAT Sensor Connector
(10)Mass Air Flow Sensor
(11)Engine Wiring Harness Mass Air Flow Sensor Connector
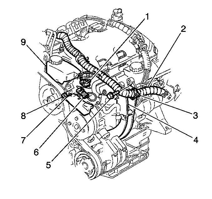
Figure 7:

Underhood Cockpit Harness


Object Number: 261097  Size: LF
(1)IP Harness Inline Connectors C101, C103 and C181 to Engine Wiring Harness
(2)IP Harness to Cruise Control Module
(3)IP Harness Inline Connector C101 to Engine Harness
(4)Stud on LH Shock Tower
(5)Engine Wiring Harness Clip
(6)Engine Wiring Harness
(7)IP Harness to Traction Control Module Connector
(8)IP Harness Inline Connector C171 to LF Wheel Speed Sensor Harness
(9)IP Harness to ABS Modulator
(10)Electronic Brake Control Module Retainer
(11)Brake Fluid Level Sensor
(12)IP Harness Brake Fluid Level Sensor Connector
(13)ABS Solenoids (2)
(14)IP Harness ABS Solenoid Connectors
(15)Stud with LH IP Wiring Harness Nut
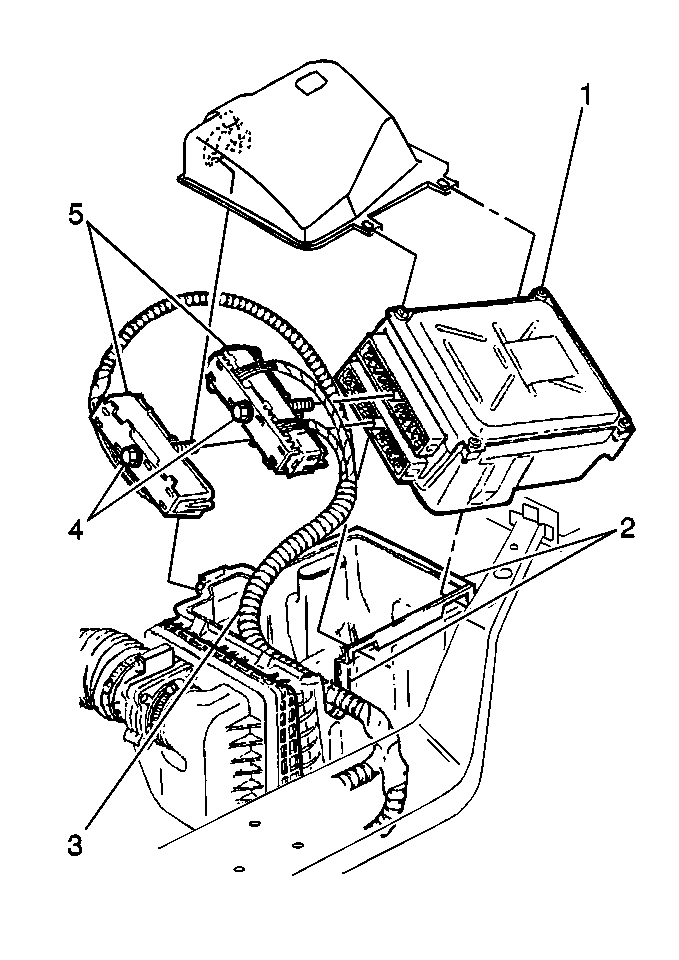
Figure 8:

Engine Wiring Harness to Powertrain Control Module


Object Number: 261110  Size: SH
(1)Powertrain Control Module
(2)Air Cleaner Assembly
(3)Engine Wiring Harness
(4)Engine Wiring Harness Powertrain Control Module Bolt
(5)Engine Wiring Harness Powertrain Control Module Connectors C1 and C2
Figure 9:

Engine Wiring Harness at MAT Sensor Bracket


Object Number: 260088  Size: SH
(1)MAT Sensor Bracket
(2)Engine Wiring Harness Clip
Figure 10:

Engine Front Lower


Object Number: 260112  Size: SH
(1)Bank 1 Knock Sensor
(2)Engine Oil Pressure Switch
(3)Engine Wiring Harness
(4)Engine Wiring Harness Clip
(5)Engine Wiring Harness P-clip
(6)Oil Filter
Figure 11:

Engine Wiring Harness at Power Steering Pump


Object Number: 260119  Size: SH
(1)Engine Wiring Harness Camshaft Position Sensor Connector
(2)Engine Wiring Harness
(3)Engine Wiring Harness P-clip
(4)Strut Mount Bracket
(5)Engine Wiring Harness Bolt
(6)Camshaft Position Sensor Connector
(7)Electrical Connection Retainer
(8)Drive Belt Shield
(9)Power Steering Pump
Figure 12:

Engine Wiring Harness at Oil Level Sensor


Object Number: 260134  Size: MH
(1)Engine Oil Level Sensor Indicator Switch Connector
(2)Engine Oil Level Indicator Switch
(3)Vehicle Speed Sensor Connector
(4)Engine Wiring Harness Clip
(5)Vehicle Speed Sensor
(6)Engine Wiring Harness Clip
Figure 13:

Engine Block Heater Cord


Object Number: 261126  Size: SH
(1)Engine Wiring Harness Tie Strap
(2)Engine Coolant Heater Cord
(3)Heater Assembly
Figure 14:

Transaxle


Object Number: 260144  Size: MF
(1)Transaxle Assembly Stud
(2)Transaxle Range Switch
(3)Transaxle Range Switch Connectors C1 and C2
(4)Electrical Connection Retainer
(5)Engine Wiring Harness Clip
(6)Engine Wiring Harness Clip Nut
(7)Battery Ground G113 (Negative) Cable at Lower Transaxle Stud
(8)Engine Wiring Harness Ground Terminals G111/G113 and G117
(9)Starter Motor
(10)Engine Oil Pressure Indicator Switch Connector
(11)Torque Converter Clutch Switch Connector (Inline Connector C111)
Figure 15:

Engine Wiring Harness at Starter Motor and Air Conditioning Compressor


Object Number: 260147  Size: SH
(1)Bank 1 Knock Sensor Connector
(2)Engine Oil Pressure Indicator Switch Connector
(3)Starter Motor
(4)Engine Wiring Harness Ring Terminals at Starter Motor Solenoid
(5)Battery Positive Cable at Starter Motor
(6)Engine Wiring Harness Clip
(7)Battery Cables
(8)Air Conditioning Compressor Connector
(9)Crankshaft Position Sensor Connector
(10)Electrical Connection Retainer
Figure 16:

Engine Front Lower


Object Number: 260135  Size: LF
(1)Engine Oil Pressure Indicator Switch Connector
(2)Engine Oil Pressure Indicator Switch
(3)Battery Ground (Negative) Cable
(4)Transaxle Stud
(5)Transaxle Range Switch
(6)Transaxle Range Switch Connectors C1 and C2
(7)Electrical Connection Retainer
(8)Engine Wiring Harness Clip
(9)Engine Wiring Harness Clip Nut
(10)Torque Converter Clutch Switch Connector (Inline Connector C111)
(11)Engine Wiring Harness Ground Nuts
(12)Battery Ground (Negative) Cable
(13)Engine Wiring Harness Ground Terminals G111/G113 and G117
(14)Engine Wiring Harness Clip
(15)Engine Wiring Harness Bolt
(16)Engine Wiring Harness Small Ring Terminal at Lower Starter Solenoid Stud
(17)Engine Wiring Harness Fusible Link Ring Terminals at Starter Solenoid Large Stud
(18)Battery Positive Cable Nut on Starter Motor
(19)Battery Cables
(20)Air Conditioning Compressor Connector
(21)Starter Solenoid Start Terminal Nut
(22)Crankshaft Position Sensor Pigtail
(23)Crankshaft Position Sensor Connector
(24)Electrical Connection Retainer
(25)Bank 1 Knock Sensor Connector
(26)Bank 1 Knock Sensor
Figure 17:

Transaxle with Engine Block Heater (K05)


Object Number: 261140  Size: SH
(1)Engine Wiring Harness
(2)Engine Wiring Harness Tie Strap
(3)Engine Wiring Harness Tie Strap
(4)Starter Motor
(5)Engine Wiring Harness Tie Straps
(6)Engine Cooling Heater Cord Assembly
(7)Bank 1 Knock Sensor
(8)Engine Oil Pressure Indicator Switch
Figure 18:

Coolant Temperature Sensor


Object Number: 261302  Size: SH
(1)Coolant Temperature Sensor
(2)Coolant Temperature Sensor Connector
Figure 19:

Underhood Cockpit Harness


Object Number: 261117  Size: LF
(1)Windshield Wiper Motor Connector
(2)Windshield Wiper Motor
(3)IP Harness Rear Windshield Washer Bottle Pump Connector
(4)Rear Windshield Washer Bottle Pump
(5)Front of Dash
(6)IP Harness to Wheel House Panel with P-clip
(7)Vacuum Tank Line with P-clip
(8)IP Harness with P-clip
(9)IP Harness Inline Connector C172 to RF Wheel Speed Sensor Harness
(10)IP Harness Front Windshield Washer Bottle Pump Connector
(11)Front Windshield Washer Bottle Pump
(12)Washer Bottle Fluid Level Sensor
(13)Washer Bottle Fluid Level Sensor Connector
(14)IP Harness Inline Connector C120 to Forward Lamp Harness
(15)Bottle Clips
(16)Washer Solvent Container Assembly
(17)IP Harness Lead (NOT USED)
(18)Brake Fluid Reservoir (NOT USED)
Figure 20:

Engine Rear


Object Number: 260129  Size: SH
(1)Engine Wiring Harness Generator Lead Nut (BAT Terminal Nut)
(2)Generator
(3)Generator Lead B+ Terminal and Boot
(4)Generator Stud
(5)Engine Wiring Harness Generator Connector
(6)Engine Wiring Harness
(7)Electrical Connection Retainer
(8)Heated Oxygen Sensor 1 Connector
(9)Heated Oxygen Sensor 1
(10)Evaporative (EVAP) Emissions Canister Purge Solenoid Valve
(11)Evaporative (EVAP) Emissions Canister Purge Solenoid Valve Connector
(12)Ignition Control Module (ICM)
(13)Ignition Control Module (ICM) Connector
(14)Retainer at Heated Oxygen Sensor Pigtail
(15)Ignition Control Module (ICM) Connector
Figure 21:

Upper Right


Object Number: 260132  Size: SH
(1)Fuel Injector Wiring Harness Inline Connector C108
(2)Engine Wiring Harness Inline Connector C108
(3)Electrical Connection Retainer
(4)Engine Wiring Harness Inline Connector C102
(5)Electrical Connection Retainer
(6)Generator Front Brace
(7)Engine Wiring Harness
(8)Fuel Injector Wiring Harness Inline Connector C102
Figure 22:

Crankshaft Position Sensor


Object Number: 261304  Size: SH
(1)Crankshaft Position Sensor
(2)Engine Wiring Harness
(3)Oil Pan
(4)Engine Wiring Harness Clip
Figure 23:

Front Electronic Brake Control Wiring Harness


Object Number: 261143  Size: LF
(1)IP Harness Inline Connector C172
(2)Engine Compartment Rail
(3)Splash Shield
(4)Front Wheel Speed Sensor Wiring Harness
(5)Front Wheel Speed Sensor Wiring Harness Connector
(6)Front Wheel Speed Sensor Wiring Harness Clip
(7)Front Wheel Speed Sensor Wiring Harness Clips
(8)Front Wheel Drive Shaft Bearing
Figure 24:

Three-Way Catalytic Converter


Object Number: 260152  Size: SH
(1)Heated Oxygen Sensor 2 Connector
(2)Engine Wiring Harness Clips
(3)Engine Wiring Harness Clip
(4)Catalytic Converter Heat Shield
(5)Heated Oxygen Sensor 2
(6)Heated Oxygen Sensor 2 Connector
(7)Oxygen Sensor Connection Retainer