GM Service Manual Online
For 1990-2009 cars only
Figure 1:

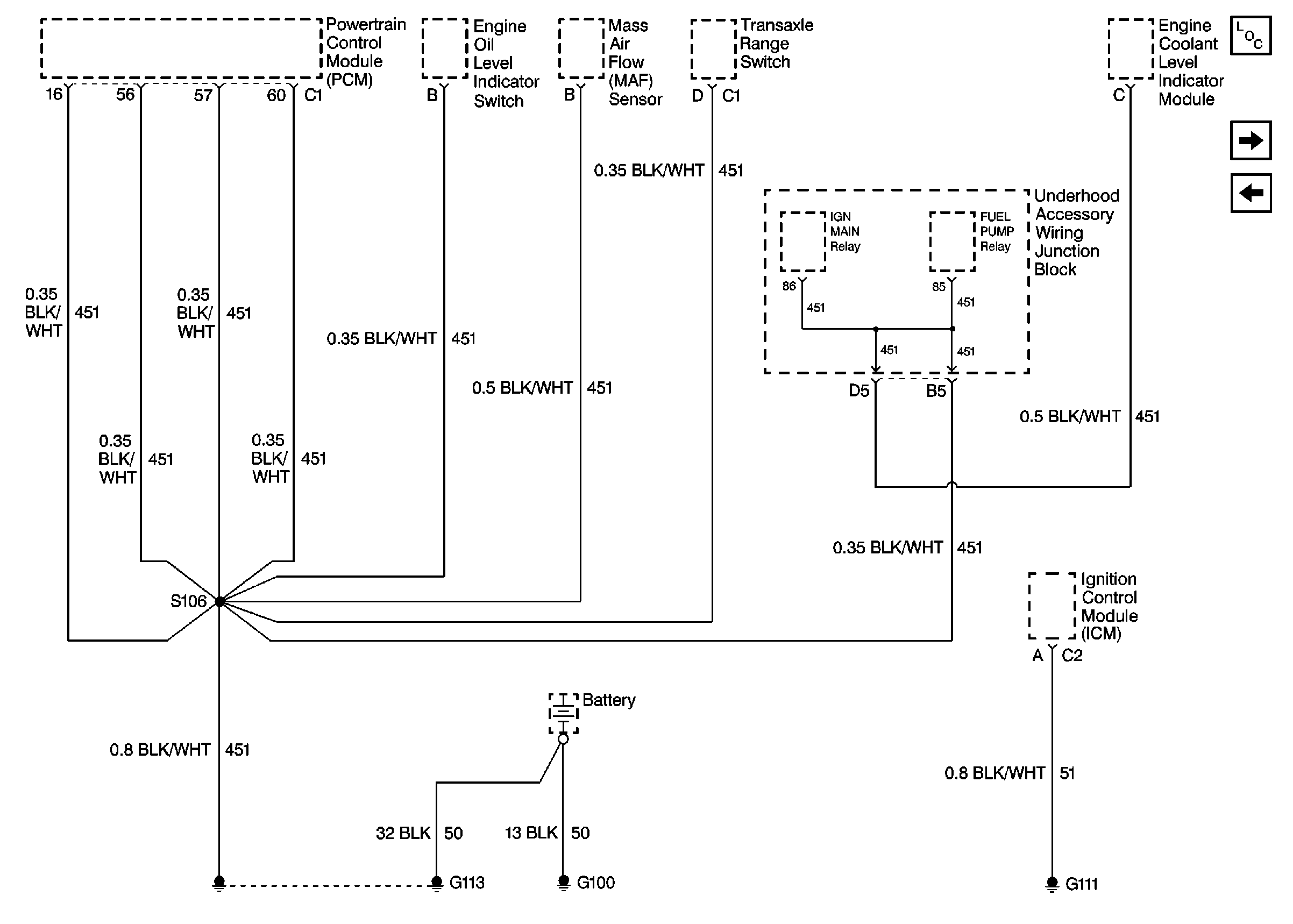
Cell 14: G101, G102


Object Number: 478947  Size: FS
Power and Grounding Components
Cell 14: G100, G11, G113
Figure 2:

Cell 14: G100, G11, G113


Object Number: 478953  Size: FS
Power and Grounding Components
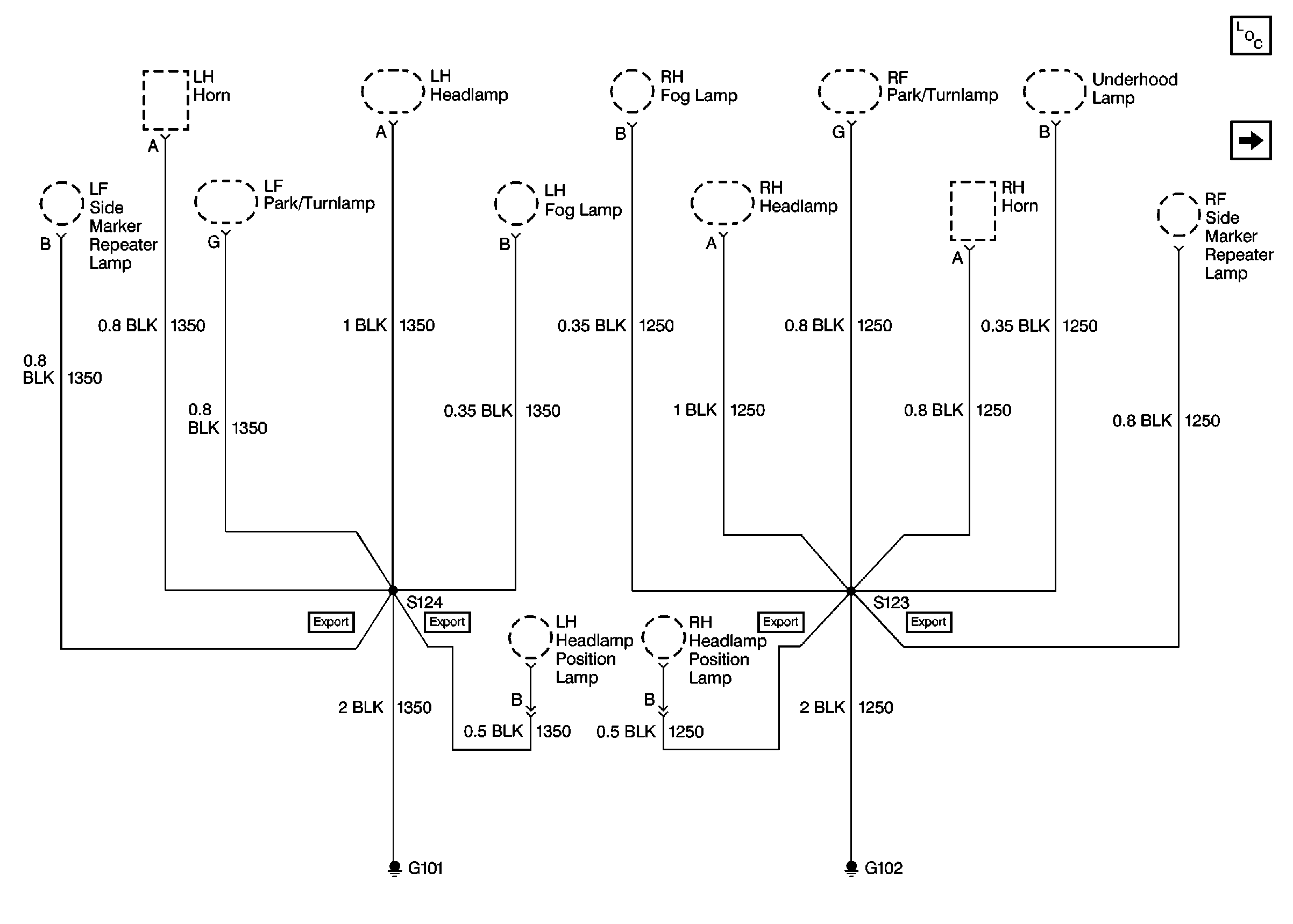
Cell 14: G117
Cell 14: G101, G102
Figure 3:

Cell 14: G117


Object Number: 478981  Size: FS
Power and Grounding Components
Cell 14: G200
Cell 14: G100, G11, G113
Figure 4:

Cell 14: G200


Object Number: 478986  Size: FS
Power and Grounding Components
Cell 14: G200, Blower Motor Resistor, Heater A/C Control
Cell 14: G117
Figure 5:

Cell 14: G200, Blower Motor Resistor, Heater A/C Control


Object Number: 478991  Size: FS
Power and Grounding Components
Cell 14: G200, Passkey 3 Theft Module, IP, BCM, DLC, RCDLR
Cell 14: G200
Figure 6:

Cell 14: G200, Passkey 3 Theft Module, IP, BCM, DLC, RCDLR


Object Number: 451053  Size: FS
Power and Grounding Components
Cell 14: G200 and 201
Cell 14: G200, Blower Motor Resistor, Heater A/C Control
Cell 14: G200 and 201
Figure 7:

Cell 14: G200 and 201


Object Number: 479001  Size: FS
Power and Grounding Components
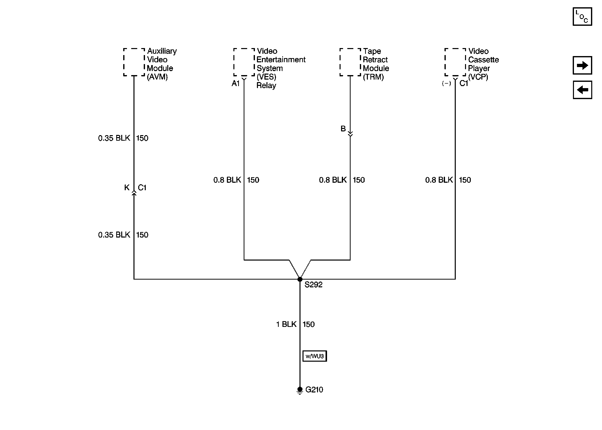
Entertainment Center Grounds G210
Cell 14: G200, Passkey 3 Theft Module, IP, BCM, DLC, RCDLR
Cell 14: G200, Passkey 3 Theft Module, IP, BCM, DLC, RCDLR
Figure 8:

Entertainment Center Grounds G210


Object Number: 479026  Size: FS
Power and Grounding Components
Cell 14: G301
Cell 14: G200 and 201
Figure 9:

Cell 14: G301


Object Number: 479005  Size: FS
Power and Grounding Components
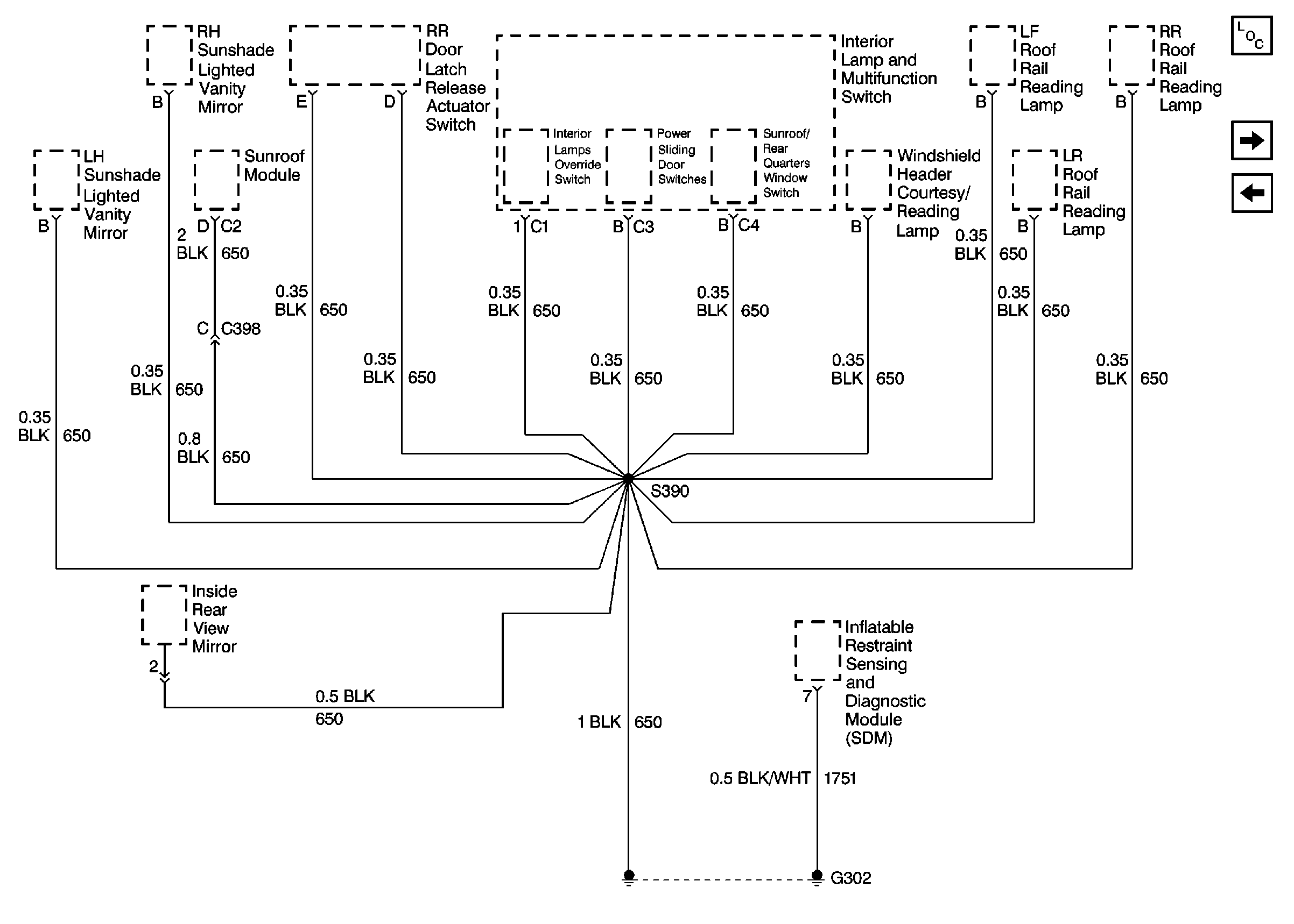
Cell 14: G302, IR SDM, Courtesy Lamps, Rear View Mirror
Entertainment Center Grounds G210
Figure 10:

Cell 14: G302, IR SDM, Courtesy Lamps, Rear View Mirror


Object Number: 479010  Size: FS
Power and Grounding Components
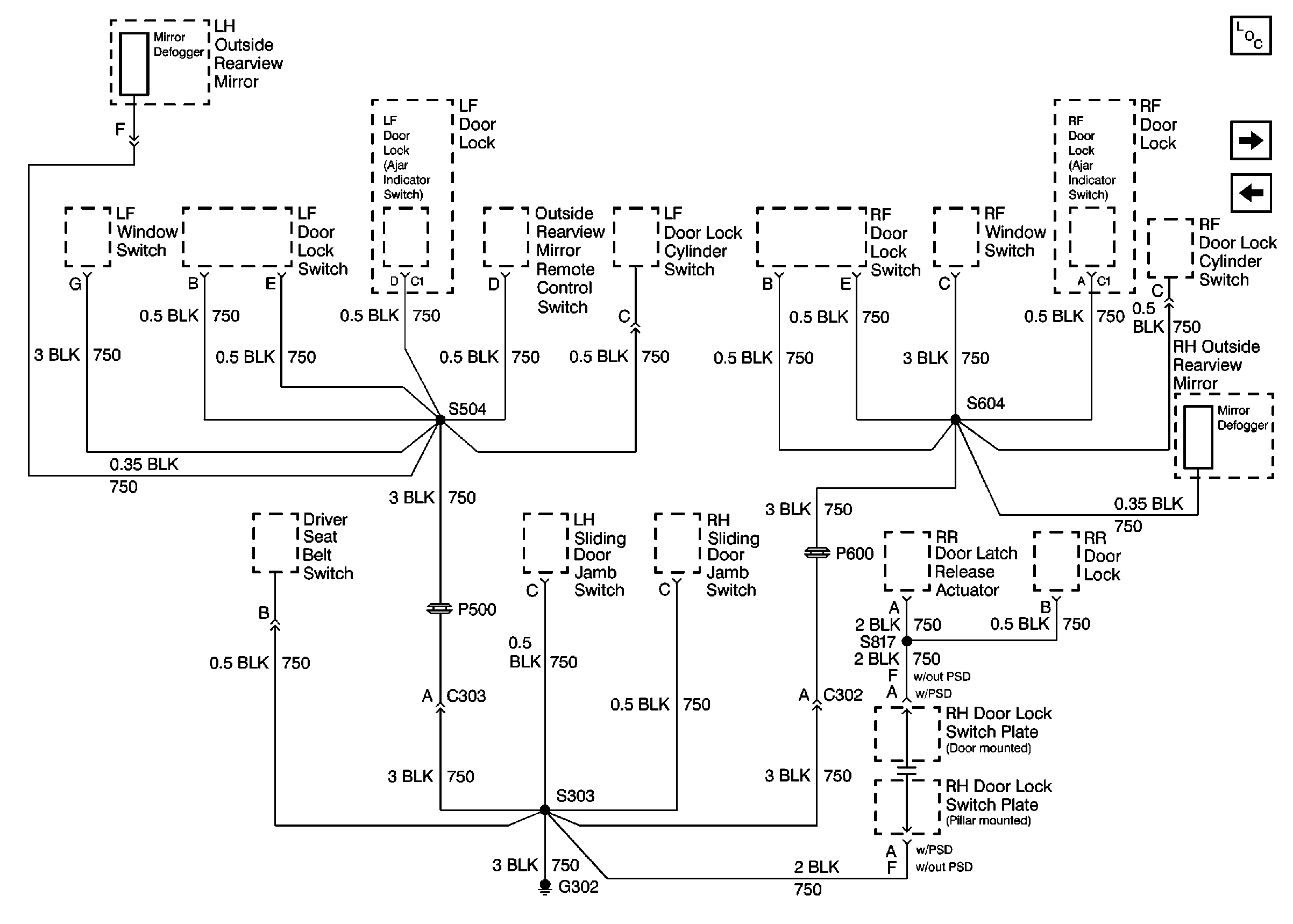
Cell 14: G302, Door Lock Switch Plates, Door Switches, Window Switches
Cell 14: G301
Figure 11:

Cell 14: G302, Door Lock Switch Plates, Door Switches, Window Switches


Object Number: 479015  Size: FS
Power and Grounding Components
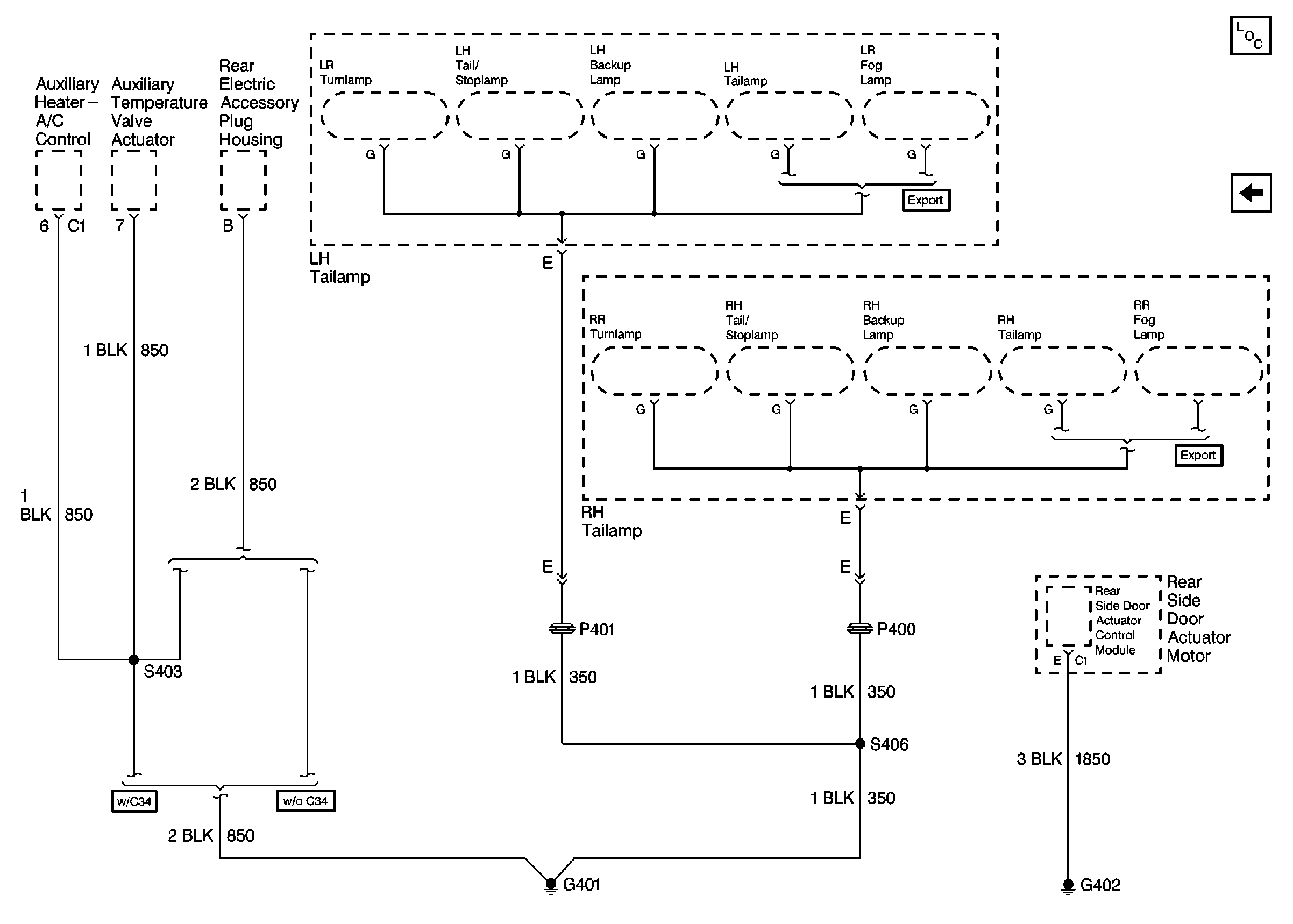
Cell 14: G401
Cell 14: G302, IR SDM, Courtesy Lamps, Rear View Mirror
Figure 12:

Cell 14: G401


Object Number: 479018  Size: FS
Power and Grounding Components
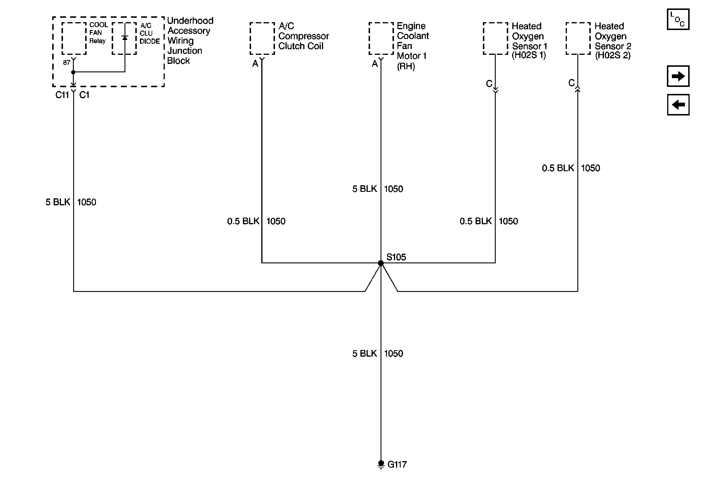
Cell 14: G401, G402
Cell 14: G302, Door Lock Switch Plates, Door Switches, Window Switches
Figure 13:

Cell 14: G401, G402


Object Number: 479020  Size: FS
Power and Grounding Components
Cell 14: G401