GM Service Manual Online
For 1990-2009 cars only

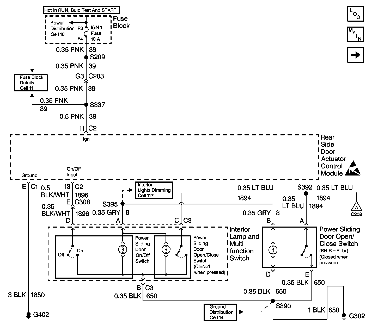
Object Number: 323696  Size: LF
Power Door Systems Components
PSD Module Control Switches
Thumbnail for PSD Diagnostic System Check (2 of 2)
Handling ESD Sensitive Parts Notice
Thumbnail for PSD Diagnostic System Check (2 of 2)
Cell 14: G302
Cell 117: Interior Lamp and Multifunction Switch, Right Rear Door Latch, Release Actuator Switch
Cell 11: IGN 1 Fuse
Cell 10: Ignition Switch, Transaxle Range Switch

Object Number: 345718  Size: LF
Power Door Systems Components
Power Sliding Door (PSD) Circuit Description
99 U-Van Thumbnail for PSD Diagnostic System Check
Cell 10: EBCM, EBTCM, Battery
Cell 10: Underhood Accessory Wiring Junction Block
Handling ESD Sensitive Parts Notice
Handling ESD Sensitive Parts Notice
Cell 11: UH: Radio Fuse
Cell 51: BCM: Ignition Input, Door Locks, Exterior Lamps Output
99 U-Van Thumbnail for PSD Diagnostic System Check

Circuit Description

The rear side door actuator control module is capable of performing diagnostics. When the Diagnostic Mode 1 is active, the rear side door actuator control module sounds DTCs through the PSD alarm. The rear side door actuator control module will not enter the Diagnostic Mode 1 when the any of the following conditions exist:

    • The PSD alarm is faulty.
    • No power or ground to the rear side door actuator control module is present.

Diagnostic Aids

    • An intermittent failure may be difficult to detect and to accurately diagnose. Faulty electrical connections or wiring causes most intermittent problems. When an intermittent condition is suspected, inspect the suspected circuits for the following conditions:
       - Poor mating of connector halves
       - Backed out terminals
       - Improperly formed or damaged terminals
       - Wire chafing
       - Poor wire-to-terminal connections
       - Dirty or corroded terminals
       - Damaged connector bodies
       - A broken wire inside the insulation
    • Use a J 35616 whenever a diagnostic procedure requests probing or inspecting a terminal. Using the J 35616 ensures that no damage to the terminal will occur. Using the J 35616 provides an estimate of whether the contact tension is sufficient.