GM Service Manual Online
For 1990-2009 cars only
Makes
🢒
Chevrolet
🢒
1998
🢒
Venture Ext.
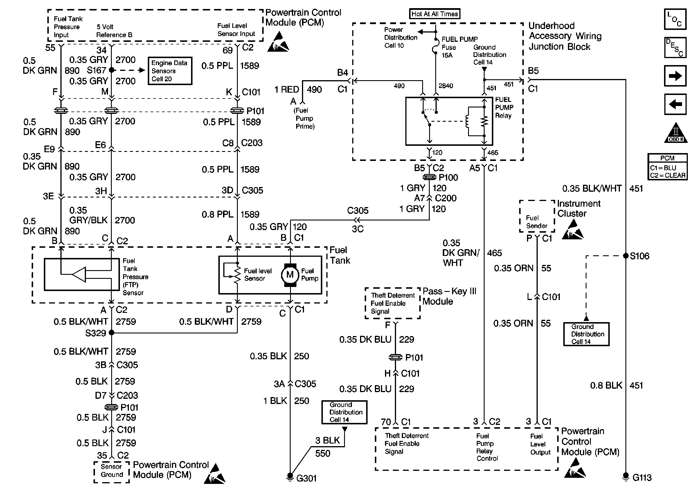
🢒 Fuel Control
Fuel Control
Fuel Control
Engine Controls Components
Powertrain Control Module Description
Fuel Injectors
Ignition System, Knock Sensor
OBD II Symbol Description Notice
Engine Controls Connector End Views