GM Service Manual Online
For 1990-2009 cars only
Makes
🢒
Chevrolet
🢒
1998
🢒
Venture Ext.
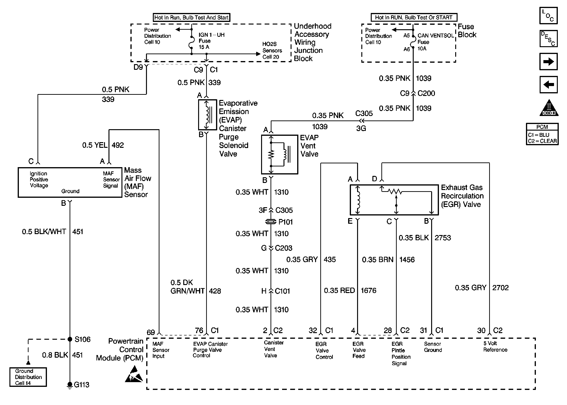
🢒 Engine Data Sensors, MAF, EVAP Switch, EVAP Valve, EGR
Engine Data Sensors, MAF, EVAP Switch, EVAP Valve, EGR
Engine Data Sensors, MAF, EVAP Switch, EVAP Valve, EGR
Engine Controls Components
Powertrain Control Module Description
Engine Data Sensors, HO2S1, HO2S2
Engine Data Sensors, A/C Refrig Press, TP, MAP, ECT, IAT
OBD II Symbol Description Notice
Engine Controls Connector End Views
Cell 10: Underhood Accessory Wiring Junction Block
Engine Data Sensors, HO2S1, HO2S2
Cell 10: Ignition Switch, Transaxle Range Switch
Cell 14: G100, G111 and G113
ESD Notice