GM Service Manual Online
For 1990-2009 cars only
Makes
🢒
Chevrolet
🢒
1998
🢒
Venture Ext.
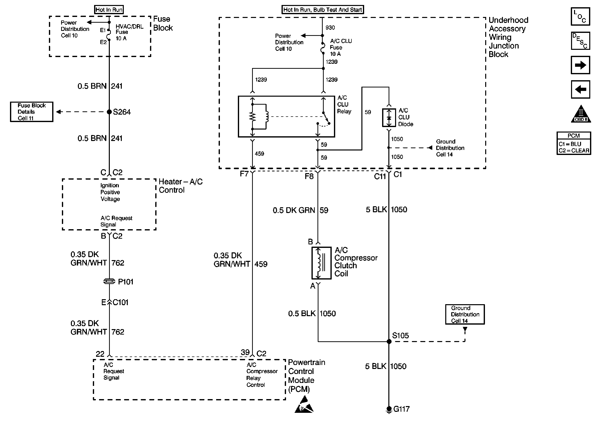
🢒 A/C Compressor Controls
A/C Compressor Controls
A/C Compressor Controls
Engine Controls Components
Powertrain Control Module Description
Coolant Fans
Indicator Lamps
OBD II Symbol Description Notice
Engine Controls Connector End Views
Cell 10: Ignition Switch
Cell 11: FRT HVAC Low/Med BLWR, HVAC/DRL, PWR QTR VENT, RR HVAC
ESD Notice
Cell 14: G117
Cell 10: Underhood Accessory Wiring Junction Block
Cell 14: G117