GM Service Manual Online
For 1990-2009 cars only

Intake Manifold Cleaning and Inspection Lower

Tools Required

J 21882 Oil Suction Pipe Installer


    Object Number: 54962  Size: SH
  1. Remove the engine coolant temperature sensor.

  2. Object Number: 69942  Size: SH
  3. Remove the intake manifold coolant pipe bolt.
  4. Remove the intake manifold coolant pipe.

  5. Object Number: 314535  Size: SH
  6. Clean the intake manifold gasket mating surfaces.
  7. Clean the fuel injector bores.
  8. Inspect the threaded holes for damage.
  9. Inspect the intake manifold mating surfaces for damage.
  10. Repair or replace the intake manifold as necessary.


    Object Number: 69939  Size: SH
  11. Apply sealant GM P/N 12345493 to the end of a new intake manifold coolant pipe.
  12. Install the intake manifold coolant pipe using the J 21882 .
  13. Notice: Use the correct fastener in the correct location. Replacement fasteners must be the correct part number for that application. Fasteners requiring replacement or fasteners requiring the use of thread locking compound or sealant are identified in the service procedure. Do not use paints, lubricants, or corrosion inhibitors on fasteners or fastener joint surfaces unless specified. These coatings affect fastener torque and joint clamping force and may damage the fastener. Use the correct tightening sequence and specifications when installing fasteners in order to avoid damage to parts and systems.

  14. Install the intake manifold coolant pipe bolt.
  15. Tighten
    Tighten the intake manifold coolant pipe bolt to 10 N·m (89 lb in).


    Object Number: 54962  Size: SH
  16. Apply sealant GM P/N 12346004 or equivalent to the threads of the engine coolant temperature sensor.
  17. Install the engine coolant temperature sensor.
  18. Tighten
    Tighten the engine coolant temperature sensor to 23 N·m (17 lb ft).

Intake Manifold Cleaning and Inspection Upper


    Object Number: 315717  Size: SH
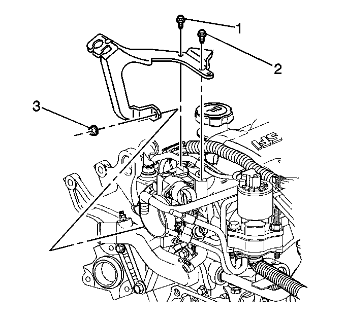
  1. Remove the accelerator control cable bracket bolts (1,2) and the nut (3).
  2. Remove the accelerator control cable bracket.

  3. Object Number: 61855  Size: SH
  4. Remove the throttle body bolt and stud.
  5. Remove the throttle body.
  6. Remove the throttle body gasket.

  7. Object Number: 315705  Size: SH
  8. Clean the intake manifold gasket surfaces.
  9. Clean the intake manifold bolts and studs.
  10. Inspect the intake manifold mating surfaces for nicks or cracks.
  11. Replace the intake manifold if damaged.


    Object Number: 61855  Size: SH
  12. Install the throttle body gasket.
  13. Install the throttle body.
  14. Notice: Use the correct fastener in the correct location. Replacement fasteners must be the correct part number for that application. Fasteners requiring replacement or fasteners requiring the use of thread locking compound or sealant are identified in the service procedure. Do not use paints, lubricants, or corrosion inhibitors on fasteners or fastener joint surfaces unless specified. These coatings affect fastener torque and joint clamping force and may damage the fastener. Use the correct tightening sequence and specifications when installing fasteners in order to avoid damage to parts and systems.

  15. Install the throttle body bolt and stud.
  16. Tighten
    Tighten the throttle body bolt and stud to 25 N·m (18 lb ft).


    Object Number: 315717  Size: SH
  17. Install the accelerator control cable bracket.
  18. Install the accelerator control cable bracket bolts and nut.
  19. Tighten
    Tighten the accelerator control cable bracket bolts in sequence (3,2,1) to 10 N·m (89 lb in).