GM Service Manual Online
For 1990-2009 cars only
Makes
🢒
Chevrolet
🢒
1999
🢒
Venture Ext.
🢒
Engine
🢒
Engine Electrical
🢒 Starting and Charging Schematics
Figure
1:
Starting
Engine Electrical Components
Charging System Circuit Description
Charging Schematic 98 U Van
SIR Caution
Cell 10: Ignition Switch, Transaxle Range Switch
Cell 10: Ignition Switch, Transaxle Range Switch
Cell 14: G100, G111 and G113
Cell 14: G100, G111 and G113
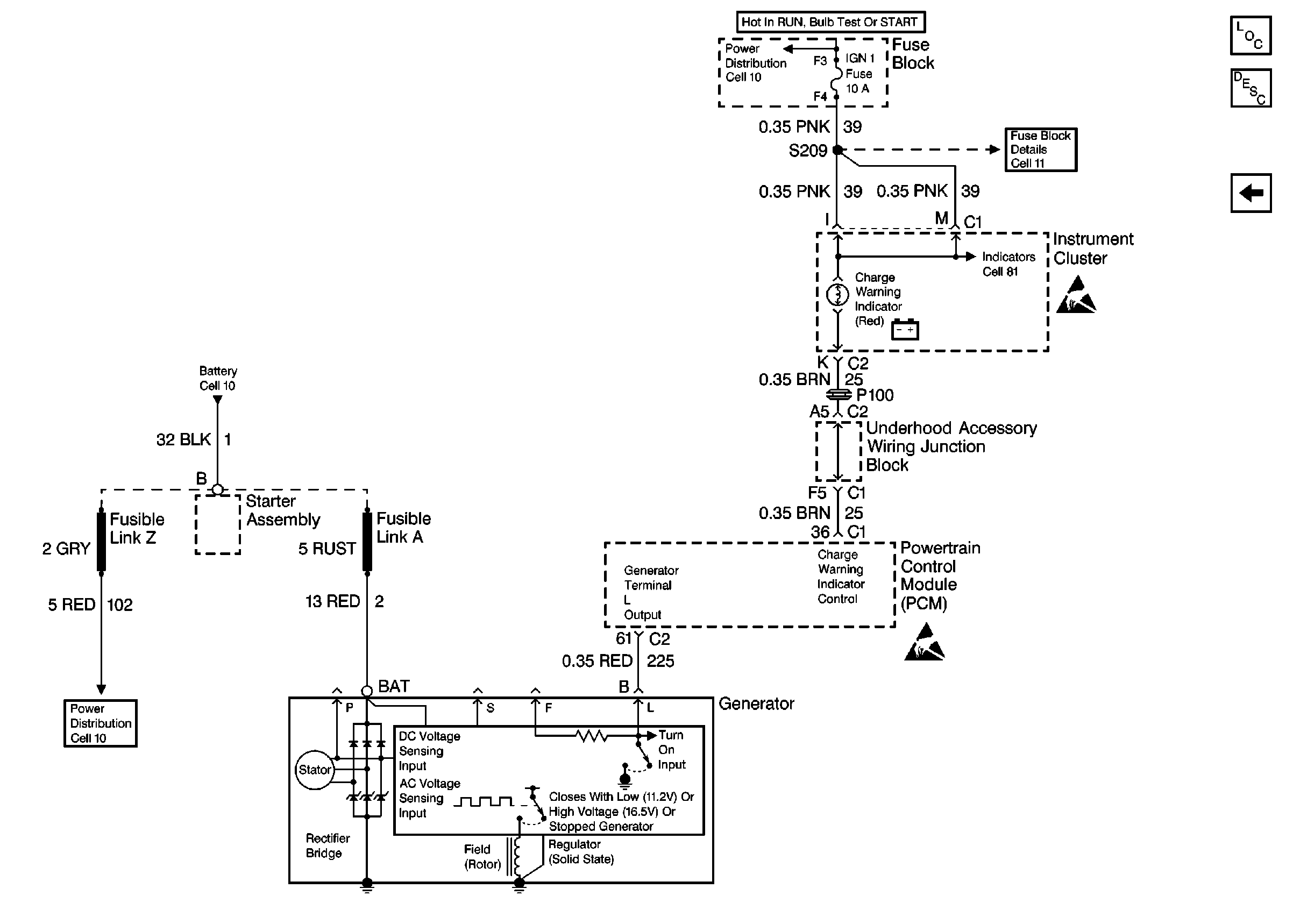
Figure
2:
Charging
Engine Electrical Components
Charging System Circuit Description
Starter Schematic 98 U Van
ESD Notice
ESD Notice
Cell 10: Ignition Switch, Transaxle Range Switch
Cell 11: IGN 1 Fuse
Cell 10: EBCM, EBTCM, Battery
Cell 10: EBCM, EBTCM, Battery