GM Service Manual Online
For 1990-2009 cars only
Makes
🢒
Chevrolet
🢒
1999
🢒
Venture Ext.
🢒
Brakes
🢒
Hydraulic Brakes
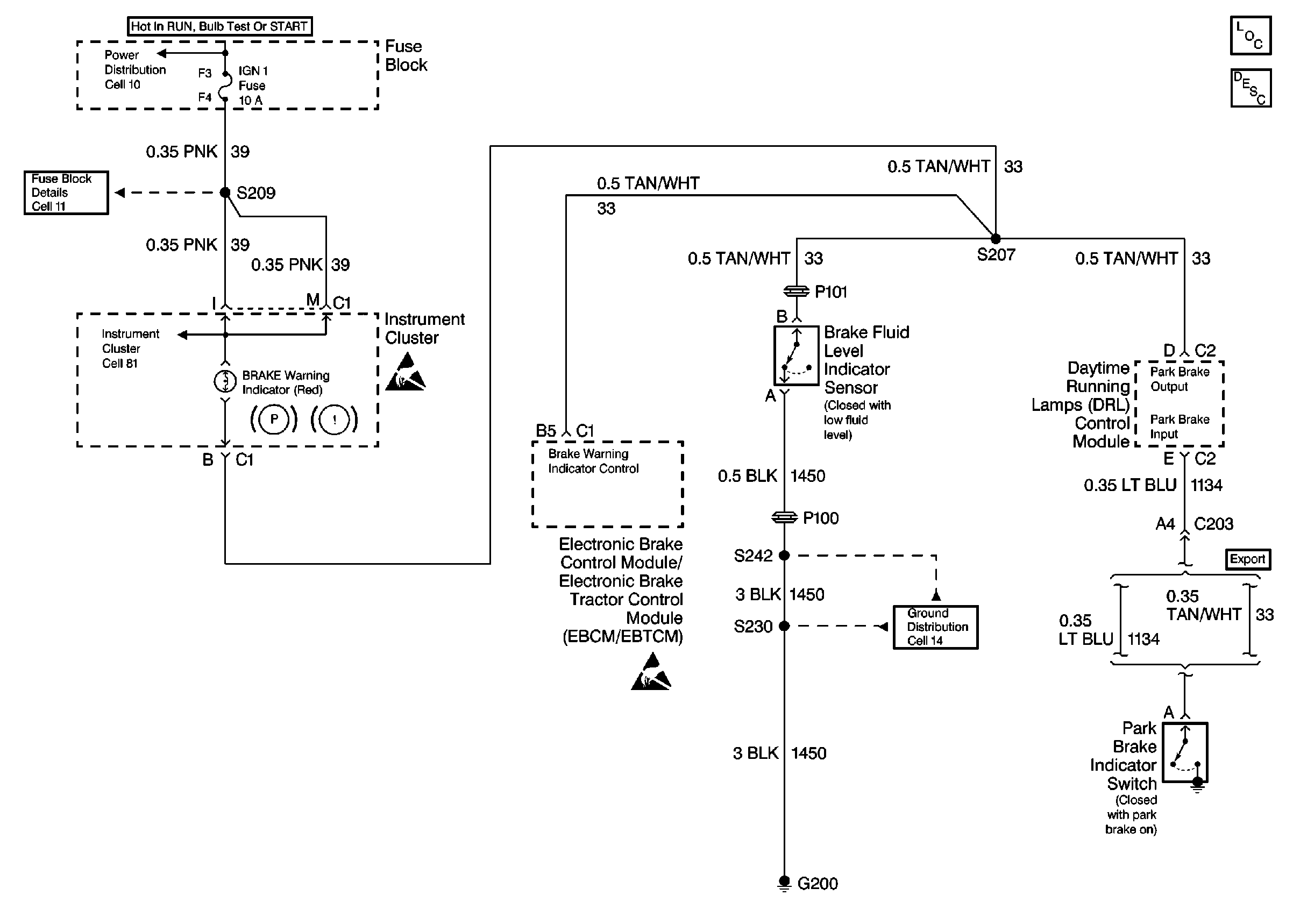
🢒 Brake Warning System Schematics
Cell 10: Ignition Switch, Transaxle Range Switch
Cell 11: IGN 1 Fuse
Hydraulic Brakes Components
Brake Warning System Operation
Cell 14: G200
ESD Notice
ESD Notice