GM Service Manual Online
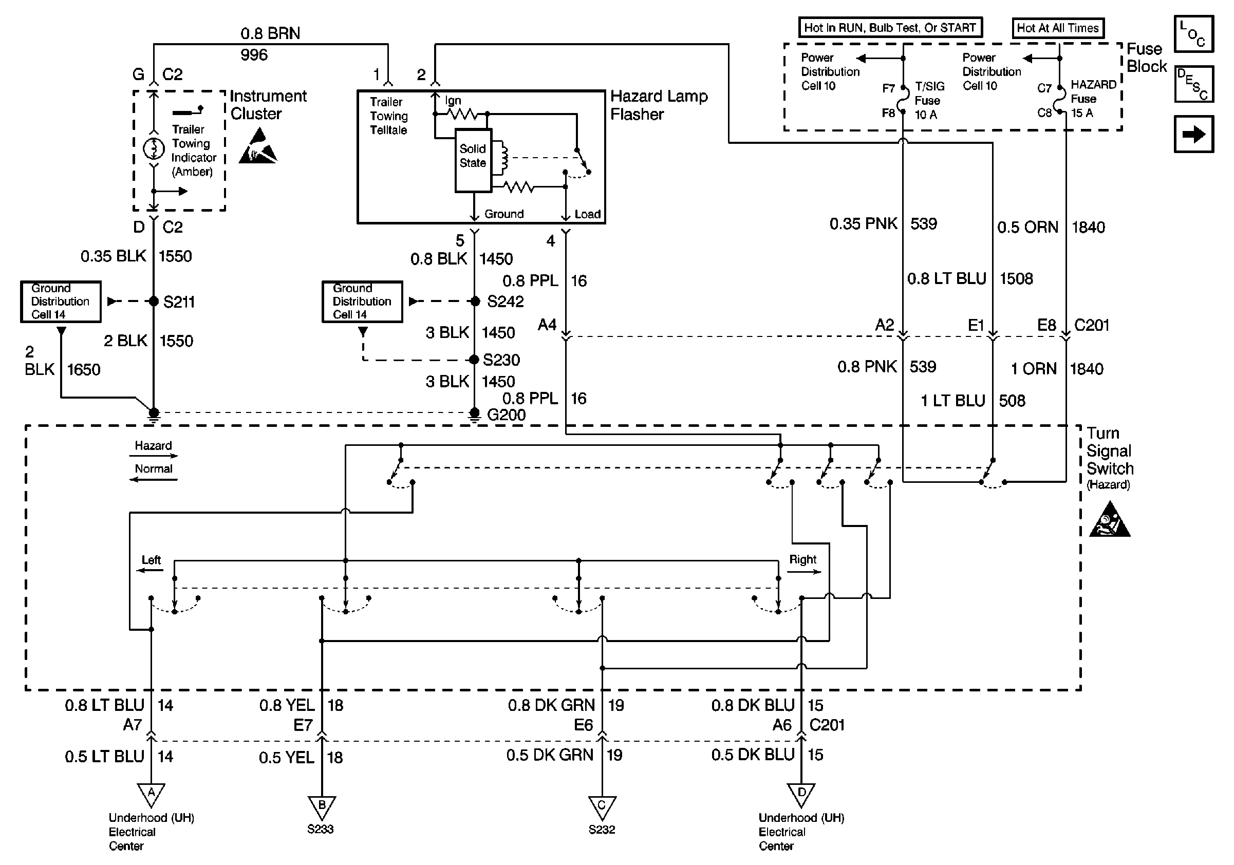
For 1990-2009 cars only
Figure 1:

Cell 110: Hazard Lamp/Turn Signal Flasher, Turn Signal Switch


Object Number: 323601  Size: FS
Lighting Systems Components
Exterior Lights Circuit Description
Cell 110: Stoplamp Switch, Center High Mounted Stop Lamp
SIR Handling Caution
Cell 14: G200
Cell 110: DRL Ambient Light Sensor, DRL Control Module
Cell 110: DRL Ambient Light Sensor, DRL Control Module
Cell 110: Taillamps, Side Markers, Park/Turn Lamps
Cell 110: Taillamps, Side Markers, Park/Turn Lamps
Figure 2:

Cell 110: Stoplamp Switch, Center High Mounted Stop Lamp


Object Number: 323604  Size: FS
Lighting Systems Components
Exterior Lights Circuit Description
Cell 110: Taillamps, Side Markers, Park/Turn Lamps
Cell 110: Hazard Lamp/Turn Signal Flasher, Turn Signal Switch
Cell 34
ABS/TCS Schematics ( ABS Module, DLC, Ground, Instrument Cluster, PCM, Power, Stop Lamp Switch)
Cell 14: G401
Cell 110: Fuse Block and G401
Figure 3:

Cell 110: Taillamps, Side Markers, Park/Turn Lamps


Object Number: 323606  Size: FS
Lighting Systems Components
Exterior Lights Circuit Description
Cell 110: License Lamps, Relay Center
Cell 110: Stoplamp Switch, Center High Mounted Stop Lamp
Cell 110: Hazard Lamp/Turn Signal Flasher, Turn Signal Switch
Cell 110: Hazard Lamp/Turn Signal Flasher, Turn Signal Switch
Cell 110: Fuse Block and G401
Cell 110: Fuse Block and G401
Cell 110: License Lamps, Relay Center
Cell 14: G200
Cell 14: G401 and G402
Cell 14: G101 and G102
Cell 14: G401 and G402
Handling ESD Sensitive Parts Notice
Figure 4:

Cell 110: License Lamps, Relay Center


Object Number: 323613  Size: FS
Lighting Systems Components
Exterior Lights Circuit Description
Cell 110: DRL Ambient Light Sensor, DRL Control Module
Cell 110: Taillamps, Side Markers, Park/Turn Lamps
Handling ESD Sensitive Parts Notice
Cell 110: Taillamps, Side Markers, Park/Turn Lamps
Cell 103
Cell 110: Fuse Block and G401
Cell 14: G401
Figure 5:

Cell 110: DRL Ambient Light Sensor, DRL Control Module


Object Number: 323616  Size: FS
Lighting Systems Components
Exterior Lights Circuit Description
Cell 110: Fuse Block and G401
Cell 110: License Lamps, Relay Center
Cell 11: FRT HVAC Low/Med BLWR, HVAC/DRL, PWR QTR VENT, RR HVAC
Cell 110: Hazard Lamp/Turn Signal Flasher, Turn Signal Switch
Cell 81: Inflatable Restraint Sensing and SDM
Cell 14: G200
Cell 14: G101 and G102
Cell 11: FRT HVAC Low/Med BLWR, HVAC/DRL, PWR QTR VENT, RR HVAC
Figure 6:

Cell 110: Fuse Block and G401


Object Number: 323620  Size: FS
Lighting Systems Components
Exterior Lights Circuit Description
Cell 110: DRL Ambient Light Sensor, DRL Control Module
Cell 14: G401
Cell 14: G401
Cell 11: Cigar/DLC, CTSY Lamp, ELC, FRT PWR SCKT, PWR Mirror and RR Defog Fuses
Cell 110: License Lamps, Relay Center
Cell 110: Taillamps, Side Markers, Park/Turn Lamps
Cell 110: Taillamps, Side Markers, Park/Turn Lamps
Cell 110: Stoplamp Switch, Center High Mounted Stop Lamp
Figure 7:

Export Hazard Lamp/Turn Signal Flasher/Turn Signal Switch


Object Number: 489418  Size: FS
Lighting Systems Components
Exterior Lights Circuit Description
Export Turn and Side Marker Lamps
Cell 14: G200
Export Turn and Side Marker Lamps
Cell 14: G200
Figure 8:

Export Turn and Side Marker Lamps


Object Number: 489422  Size: FS
Lighting Systems Components
Exterior Lights Circuit Description
Export Headlamp Position Lamps/License Lamps
Export Hazard Lamp/Turn Signal Flasher/Turn Signal Switch
Export Hazard Lamp/Turn Signal Flasher/Turn Signal Switch
Export Hazard Lamp/Turn Signal Flasher/Turn Signal Switch
Export Trailer Wiring Harness
Export Trailer Wiring Harness
Cell 14: G401 and G402
Cell 14: G200
Cell 14: G401 and G402
Cell 14: G101 and G102
Cell 14: G101 and G102
Figure 9:

Export Headlamp Position Lamps/License Lamps


Object Number: 489419  Size: FS
Lighting Systems Components
Exterior Lights Circuit Description
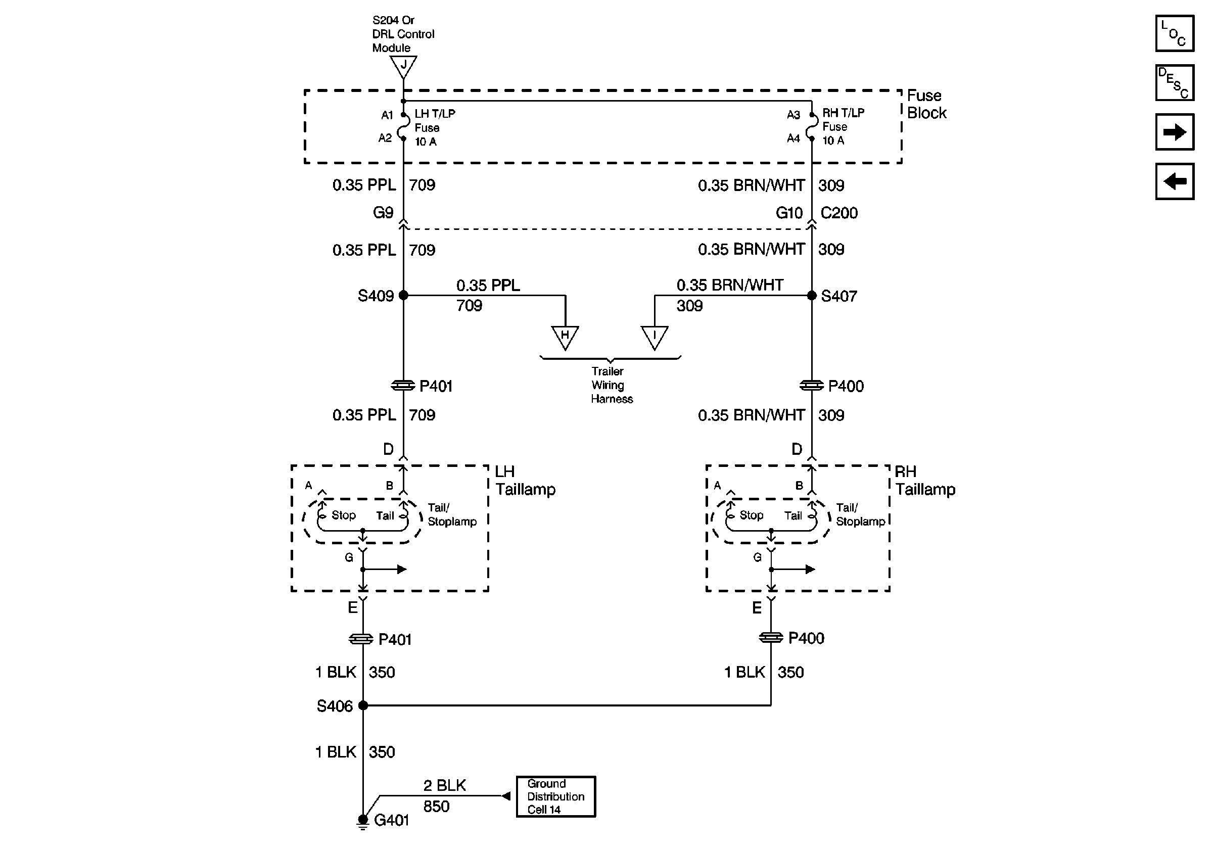
Export Taillamps
Export Turn and Side Marker Lamps
Cell 51: BCM: Interior Lamps On Request, Horn Control, Fuel Enable Output
Cell 14: G101 and G102
Cell 14: G401
Export Taillamps
Figure 10:

Export Taillamps


Object Number: 489420  Size: FS
Lighting Systems Components
Exterior Lights Circuit Description
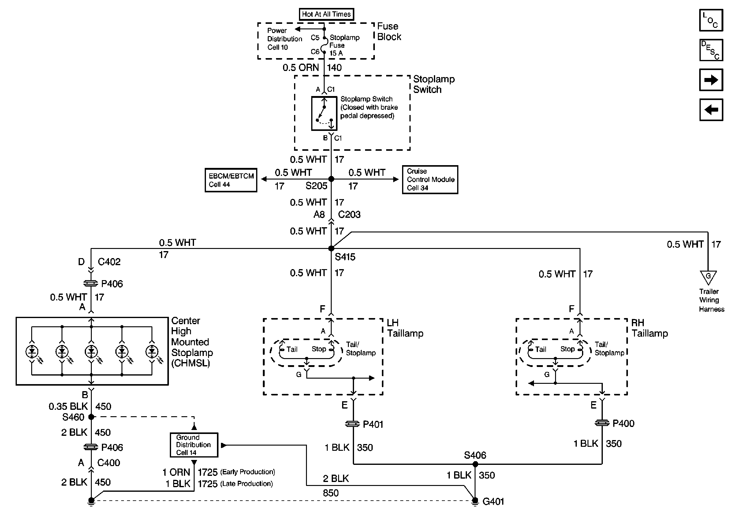
Export Stoplamps and CHMSL
Export Headlamp Position Lamps/License Lamps
Export Trailer Wiring Harness
Cell 14: G401 and G402
Figure 11:

Export Stoplamps and CHMSL


Object Number: 489421  Size: FS
Lighting Systems Components
Exterior Lights Circuit Description
Export Trailer Wiring Harness
Export Taillamps
ABS/TCS Schematics ( ABS Module, DLC, Ground, Instrument Cluster, PCM, Power, Stop Lamp Switch)
Cell 34
Export Trailer Wiring Harness
Cell 14: G401
Figure 12:

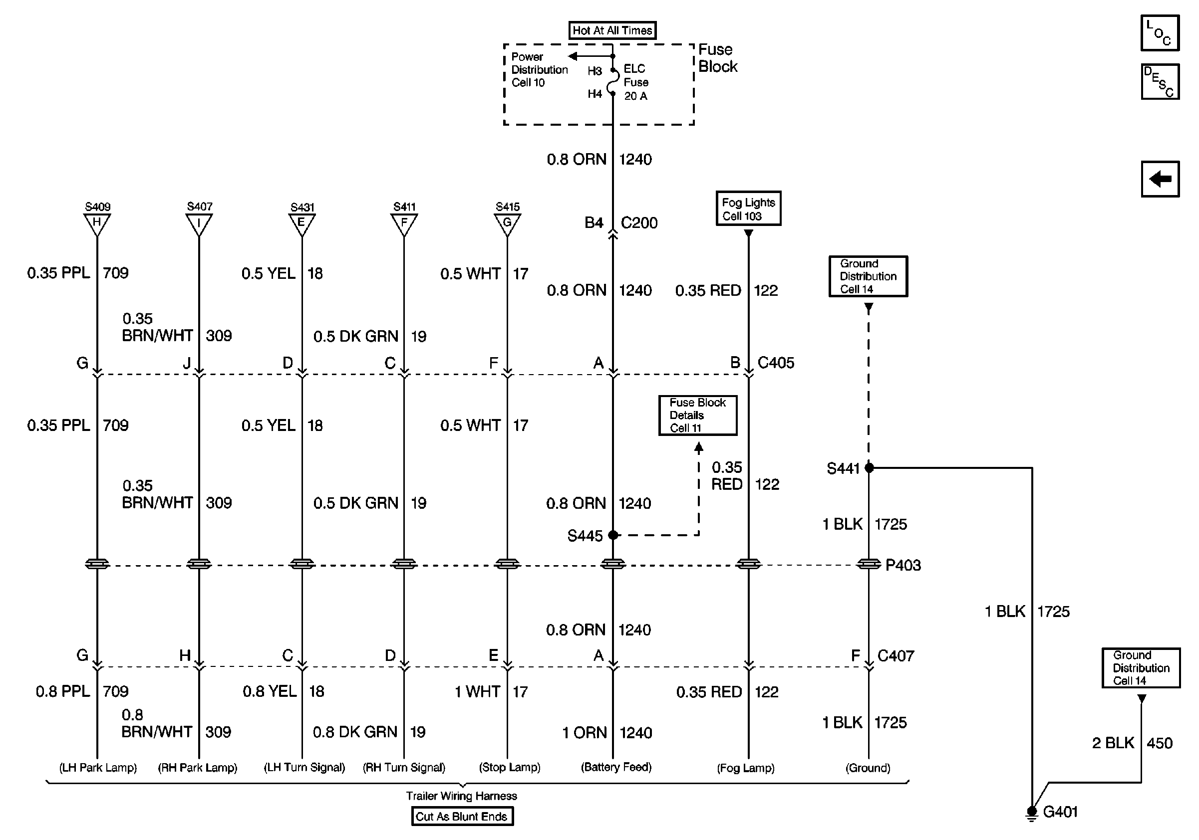
Export Trailer Wiring Harness


Object Number: 489423  Size: FS
Lighting Systems Components
Exterior Lights Circuit Description
Export Stoplamps and CHMSL
Export Taillamps
Export Turn and Side Marker Lamps
Export Stoplamps and CHMSL
Rear Fog Lights - Export 1 of 2
Cell 14: G401
Cell 14: G401
Cell 11: Cigar/DLC, CTSY Lamp, ELC, FRT PWR SCKT, PWR Mirror and RR Defog Fuses