GM Service Manual Online
For 1990-2009 cars only
Makes
🢒
Chevrolet
🢒
1999
🢒
Venture Ext.
🢒
Body and Accessories
🢒
Wipers/Washer Systems
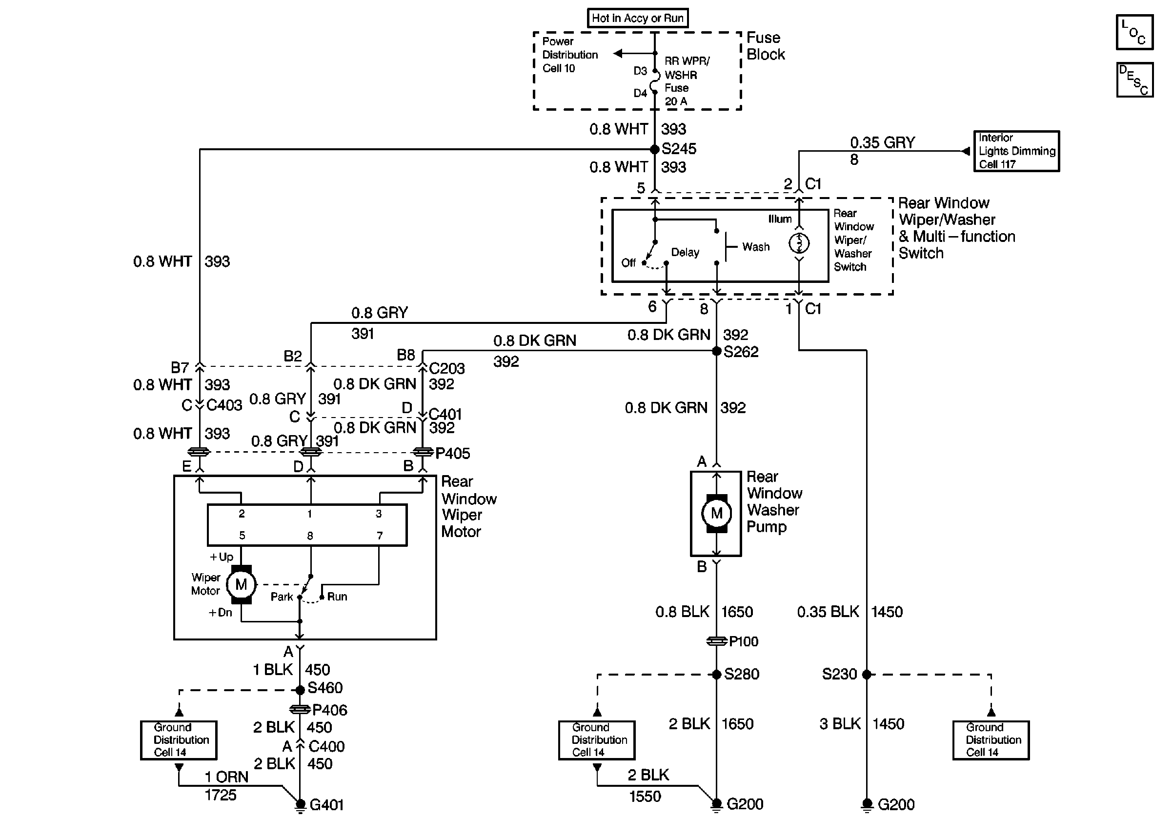
🢒 Wiper/Washer System (Rear) Schematics
Cell 92
Cell 10: Ignition Switch
Cell 117: Heater-A/C Control, Radio Control Switches and InstrumeNt Cluster
Cell 14: G200
Cell 14: G200
Cell 14: G401
Wiper/Washer System Components