GM Service Manual Online
For 1990-2009 cars only
Makes
🢒
Chevrolet
🢒
1999
🢒
Venture Ext.
🢒
Body and Accessories
🢒
Doors
🢒 Power Window Schematics
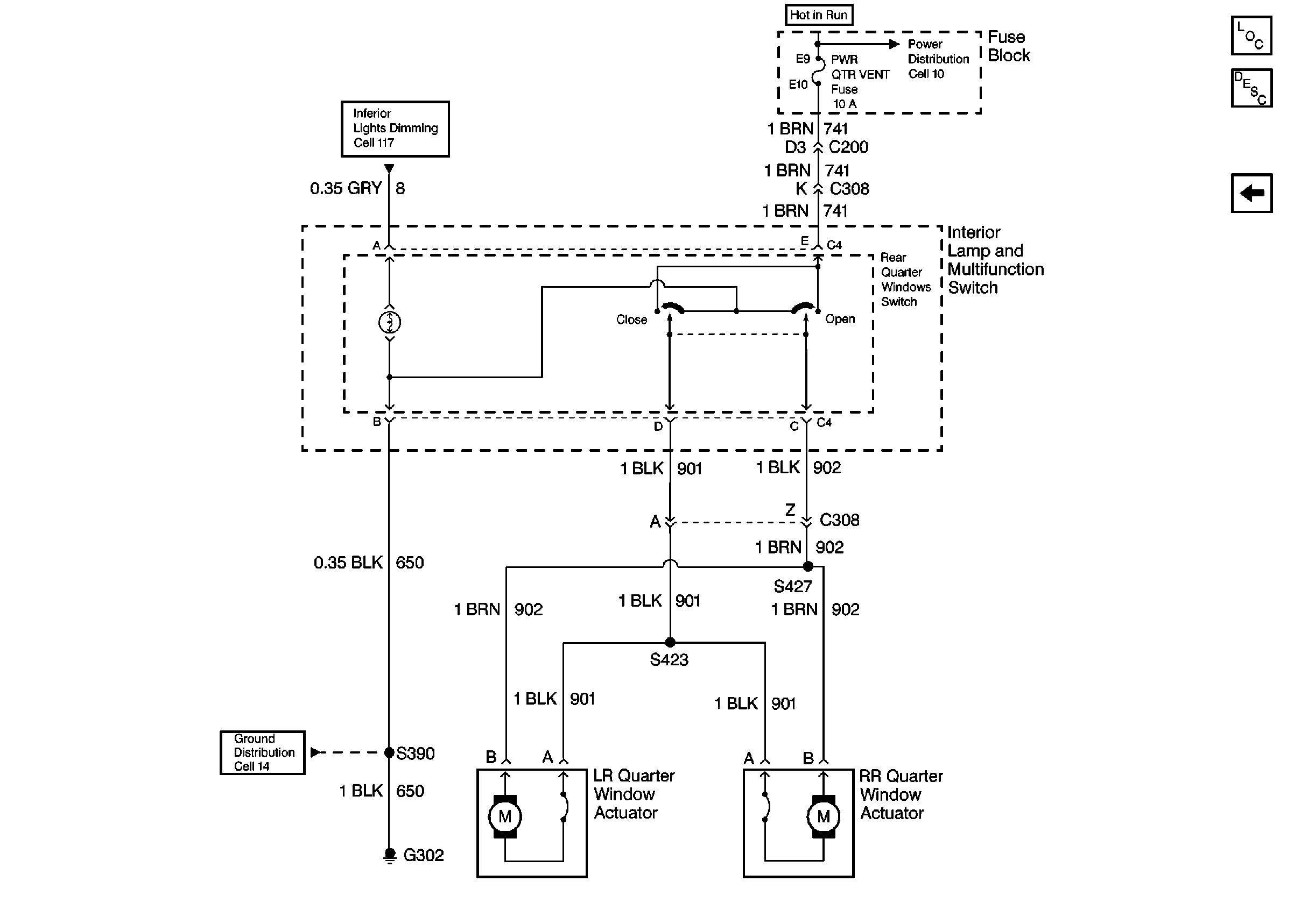
Figure
1:
Power Window Switches
Power Door Systems Components
Power Windows Circuit Description
Power Quarter Window Switch
Cell 117: Rear Window Wiper/Washer and Multifunction Switch, Window Switches, Door Lock Switches
Cell 117: Rear Window Wiper/Washer and Multifunction Switch, Window Switches, Door Lock Switches
Cell 14: G302
Cell 14: G302
Cell 14: G302
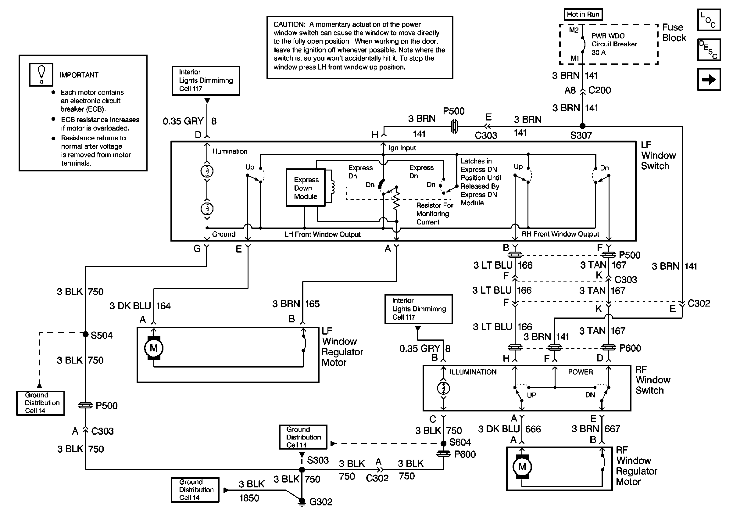
Figure
2:
Power Quarter Window Switch
Power Door Systems Components
Power Windows Circuit Description
Power Window Switches
Cell 11: FRT HVAC Low/Med BLWR, HVAC/DRL, PWR QTR VENT, RR HVAC
Cell 117: Interior Lamp and Multifunction Switch, Right Rear Door Latch, Release Actuator Switch
Cell 14: G302