GM Service Manual Online
For 1990-2009 cars only
Makes
🢒
Chevrolet
🢒
1999
🢒
Venture Ext.
🢒 Horns
Horns
Horns
Horns Components
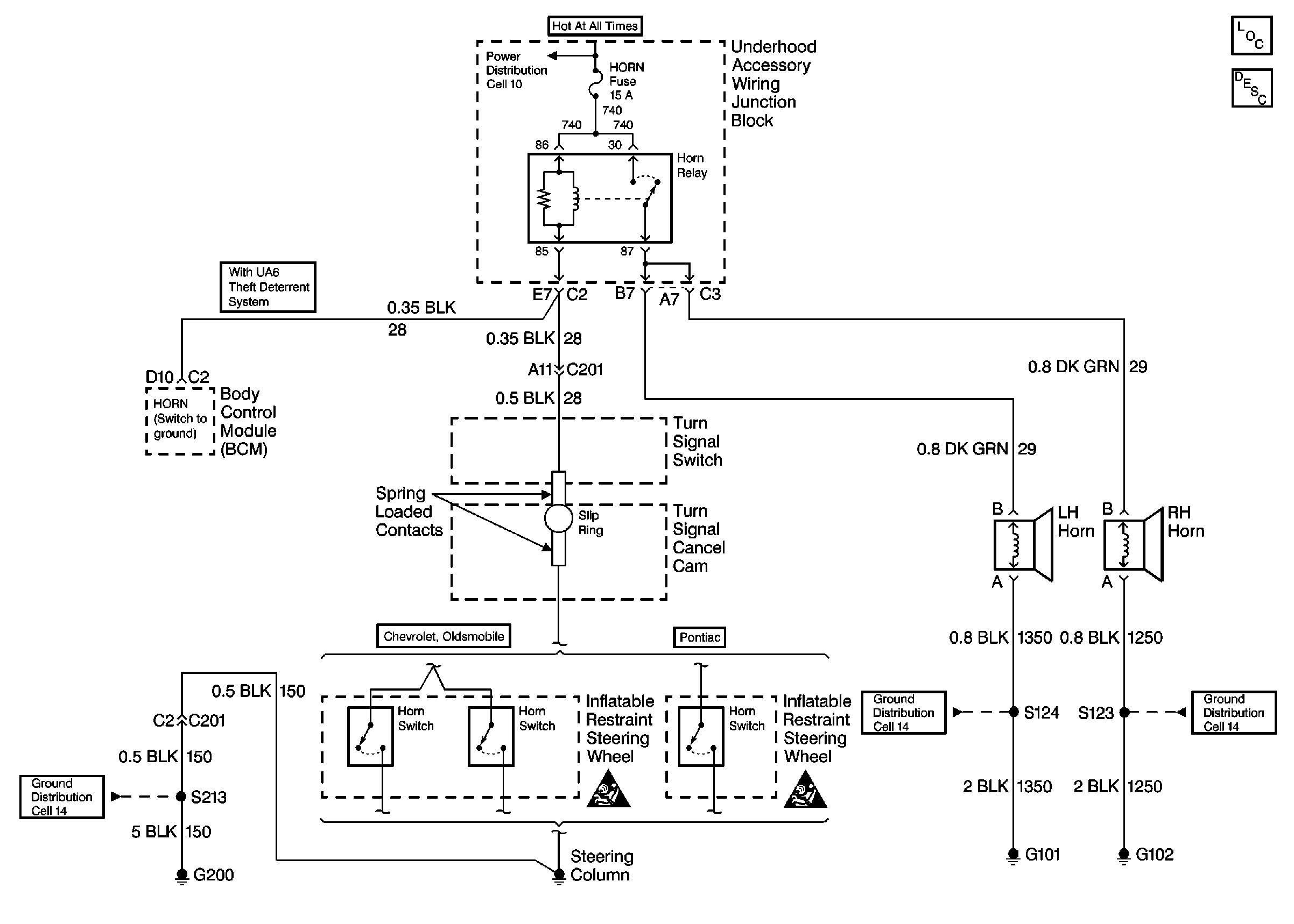
Horns Circuit Description
Cell 14: G101 and G102
Cell 14: G200
SIR Caution
SIR Caution
Horns Circuit Description
Cell 10: Underhood Accessory Wiring Junction Block