GM Service Manual Online
For 1990-2009 cars only
Makes
🢒
Chevrolet
🢒
1999
🢒
Venture Ext.
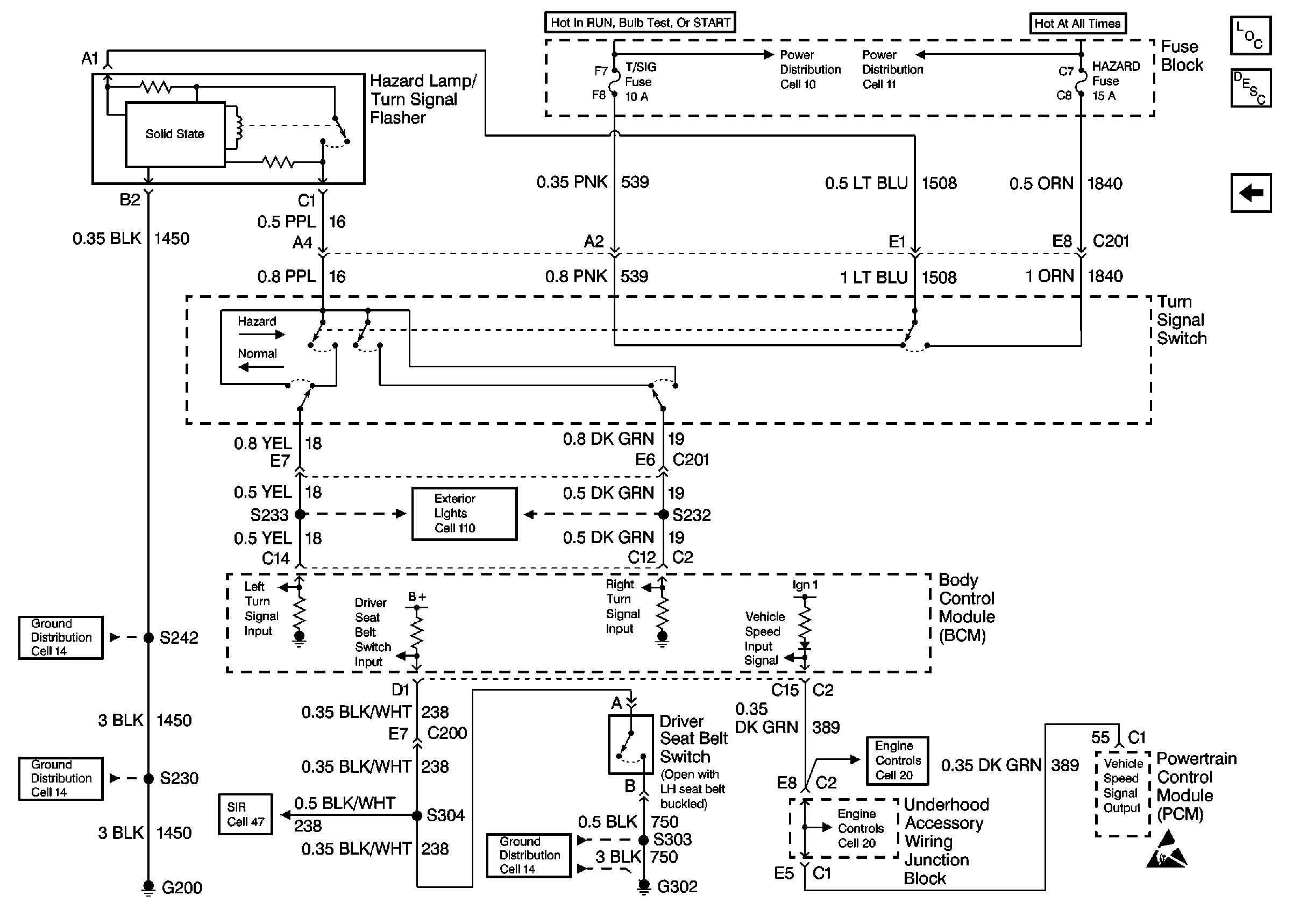
🢒 Cell 76: Turn Signal Switch, Seat Belt Switch
Cell 76: Turn Signal Switch, Seat Belt Switch
Cell 76: Turn Signal Switch, Seat Belt Switch
Instrument Cluster Components
Audible Warnings Circuit Description
Cell 76: Instrument Cluster, LF Door Lock, Ignition Key Alarm Switch
Cell 10: Ignition Switch, Transaxle Range Switch
Cell 10: Fuse Block, Underhood Accessory Wiring Junction Block
Cell 14: G302
Cell 14: G200
Cell 14: G200
SIR Schematics
Cell 110: Taillamps, Side Markers, Park/Turn Lamps
Handling ESD Sensitive Parts Notice