GM Service Manual Online
For 1990-2009 cars only

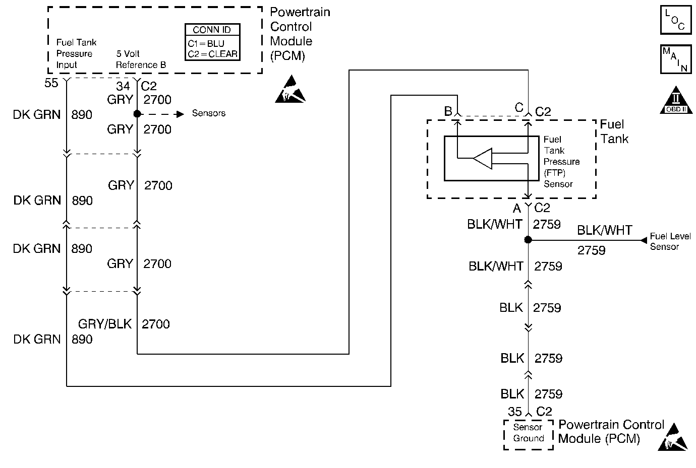
Object Number: 411518  Size: MF
Engine Controls Components
Engine Data Sensors-MAF, EVAP Vent, EVAP Purge, EGR
OBD II Symbol Description Notice
Handling ESD Sensitive Parts Notice
Handling ESD Sensitive Parts Notice

Circuit Description

The PCM monitors the fuel tank pressure sensor signal to detect vacuum decay and excess vacuum during the enhanced EVAP diagnostic. The fuel tank pressure sensor measures the difference between the air pressure (or vacuum) in the tank and the outside air pressure. The PCM applies a 5.0 volt reference and ground to the sensor. The sensor will return a signal voltage between 0.1 and 4.9 volts. If the PCM detects a fuel tank pressure sensor signal that is excessively low, DTC P0452 will set.

Conditions for Running the DTC

The ignition is ON.

Conditions for Setting the DTC

    •  The fuel tank pressure sensor signal is less than 0.3 volts.
    •  The conditions is present for 1 second.

Action Taken When the DTC Sets

    •  The PCM will illuminate the MIL during the second consecutive trip in which the diagnostic test has been run and failed.
    •  The PCM will store conditions which were present when the DTC set as Freeze Frame and Fail Records data.

Conditions for Clearing the MIL/DTC

    •  The PCM will turn the MIL OFF during the third consecutive trip in which the diagnostic has been run and passed.
    •  The history DTC will clear after 40 consecutive warm-up cycles have occurred without a malfunction.
    •  The DTC can be cleared by using the scan tool Clear Info function or by disconnecting the PCM battery feed.

Diagnostic Aids

Check for the following condition(s):

    •  Poor connection at the PCM or Fuel Tank Pressure Sensor.
         Inspect harness connectors for backed out terminals, improper mating broken locks, improperly formed or damaged terminals, and poor terminal to wire conneciton.
    •  Damaged harness.
         Inspec the wiring harness for damage. If the harness appears to be OK, observe the Fuel Tank Pressure Sensor display on the scan tool while moving connectors and wiring related to the sensor. A change in the display will indicate the location of the malfunction.

Test Description

Number(s) below refer to the step number(s) on the Diagnostic Table:

  1. This vehicle is equipped with a PCM which utilizes an Electrically Erasable Programmable Read Only Memory (EEPROM). When the PCM is being replaced, the new PCM must be programmed. Refer to Powertrain Control Module Replacement/Programming .

DTC P0452 Fuel Tank Pressure Sensor Circuit Low Voltage

Step

Action

Value(s)

Yes

No

1

Was the Powertrain OBD System Check performed?

--

Go to Step 2

Go to the Powertrain On Board Diagnostic (OBD) System Check

2

  1. Turn the ignition on, engine not running.
  2. Observe fuel tank pressure sensor voltage displayed on the scan tool.

Is the fuel tank pressure sensor voltage less than the specified value?

0.3V

Go to Step 4

Go to Step 3

3

  1. Review and record scan tool Fail Records data.
  2. Clear DTCs.
  3. Operate the vehicle within fail records conditions.
  4. Monitor specific DTC info for DTC P0452.

Does the scan tool indicate DTC P0452 failed this ign?

--

Go to Step 4

Go to Diagnostic Aids

4

  1. Disconnect the fuel tank pressure sensor electrical connector.
  2. Connect a jumper between the fuel tank pressure signal circuit and the 5 volt reference A circuit at the fuel tank pressure sensor harness connector.
  3. Observe fuel tank pressure sensor voltage displayed on the scan tool.

Is fuel tank pressure sensor voltage near the specified value?

5.0V

Go to Step 8

Go to Step 5

5

Using a J 39200 Digital Multimeter, measure voltage between the 5 volt reference A circuit and the sensor ground circuit at the fuel tank pressure sensor harness connector.

Is voltage near the specified value?

5V

Go to Step 9

Go to Step 6

6

  1. Turn OFF the ignition switch.
  2. Disconnect the PCM.
  3. Check the 5 volt reference A circuit for a poor terminal connection at the PCM.
  4. If a problem is found, repair as necessary. Refer to Wiring Repairs .

Was a problem found?

--

Go to Step 13

Go to Step 7

7

  1. Check the 5 volt reference A circuit between the fuel tank pressure sensor and the PCM for an open, short to ground, or short to the sensor ground circuit.
  2. If a problem is found, repair as necessary. Refer to Wiring Repairs .

Was a problem found?

--

Go to Step 13

Go to Step 12

8

  1. Check for poor terminal connections at the fuel tank pressure sensor connector.
  2. If a problem is found, repair as necessary. Refer to Wiring Repairs .

Was a problem found?

--

Go to Step 13

Go to Step 11

9

  1. Turn OFF the ignition switch.
  2. Disconnect the PCM.
  3. Check the fuel tank pressure sensor signal circuit for a poor terminal connection at the PCM.
  4. If a problem is found, repair as necessary. Refer to Wiring Repairs .

Was a problem found?

--

Go to Step 13

Go to Step 10

10

  1. Check the fuel tank pressure signal circuit between the fuel tank pressure sensor connector and the PCM for an open, short to ground, or short to the sensor ground circuit.
  2. If a problem is found, repair as necessary. Refer to Wiring Repairs .

Was a problem found?

--

Go to Step 13

Go to Step 12

11

Replace the fuel tank pressure sensor. Refer to Fuel Tank Replacement .

Is the action complete?

--

Go to Step 13

--

12

Replace the PCM.

Important: :  The replacement PCM must be programmed. Refer to Powertrain Control Module Replacement/Programming .

Is the action complete?

--

Go to Step 13

--

13

  1. Review and record scan tool Fail Records data.
  2. Clear DTCs.
  3. Operate the vehicle within fail records conditions.
  4. Monitor specific DTC info for DTC P0452.

Does the scan tool indicate DTC P0452 failed this ignition?

--

Go to Step 2

System OK