GM Service Manual Online
For 1990-2009 cars only
Makes
🢒
Chevrolet
🢒
2000
🢒
Venture Ext.
🢒
Suspension
🢒
Automatic Level Control
🢒 Automatic Level Control Schematics
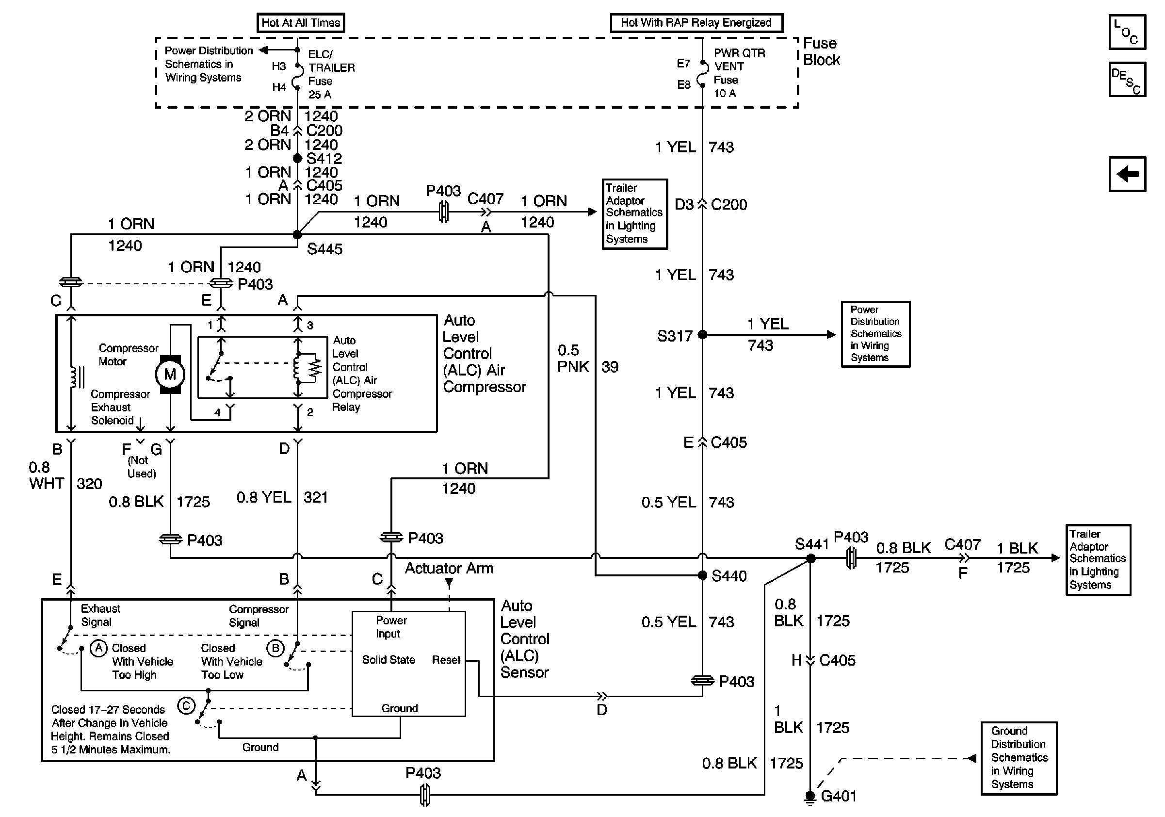
Figure
1:
With Inflator
Underhood Accessory Wiring Junction Block, Relay Center, PWR WDO and PWR OTR Vent Fuses
Export Trailer Wiring Harness
BATT Main 2, Headlamps, ELC/Trailer, RR Defog/HTP Mirrors and RR Fog LP Fuses and PWR/ Heated Seat PSD Circuit Breaker
Automatic Level Control Suspension Components
Automatic Level Control Circuit Description
Without Inflator
Export Trailer Wiring Harness
Cell 14: G401
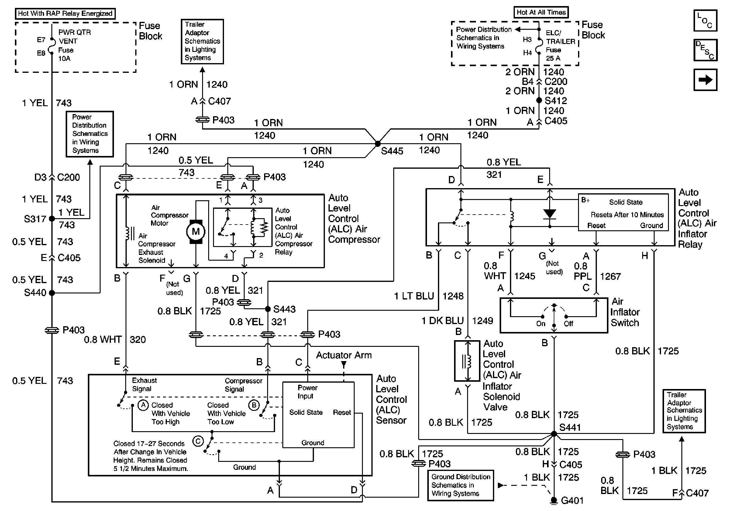
Figure
2:
Without Inflator
BATT Main 2, Headlamps, ELC/Trailer, RR Defog/HTP Mirrors and RR Fog LP Fuses and PWR/ Heated Seat PSD Circuit Breaker
Export Trailer Wiring Harness
Underhood Accessory Wiring Junction Block, Relay Center, PWR WDO and PWR OTR Vent Fuses
Export Trailer Wiring Harness
Cell 14: G401
Automatic Level Control Suspension Components
Automatic Level Control Circuit Description
With Inflator