GM Service Manual Online
For 1990-2009 cars only

Removal Procedure

  1. Remove the air cleaner assembly. Refer to Air Cleaner Assembly Replacement in Engine Controls.

  2. Object Number: 545464  Size: SH
  3. Remove the brake pipe(s) from the brake pipe upper retainers.
  4. Raise and support the vehicle. Refer to Lifting and Jacking the Vehicle in General Information.

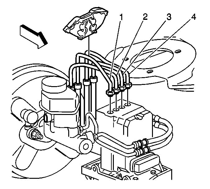
  5. Object Number: 371703  Size: SH
  6. Remove the front brake pipe (1) from the brake hose (3).
  7. If you are replacing the RIGHT FRONT brake pipe, perform the following steps:
  8. 5.1. Remove the catalytic converter. Refer to Catalytic Converter Replacement in Engine Exhaust.

    Object Number: 180306  Size: SH
    5.2. Remove the brake pipe(s) from the brake pipe retainers on the cowl.
  9. If you are replacing the brake pipes with non OEM parts, perform the following steps:
  10. Important: Reuse the following brake pipe hardware ONLY if the brake pipe hardware is not damaged.

    6.1. Cut the brake pipe.
    6.2. Remove the brake pipe fittings.
    6.3. Remove the brake pipe retainer(s).
    6.4. Remove the brake pipe heat shield(s).

Installation Procedure

    Caution: Always use double walled steel brake pipe when replacing brake pipes. The use of any other pipe is not recommended and may cause brake system failure. Carefully route and retain replacement brake pipes. Always use the correct fasteners and the original location for replacement brake pipes. Failure to properly route and retain brake pipes may cause damage to the brake pipes and cause brake system failure.

  1. If you are replacing the brake pipes with non OEM parts, perform the following steps:
  2. Important: Reuse the following brake pipe hardware ONLY if the brake pipe hardware is not damaged.

    1.1. Install the brake pipe retainer(s).
    1.2. Install the brake pipe heat shield(s).
    1.3. Install the brake pipe fittings.
    1.4. Flare the pipe ends properly. Refer to ISO Flares Replacement .
    1.5. Bend the brake pipe(s) in order to duplicate the original brake pipe routing.

    Object Number: 371703  Size: SH
  3. Install the brake pipe (1) to the brake hose (2).
  4. Tighten
    Tighten the brake pipe fitting to 21 N·m (15 lb ft).

  5. If you are replacing the RIGHT FRONT brake pipe, perform the following steps:

  6. Object Number: 180306  Size: SH

            Important: Ensure that the brake pipe heat shield is located above the catalytic converter.

    3.1. Install the brake pipe(s) to the brake pipe retainers on the cowl.
    3.2. Install the catalytic converter. Refer to Catalytic Converter Replacement in Engine Exhaust.
  7. Lower the vehicle.

  8. Object Number: 545464  Size: SH
  9. Install the brake pipe(s) to the brake pipe upper retainers.
  10. Bleed the brake system. Refer to Hydraulic Brake System Bleeding .
  11. Install the air cleaner assembly. Refer to Air Cleaner Assembly Replacement in Engine Controls.
  12. Fill the brake fluid reservoir. Refer to Master Cylinder Reservoir Filling .
  13. Bleed the hydraulic brake system. Refer to Hydraulic Brake System Bleeding .