GM Service Manual Online
For 1990-2009 cars only
Figure 1:

Engine Composite View 3400


Object Number: 215905  Size: LF
(1)Fuel Injector Harness Connector
(2)Upper Intake Manifold
(3)24X CKP Sensor Connector
(4)7X CKP Sensor Harness
(5)CMP Sensor Harness connector
(6)HO2S1
(7)EVAP Purge Valve
(8)Ignition Control Module
(9)Ignition Coils
(10)EGR Valve
(11)Fuel Feed and Return Pipes
Figure 2:

Engine Composite View 3400


Object Number: 215907  Size: LF
(1)Fuel Injector Harness Connector
(2)MAP Sensor
(3)EGR Valve
(4)IAC Valve
(5)Fuel Feed and Return Pipes
(6)TP Sensor
(7)Throttle Body
(8)ECT Sensor
(9)Engine Oil Pressure Switch
(10)Knock Sensor (KS)
(11)PCV Valve
(12)Secondary Ignition Wires (Spark Plug Wires)
(13)Upper Intake Manifold
Figure 3:

Camshaft Position (CMP) Sensor Connector


Object Number: 263309  Size: MF
(1)Camshaft Position Harness Connector
Figure 4:

Engine Cooling Fans, Engine Cooling Level Sensor


Object Number: 263295  Size: SF
(1)Fan Shield
(2)Engine Coolant Level Sensor
Figure 5:

Air Cleaner Assembly, A/C Pressure Sensor


Object Number: 263291  Size: SF
(1)Cover Assembly
(2)Attaching Screws
(3)Housing Assembly
(4)AC Accumulator
Figure 6:

Vehicle Speed Sensor (VSS), Engine Oil Level Switch Harness Connector


Object Number: 263284  Size: SF
(1)Oil Level Switch Electrical Connector
(2)VSS Electrical Connector
Figure 7:

Starter Solenoid, Transrange Switch, A/C Compressor and 24X CKP Connectors


Object Number: 263279  Size: MF
(1)Starter Solenoid
(2)Transrange Switch
(3)AC Clutch Electrical Connector (Harness Side)
(4)24X Crank Sensor Harness Connector
(5)Knock Sensor
(6)Oil Pressure Switch
Figure 8:

Heated Oxygen Sensor 2 (HO2S2)


Object Number: 263276  Size: MF
(1)O2 Sensor Conector Harness Side
(2)Oxygen Sensor
Figure 9:

Air Cleaner, PCM Assembly


Object Number: 263233  Size: SF
(1)PCM Conectors
(2)PCM Cover Alignment Slot
(3)PCM Module
(4)Air Cleaner Assembly
(5)MAF Sensor
Figure 10:

EVAP Canister and Vent Valve


Object Number: 263228  Size: SF
(1)Fuel Filter
(2)EVAP Canister
(3)EVAP Vent Valve
Figure 11:

EVAP Canister


Object Number: 263224  Size: SF
(1)EVAP Canister Assembly
(2)EVAP Canister Mounting Bracket
(3)EVAP Canister Attaching Bolt
Figure 12:

Cruise Control Module


Object Number: 263216  Size: SF
(1)Cruise Control Module
Figure 13:

Rear, RH Side of Engine Compartment


Object Number: 447356  Size: LF
(1)Vehicle Speed Sensor (VSS)
(2)Connector to Engine Oil Level Indicator Switch
(3)Engine Harness
(4)Engine Oil Level Indicator Switch
Figure 14:

Underneath Vehicle, Behind Driver's Seat


Object Number: 447318  Size: LF
(1)In-line Connector C305 (Fuel Sender Harness)
(2)In-line Connector C305 (Body Harness)
(3)In-line Connector C305 (Electronic Brake Control Harness)
(4)Fuel Sender Harness
(5)Electronic Brake Control Harness
(6)Fuel Tank
(7)Evaporator Emission (EVAP) Canister Vent Solenoid Valve
Figure 15:

Front of Engine Compartment


Object Number: 447042  Size: LF
(1)Engine Harness
(2)Underhood Accessory Wiring Junction Block Connector C1
(3)Engine Coolant Level Indicator Module
(4)Engine Coolant Fan Motor 1 (RH) Connector
(5)Engine Coolant Fan Jumper
(6)Engine Coolant Fan Motor 2 (LH) Connector
(7)In-line Connector C105, Engine Harness to Engine Coolant Fan Jumper Harness
Figure 16:

LF of Engine Compartment


Object Number: 305307  Size: LF
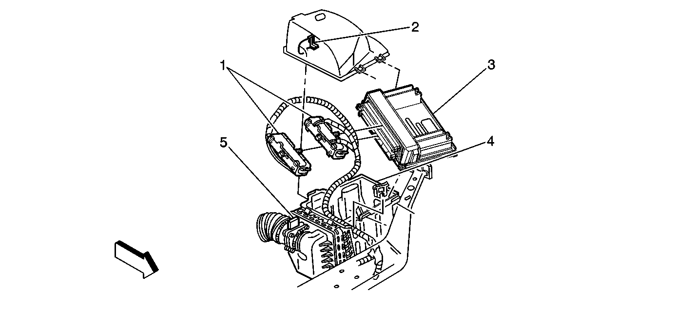
(1)Powertrain Control Module (PCM) C1
(2)Powertrain Control Module (PCM) C2
(3)Powertrain Control Module (PCM)
(4)Air Cleaner/ PCM Housing
(5)Engine Wiring Harness
(6)Forward Lamp Ground
Figure 17:

Top, RH Side of Engine


Object Number: 447071  Size: LF
(1)In-line Connector C102, Engine Harness to Fuel Injector Harness
(2)Fuel Injector Harness
(3)In-line Connector C108, Engine Harness to Fuel Injector Harness
(4)Generator
(5)Ignition Control Module (ICM) Connector C2
(6)Ignition Control Module (ICM)
(7)Engine Harness
Figure 18:

Top, RH Side of Engine Compartment


Object Number: 447059  Size: LF
(1)Engine Harness
(2)Pigtail Connector to Camshaft Position (CMP) Sensor Connector
Figure 19:

Fuel Tank, Below LH Side, Middle of Vehicle


Object Number: 447388  Size: LF
(1)Fuel Sender
(2)Fuel Tank
(3)Fuel Tank C1 and C2 Connectors
(4)Fuel Sender Harness
(5)In-line Connector C305
(6)Evaporative Emission (EVAP) Canister Vent Solenoid Valve
Figure 20:

LH Front of Engine


Object Number: 447391  Size: LF
(1)Fuel Injection Wiring Harness
(2)Fuel Injection Wiring Harness Connector
(3)Engine Coolant Temperature (ECT) Sensor