GM Service Manual Online
For 1990-2009 cars only
Makes
🢒
Chevrolet
🢒
2000
🢒
Venture Ext.
🢒
Transmission/Transaxle
🢒
Automatic Transaxle - 4T65-E
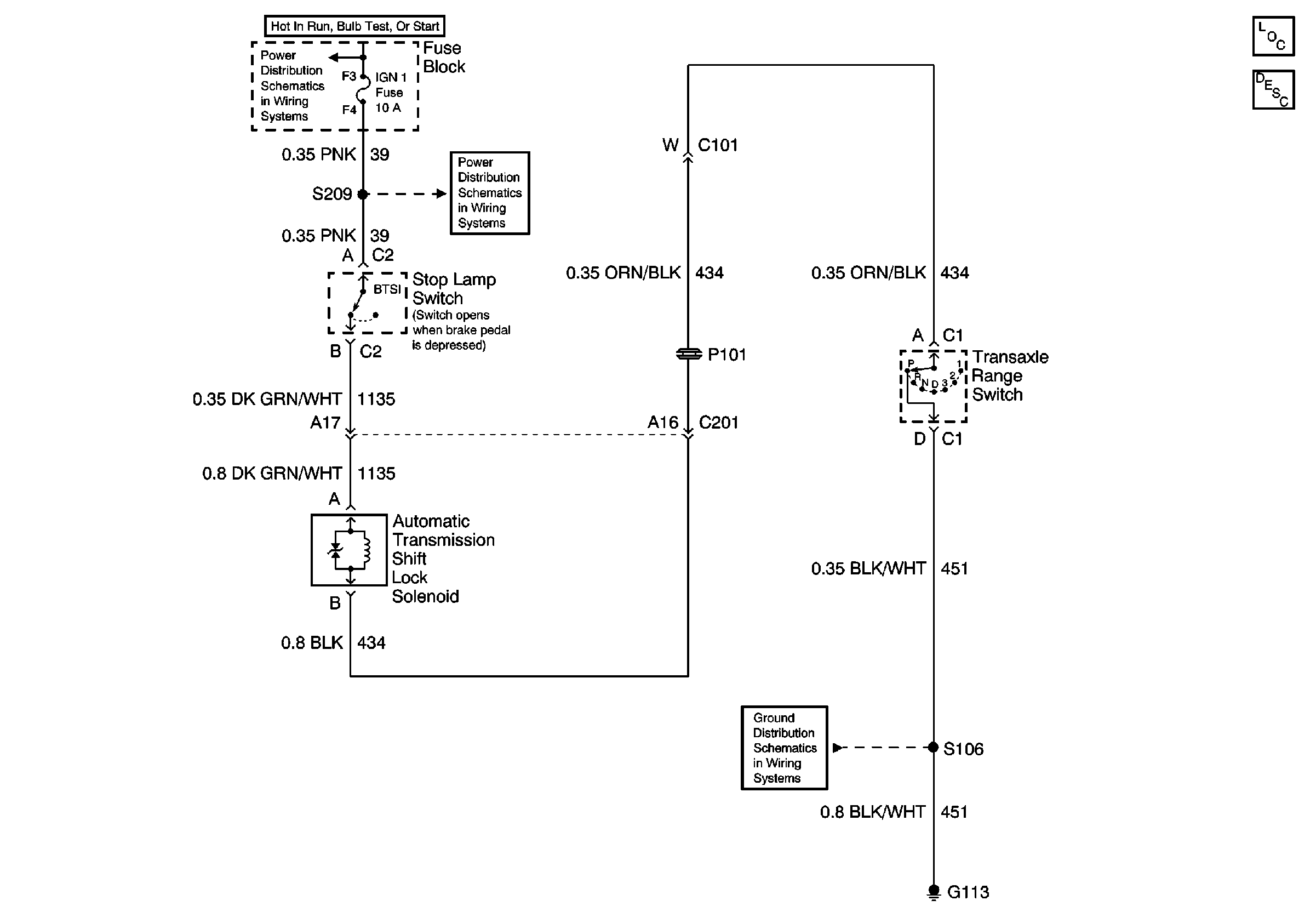
🢒 Shift Lock Control Schematics
Brake Transmission Shift Interlock (BTSI)
Automatic Transmission Components
Automatic Transmission Shift Lock Control Circuit Description
IGN, SIR, T/S/G, Cruise, and PCM/Pass Key 1 Cluster Fuses
IGN, SIR, T/S/G, Cruise, and PCM/Pass Key 1 Cluster Fuses
Cell 14: G100, G111 and G113