GM Service Manual Online
For 1990-2009 cars only

Removal Procedure

Tools Required

    • J 2619-01 Slide Hammer
    • J 28733-B Front Hub Spindle Remover
    • J 29794 Extension
    • J 33008 Axle Shaft Remover

Notice: Wheel drive shaft boots, seals and clamps should be protected from sharp objects any time service is performed on or near the wheel drive shaft(s). Damage to the boot(s), the seal(s) or the clamp(s) may cause lubricant to leak from the joint and lead to increased noise and possible failure of the wheel drive shaft.

  1. Raise and support the vehicle. Refer to Lifting and Jacking the Vehicle in General Information.
  2. Remove the tire and wheel. Refer to Tire and Wheel Removal and Installation in Tires and Wheels.
  3. Remove the stabilizer shaft link. Refer to Stabilizer Shaft Link Replacement in Front Suspension.
  4. Remove the tie rod end from the steering knuckle. Refer to Rack and Pinion Outer Tie Rod End Replacement in Power Steering System.
  5. Disconnect the lower ball joint from the steering knuckle. Refer to Lower Control Arm Replacement in Front Suspension.
  6. Insert a drift or a flat-bladed tool through the brake caliper hole and into the brake rotor in order to prevent the rotor from rotating.

  7. Object Number: 313796  Size: SH
  8. Remove the drive axle nut (3).

  9. Object Number: 40253  Size: SH
  10. Use the J 28733-B in order to remove the drive axle from the wheel bearing/hub.

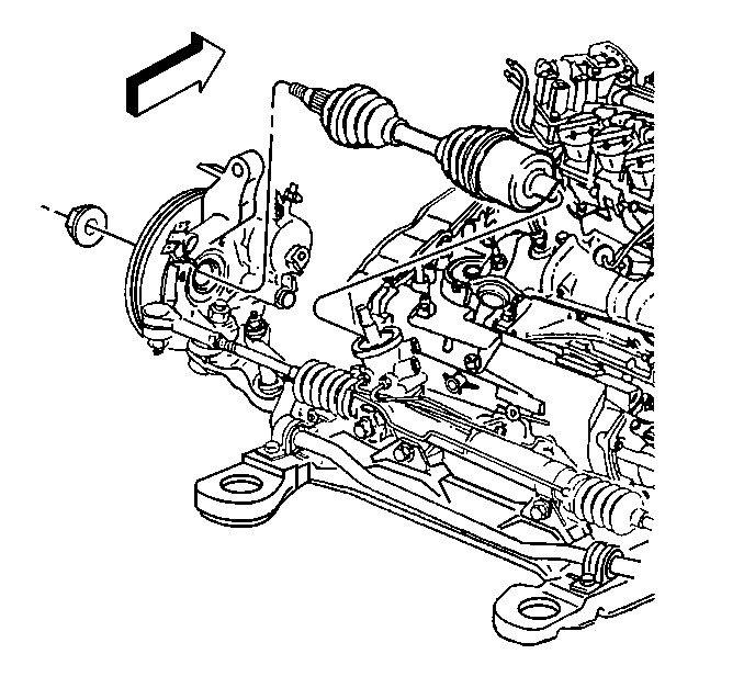
  11. Object Number: 217715  Size: SH
  12. Use the J 33008 , the J 29794 and the J 2619-01 in order to remove the right drive axle from the transaxle.
  13. Insert a large, flat-bladed tool between the left side lower control arm and the frame.
  14. Insert the tip (end) of the flat-bladed tool into the groove on the drive axle tripot joint.
  15. Use the flat-bladed tool in order to pry the left drive axle from the transaxle.

  16. Object Number: 259904  Size: SH

    Notice: Do not overextend the wheel drive shaft. Allowing the inboard joint to overextend can cause separation of the internal components and lead to joint failure.

  17. Remove the left drive axle.

Installation Procedure


    Object Number: 259904  Size: SH
  1. Install the left drive axle.
  2. Ensure that the drive axle is installed properly.
  3. 2.1. Push the drive axle into the transaxle until it snaps in place.
    2.2. Grasp the tripot (inner) joint housing.
    2.3. Pull on the tripot (inner) joint housing in order to verify that the retaining ring is engaged.

    Do NOT pull on the drive axle shaft.


    Object Number: 217715  Size: SH
  4. Install the right drive axle.
  5. Ensure that the drive axle is installed properly.
  6. 4.1. Push the drive axle into the transaxle until it snaps in place.
    4.2. Grasp the tripot (inner) joint housing.
    4.3. Pull on the tripot (inner) joint housing in order to verify that the retaining ring is engaged.

    Do NOT pull on the drive axle shaft.


    Object Number: 313796  Size: SH
  7. Install the drive axle (1) into the wheel bearing.
  8. Insert a drift or a flat-bladed tool through the brake caliper hole and into the brake rotor in order to prevent the rotor from rotating.
  9. Notice: Use the correct fastener in the correct location. Replacement fasteners must be the correct part number for that application. Fasteners requiring replacement or fasteners requiring the use of thread locking compound or sealant are identified in the service procedure. Do not use paints, lubricants, or corrosion inhibitors on fasteners or fastener joint surfaces unless specified. These coatings affect fastener torque and joint clamping force and may damage the fastener. Use the correct tightening sequence and specifications when installing fasteners in order to avoid damage to parts and systems.

  10. Install the NEW drive axle nut (3).
  11. Tighten
    Tighten the nut to 160 N·m (118 lb ft).

  12. Install the ball joint to the steering knuckle. Refer to Lower Control Arm Replacement in Front Suspension.
  13. Install the tie rod end to the steering knuckle. Refer to Rack and Pinion Outer Tie Rod End Replacement in Power Steering System.
  14. Install the stabilizer shaft link. Refer to Stabilizer Shaft Link Replacement in Front Suspension.
  15. Install the tire and wheel. Refer to Tire and Wheel Removal and Installation in Tires and Wheels.
  16. Lower the vehicle.