GM Service Manual Online
For 1990-2009 cars only

Removal Procedure

  1. Remove the air cleaner cover and duct assembly. Refer to Air Filter Element Replacement in Engine Controls.
  2. Recover the refrigerant. Refer to Refrigerant Recovery and Recharging .

  3. Object Number: 392593  Size: SH
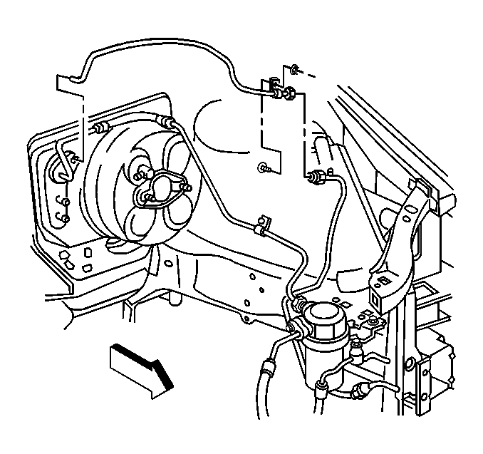
  4. Disconnect the liquid line fitting at the orifice.

  5. Object Number: 392586  Size: SH
  6. Disconnect the liquid line at the block fitting.
  7. Disconnect the liquid line bracket at the strut tower.
  8. Carefully remove the liquid line.
  9. Remove the O-rings.

Installation Procedure

  1. Using a lint-free clean, dry cloth, carefully clean the sealing surfaces of the A/C refrigerant line and the A/C refrigerant component.
  2. Lightly coat the new O-ring seals with mineral base 525 viscosity refrigerant oil.
  3. Important: DO NOT allow any of the mineral base 525 viscosity refrigerant oil on the new O-ring seal to enter the refrigerant system.


    Object Number: 297232  Size: SH
  4. For the compression fitting at the orifice, carefully slide the new O-ring seal (1) onto the line until seated.

  5. Object Number: 297228  Size: SH
  6. For the line block fitting, carefully slide the new O-ring seal (1) onto the line until seated.
  7. Allow a light coating of the refrigerant oil to remain on the A/C line in the area indicated (2) ONLY.


    Object Number: 392586  Size: SH
  8. Position the liquid line into place.
  9. Notice: Use the correct fastener in the correct location. Replacement fasteners must be the correct part number for that application. Fasteners requiring replacement or fasteners requiring the use of thread locking compound or sealant are identified in the service procedure. Do not use paints, lubricants, or corrosion inhibitors on fasteners or fastener joint surfaces unless specified. These coatings affect fastener torque and joint clamping force and may damage the fastener. Use the correct tightening sequence and specifications when installing fasteners in order to avoid damage to parts and systems.

  10. Connect the liquid line fitting at the block fitting.
  11. Tighten
    Tighten the fitting to 16 N·m (12 lb ft).


    Object Number: 392593  Size: SH
  12. Connect the liquid line fitting at the orifice.
  13. Tighten
    Tighten the fitting to 27 N·m (20 lb ft).

  14. Connect the liquid line bracket at the strut tower.
  15. Tighten
    Tighten the nut to 3.3 N·m (29 lb in).

  16. Evacuate and charge the system. Refer to Refrigerant Recovery and Recharging .
  17. Leak test the A/C system. Refer to Leak Testing .
  18. Install the air cleaner cover and duct assembly. Refer to Air Filter Element Replacement in Engine Controls.