GM Service Manual Online
For 1990-2009 cars only
Makes
🢒
Chevrolet
🢒
2000
🢒
Venture Ext.
🢒
Body and Accessories
🢒
Doors
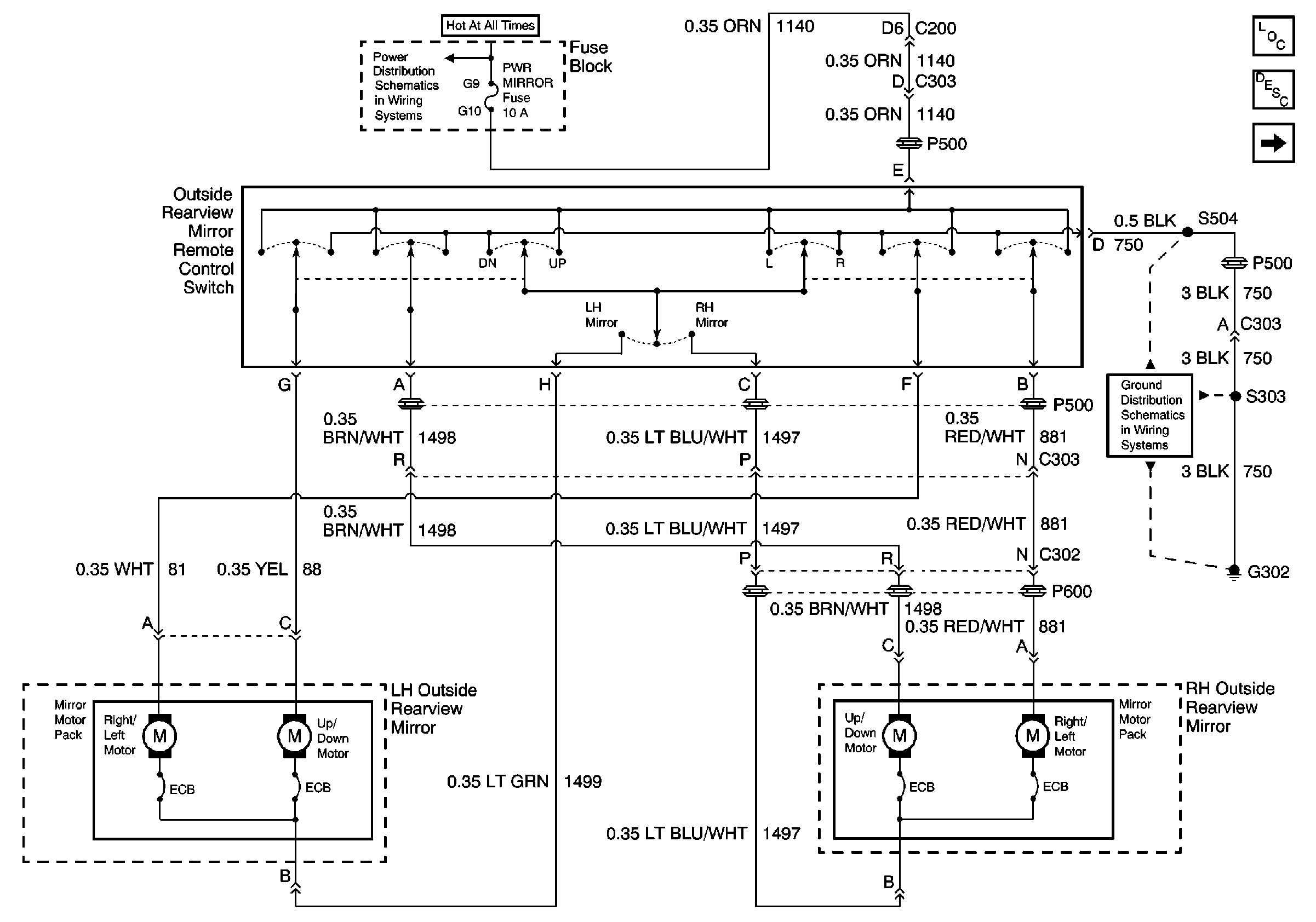
🢒 Outside Rearview Mirror Schematics
Figure
1:
Power Mirrors
Power Door Systems Components
Outside Mirrors Circuit Description
Cluster BATT, RR PWR SCKT, PWR Lock, Rap Relay, CTSY Lamp, FRT PWR SCKT, Cigar/DLC and PWR Mirror Fuses
Cell 14: G302
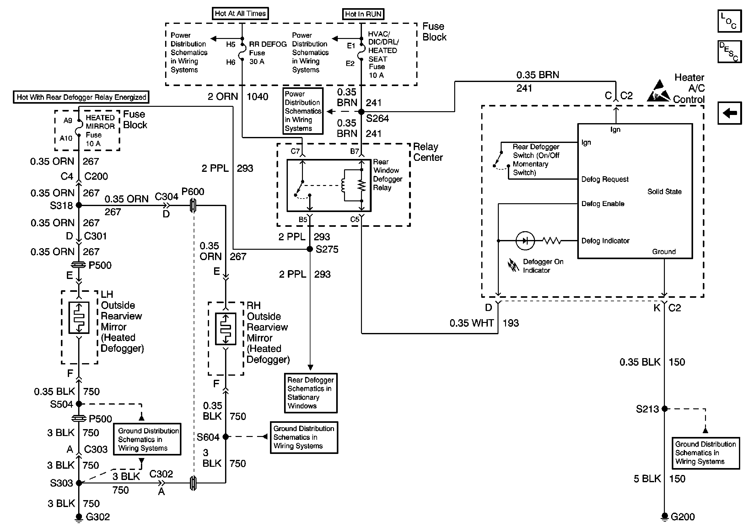
Heated Mirrors
Figure
2:
Heated Mirrors
Power Door Systems Components
Outside Mirrors Circuit Description
Handling ESD Sensitive Parts Notice
Power Mirrors
Cell 14: G200
HVAC/DIC/DRL/Heated Seat, HVAC Blower and RR HVAC/TEMP CONT Fuses
BATT Main 2, Headlamps, ELC/Trailer, RR Defog/HTP Mirrors and RR Fog LP Fuses and PWR/ Heated Seat PSD Circuit Breaker
HVAC/DIC/DRL/Heated Seat, HVAC Blower and RR HVAC/TEMP CONT Fuses
Cell 14: G302
Cell 61
Cell 14: G302