GM Service Manual Online
For 1990-2009 cars only
Makes
🢒
Chevrolet
🢒
2000
🢒
Venture Ext.
🢒
Body and Accessories
🢒
Seats
🢒 Power Seats Schematics
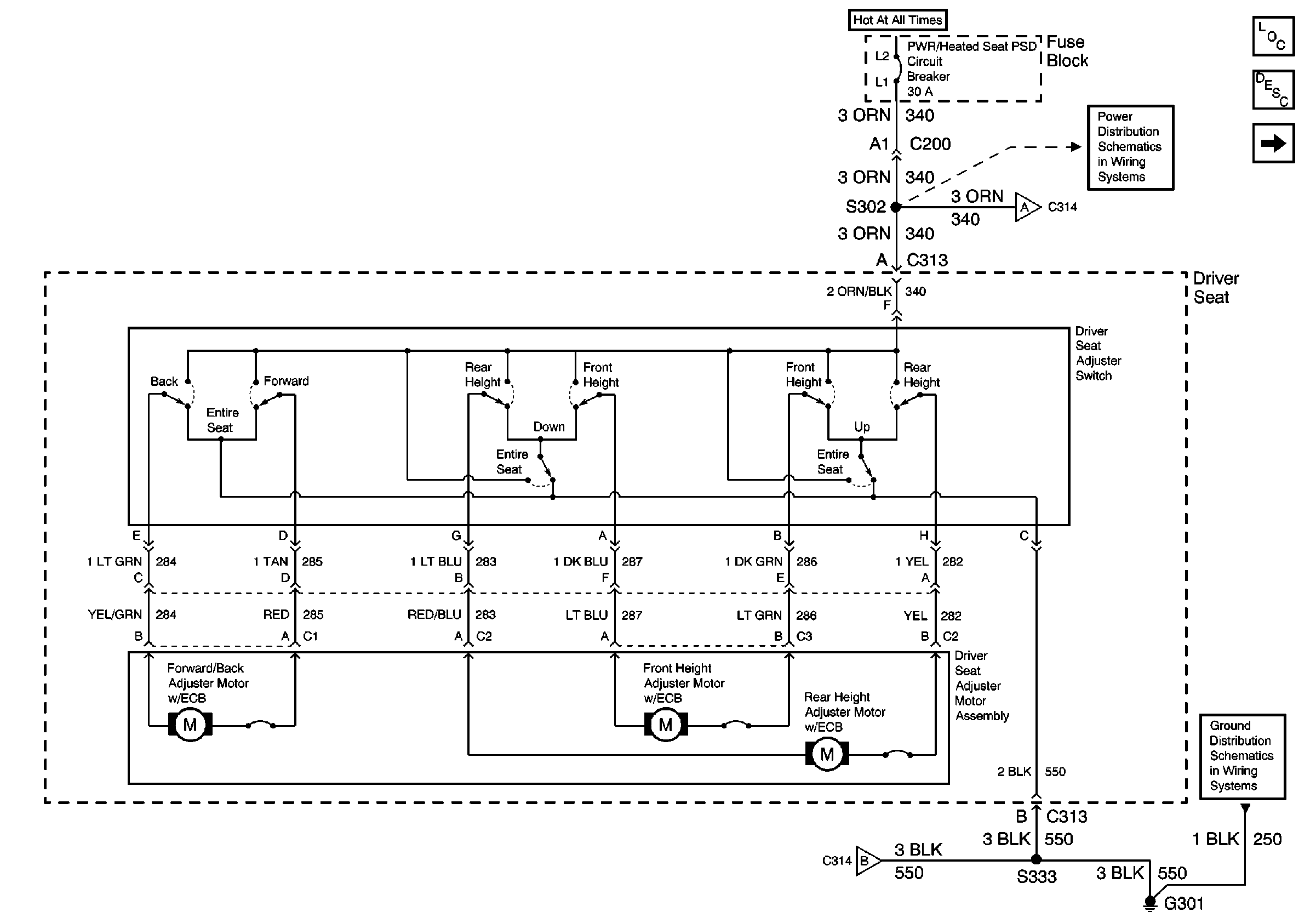
Figure
1:
Power Seats Schematics Driver's Side
Power Seat Systems Components
Power Seats Circuit Description
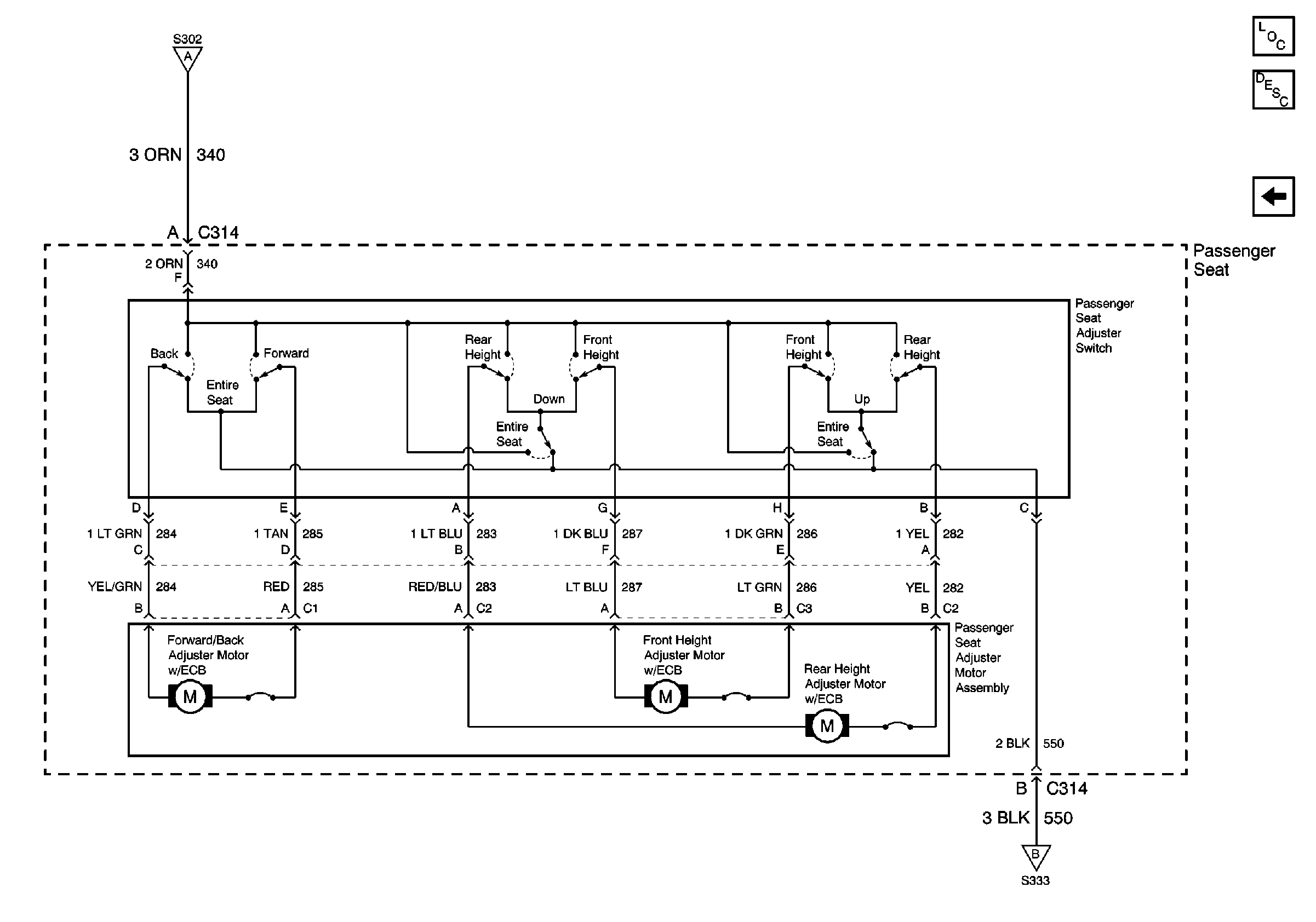
Power Seats Schematics Passenger's Side
BATT Main 2, Headlamps, ELC/Trailer, RR Defog/HTP Mirrors and RR Fog LP Fuses and PWR/ Heated Seat PSD Circuit Breaker
Power Seats Schematics Passenger's Side
Cell 14: G301
Power Seats Schematics Passenger's Side
Figure
2:
Power Seats Schematics Passenger's Side
Power Seat Systems Components
Power Seats Circuit Description
Power Seats Schematics Driver's Side
Power Seats Schematics Driver's Side
Power Seats Schematics Driver's Side