GM Service Manual Online
For 1990-2009 cars only
Makes
🢒
Chevrolet
🢒
2000
🢒
Venture Ext.
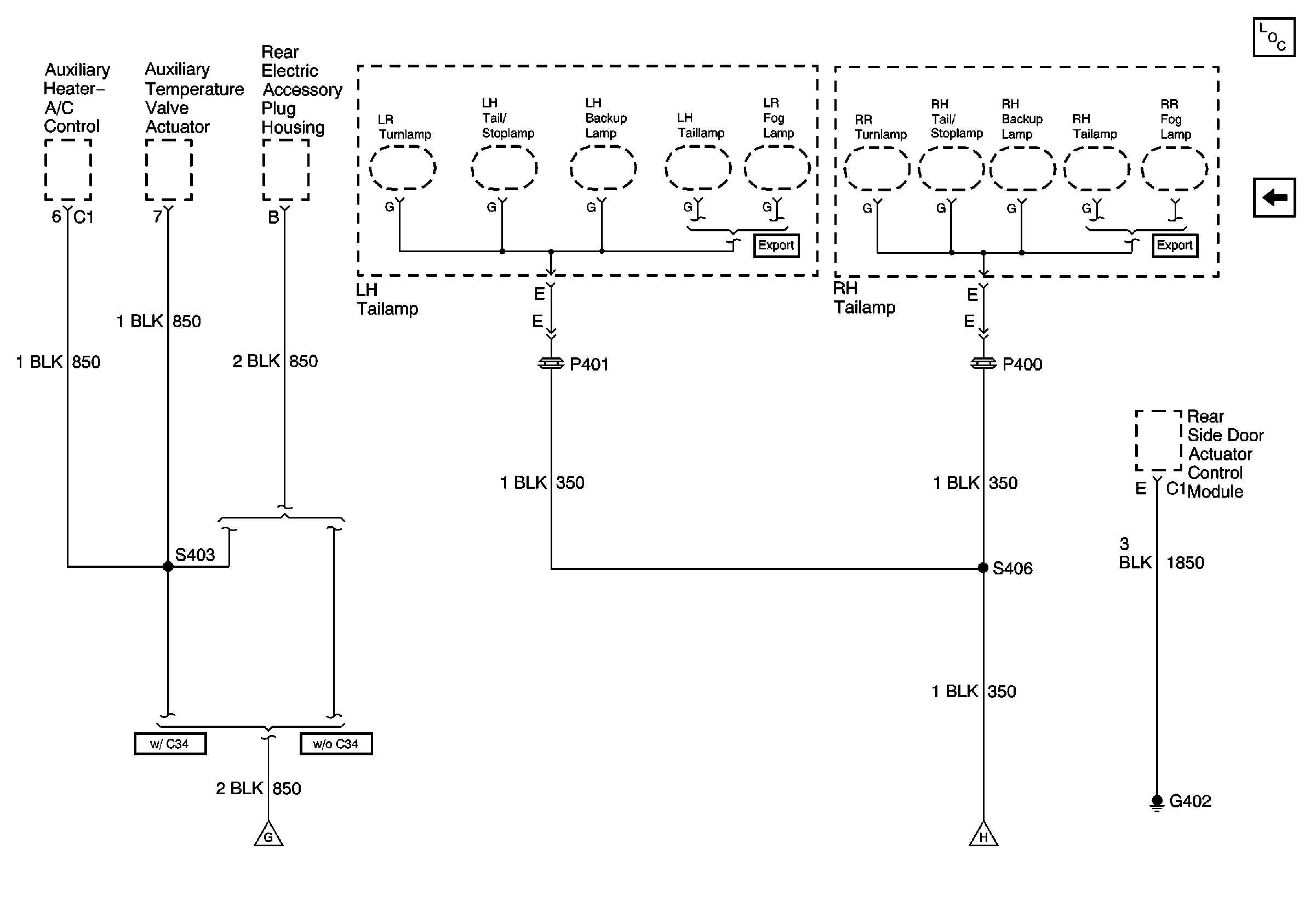
🢒 Cell 14: G401 and G402
Cell 14: G401 and G402
Cell 14: G401 and G402
Power and Grounding Components
Cell 14: G401
Cell 14: G401
Cell 14: G401