GM Service Manual Online
For 1990-2009 cars only
Makes
🢒
Chevrolet
🢒
2000
🢒
Venture Ext.
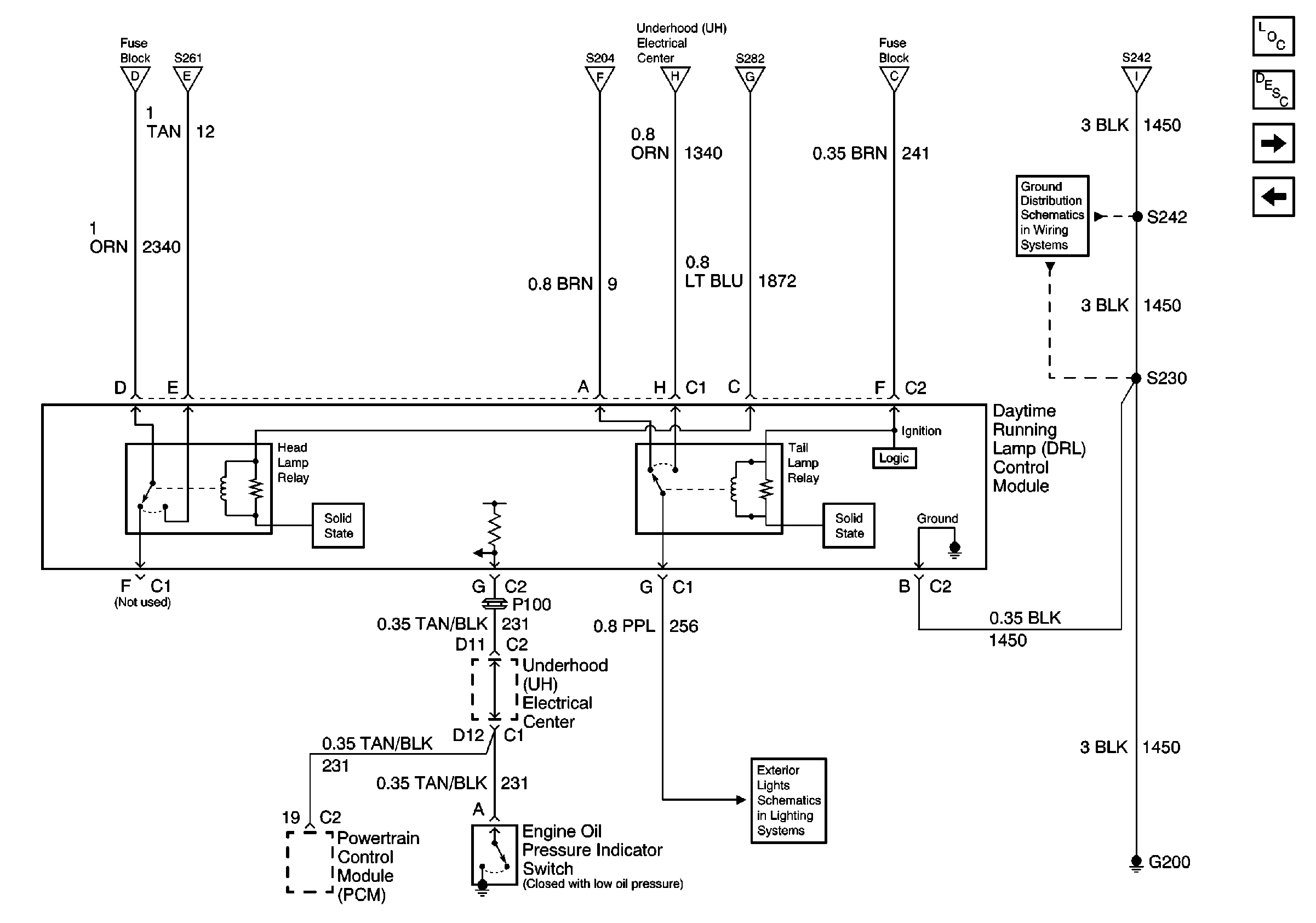
🢒 Headlights Schematics (Daytime Running Lights-Export 2 of 3)
Headlights Schematics (Daytime Running Lights-Export 2 of 3)
Headlights Schematics (Daytime Running Lights-Export 2 of 3)
Headlights Schematics (Daytime Running Lights-Export 1 of 3)
Headlights Schematics (Daytime Running Lights-Export 1 of 3)
Headlights Schematics (Daytime Running Lights-Export 1 of 3)
Lighting Systems Components
Headlights Circuit Description Export
Headlights Schematics (Daytime Running Lights-Export 3 of 3)
Headlights Schematics (Daytime Running Lights-Export 1 of 3)