GM Service Manual Online
For 1990-2009 cars only
Makes
🢒
Chevrolet
🢒
2000
🢒
Venture Ext.
🢒 2000 U-Van RAP fig sio
2000 U-Van RAP fig sio
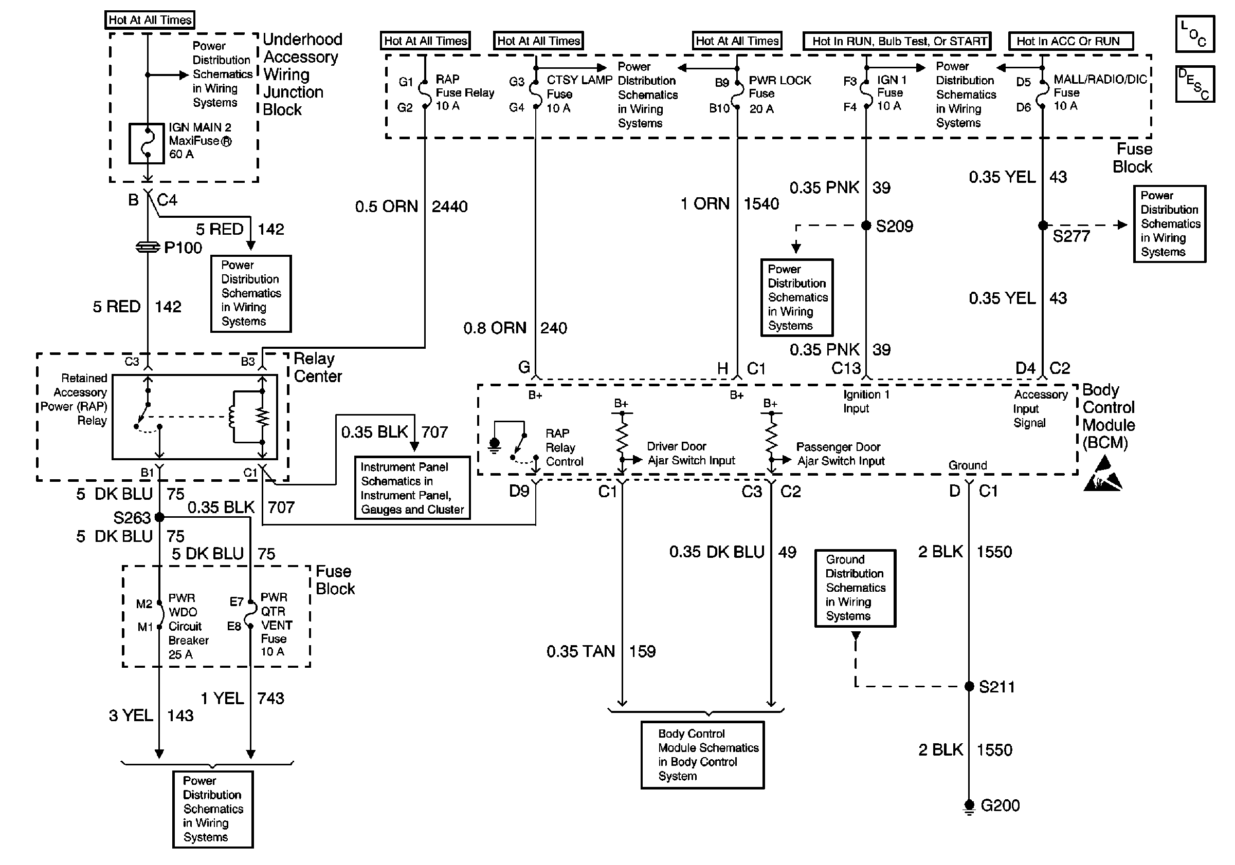
Retained Accessory Power (RAP) Components
Retained Accessory Power (RAP) Operation
Ignition Switch, IGN Main 2, BCM PRORM, RR WPR/WSHR, MALL/Cluster and FRT/WPR/WSHR Fuses
IGN, SIR, T/S/G, Cruise, and PCM/Pass Key 1 Cluster Fuses
Cluster BATT, RR PWR SCKT, PWR Lock, Rap Relay, CTSY Lamp, FRT PWR SCKT, Cigar/DLC and PWR Mirror Fuses
Cluster BATT, RR PWR SCKT, PWR Lock, Rap Relay, CTSY Lamp, FRT PWR SCKT, Cigar/DLC and PWR Mirror Fuses
Ignition Switch, IGN Main 2, BCM PRORM, RR WPR/WSHR, MALL/Cluster and FRT/WPR/WSHR Fuses
Ignition Switch, IGN Main 2, BCM PRORM, RR WPR/WSHR, MALL/Cluster and FRT/WPR/WSHR Fuses
Power, Ground, Class 2 Data Line, Gauges
Underhood Accessory Wiring Junction Block, Relay Center, PWR WDO and PWR OTR Vent Fuses
Cell 51: BCM: Interior Lights On Request, Horn Control
Cell 14: G200
Handling ESD Sensitive Parts Notice
IGN, SIR, T/S/G, Cruise, and PCM/Pass Key 1 Cluster Fuses