GM Service Manual Online
For 1990-2009 cars only

Removal Procedure

  1. Remove the left lower quarter trim panel. Refer to Rear Quarter Lower Trim Panel Replacement in Interior Trim.
  2. Disconnect the auxiliary blower motor electrical connector.
  3. Disconnect the auxiliary blower motor resistor electrical connector.

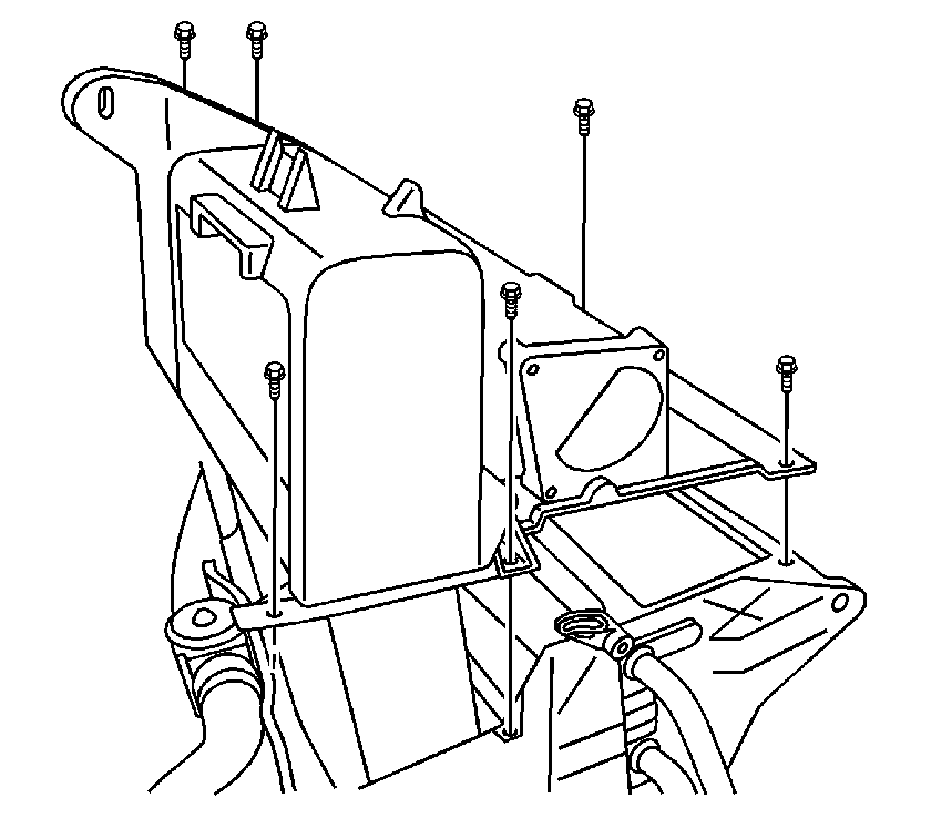
  4. Object Number: 812955  Size: SH
  5. Remove the lower auxiliary air distribution duct bolts and retainers.
  6. Remove the lower auxiliary air distribution duct.
  7. Important: The auxiliary blower motor must be removed with the blower motor housing.

  8. Remove the auxiliary lower blower motor housing screws.

  9. Object Number: 791062  Size: SH
  10. Lift the auxiliary blower motor housing and remove from the HVAC module assembly.
  11. Disconnect the auxiliary temperature door actuator electrical connector.

  12. Object Number: 883819  Size: SH
  13. Remove the auxiliary temperature door actuator screws.
  14. Remove the auxiliary temperature door actuator.

  15. Object Number: 883820  Size: SH
  16. Remove the upper auxiliary HVAC module mounting bolt.

  17. Object Number: 883821  Size: SH
  18. Remove the auxiliary evaporator core housing screws.
  19. Remove the auxiliary evaporator core housing.

  20. Object Number: 883818  Size: SH
  21. Remove the auxiliary air temperature door from the auxiliary HVAC module.
  22. Remove the auxiliary air temperature door lever (1) from the auxiliary air temperature door.

Installation Procedure


    Object Number: 883818  Size: SH
  1. Install the auxiliary air temperature door lever (1) to the auxiliary air temperature door.
  2. Install the auxiliary air temperature door to the auxiliary HVAC module.

  3. Object Number: 883821  Size: SH
  4. Install the auxiliary evaporator core housing.
  5. Notice: Use the correct fastener in the correct location. Replacement fasteners must be the correct part number for that application. Fasteners requiring replacement or fasteners requiring the use of thread locking compound or sealant are identified in the service procedure. Do not use paints, lubricants, or corrosion inhibitors on fasteners or fastener joint surfaces unless specified. These coatings affect fastener torque and joint clamping force and may damage the fastener. Use the correct tightening sequence and specifications when installing fasteners in order to avoid damage to parts and systems.

  6. Install the auxiliary evaporator core housing screws.
  7. Tighten
    Tighten the screws to 1.6 N·m (14 lb in).


    Object Number: 883820  Size: SH
  8. Install the upper auxiliary HVAC module mounting bolt.
  9. Tighten
    Tighten the bolt to 10 N·m (89 lb in).

  10. Install the auxiliary temperature door actuator.

  11. Object Number: 883819  Size: SH
  12. Install the auxiliary temperature door actuator screws.
  13. Tighten
    Tighten the screws to 1.6 N·m (14 lb in).

  14. Connect the auxiliary temperature door actuator electrical connector.

  15. Object Number: 791062  Size: SH
  16. Install the blower motor housing to the auxiliary HVAC module assembly.
  17. Align the rear tabs of the blower motor housing to the HVAC module.

  18. Install the auxiliary blower motor housing screws.
  19. Tighten
    Tighten the screws to 1.6 N·m (14 lb in).


    Object Number: 812955  Size: SH
  20. Install the lower auxiliary air distribution duct.
  21. Install the lower auxiliary air distribution retainer.
  22. Install the lower auxiliary air distribution ducts bolts.
  23. Tighten
    Tighten the bolts to 10 N·m (89 lb in).

  24. Connect the auxiliary blower motor resistor electrical connector.
  25. Connect the auxiliary blower motor electrical connector.
  26. Install the left lower quarter trim panel. Refer to Rear Quarter Lower Trim Panel Replacement in Interior Trim.